电脑桌面
添加小米粒文库到电脑桌面
安装后可以在桌面快捷访问

建筑节能工程进场材料、设备和构件验收记录表

建筑节能工程进场材料、设备和构件验收记录表_第1页
1/12
建筑节能工程进场材料、设备和构件验收记录表_第2页
2/12
建筑节能工程进场材料、设备和构件验收记录表_第3页
3/12
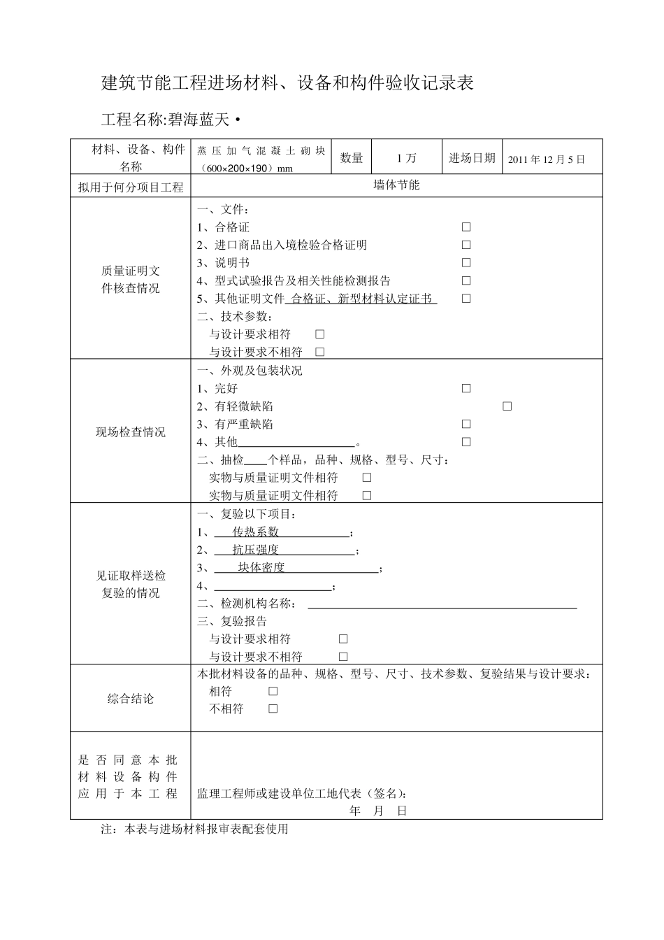
建筑节能工程进场材料、设备和构件验收记录表工程名称:材料、设备、构件聚苯乙烯挤塑保温隔热板名称拟用于何分项目工程一、文件:1、合格证□2、进口商品出入境检验合格证明□质量证明文件核查情况3、说明书□4、型式试验报告及相关性能检测报告□5、其他证明文件 合格证、新型材料认定证书□二、技术参数:与设计要求相符□与设计要求不相符□一、外观及包装状况1、完好□2、有轻微缺陷□现场检查情况3、有严重缺陷□4、其他。□二、抽检个样品,品种、规格、型号、尺寸:实物与质量证明文件相符□实物与质量证明文件相符□一、复验以下项目:1、 导热系数;2、 压缩强度;见证取样送检复验的情况3、;4、;二、检测机构名称:三、复验报告与设计要求相符□与设计要求不相符□本批材料设备的品种、规格、型号、尺寸、技术参数、复验结果与设计要求:相符□不相符□监理工程师或建设单位工地代表(签名):年月日数量1700m²屋面节能进场日期2012 年 9 月 28 日综合结论是 否 同 意 本 批材 料 设 备 构 件应 用 于 本 工 程注:本表与进场材料报审表配套使用建筑节能工程进场材料、设备和构件验收记录表工程名称:材料、设备、构件蒸 压 加 气 混 凝 土 砌 块(600×200×190)mm名称拟用于何分项目工程一、文件:1、合格证□2、进口商品出入境检验合格证明□质量证明文件核查情况3、说明书□4、型式试验报告及相关性能检测报告□5、其他证明文件 合格证、新型材料认定证书□二、技术参数:与设计要求相符□与设计要求不相符□一、外观及包装状况1、完好□2、有轻微缺陷□现场检查情况3、有严重缺陷□4、其他。□二、抽检个样品,品种、规格、型号、尺寸:实物与质量证明文件相符□实物与质量证明文件相符□一、复验以下项目:1、传热系数;2、抗压强度;见证取样送检复验的情况3、块体密度;4、;二、检测机构名称:三、复验报告与设计要求相符□与设计要求不相符□本批材料设备的品种、规格、型号、尺寸、技术参数、复验结果与设计要求:相符□不相符□监理工程师或建设单位工地代表(签名):年月日数量1 万墙体节能进场日期2011 年 11 月 10 日综合结论是 否 同 意 本 批材 料 设 备 构 件应 用 于 本 工 程注:本表与进场材料报审表配套使用建筑节能工程进场材料、设备和构件验收记录表工程名称:碧海蓝天·材料、设备、构件蒸 压 加 气 混 凝 土 砌 块(600×200×190)mm名称...

1、当您付费下载文档后,您只拥有了使用权限,并不意味着购买了版权,文档只能用于自身使用,不得用于其他商业用途(如 [转卖]进行直接盈利或[编辑后售卖]进行间接盈利)。
2、本站所有内容均由合作方或网友上传,本站不对文档的完整性、权威性及其观点立场正确性做任何保证或承诺!文档内容仅供研究参考,付费前请自行鉴别。
3、如文档内容存在违规,或者侵犯商业秘密、侵犯著作权等,请点击“违规举报”。

碎片内容

建筑节能工程进场材料、设备和构件验收记录表

确认删除?
VIP
微信客服
  • 扫码咨询
会员Q群
  • 会员专属群点击这里加入QQ群
客服邮箱
回到顶部