电脑桌面
添加小米粒文库到电脑桌面
安装后可以在桌面快捷访问

引风机系统检查及检修VIP专享

引风机系统检查及检修_第1页
1/6
引风机系统检查及检修_第2页
2/6
引风机系统检查及检修_第3页
3/6
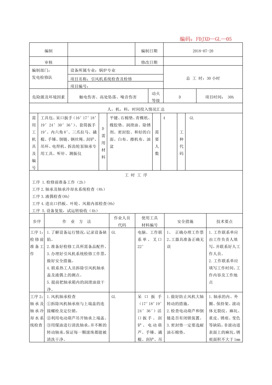
编码:FDJXD—GL—05编制审核编制部门:发电检修队设备所属专业:锅炉专业项目名称:引风机系统检查及检修项目编号:危险源及环境因素触电伤害、高处坠落、噪音伤害动火等级D项目时间: 30h总 工 时:30 小时编制日期修改日期2018-07-20人,机,料,时间投入情况汇总需用工机具及编号工 时 工 序工序 1.检修前准备工作(2h)工序 2.轴承及轴承冷却水系统检查(8h)工序 3.液偶检查(8h)工序 4.进出口挡板、叶轮、风箱内部检查(8h)工序 5.设备复装,试运转验收(4h)步序作业方法作业人员代码GL使用工具材料编号电脑、工作联系 单 、 叉 口22'安全措施技术要点工具包、呆口扳手(16'17'18'19'24'30'36')、套筒扳手19'、内六角 8'、三爪拉马、撬棍、手锤、倒链、钢丝绳、刮铲、吊环、电焊机、拆齿轮泵轴承专用工具、听针、测振仪D需用材料平键、石棉垫、青稞纸、橡胶垫、润滑油、除锈剂、密封胶、和好的白面、白布、擦机布、油盆需要人数工种代码4 GL工序 1: 1.了解设备运行情况,记录设备缺检 修 前 陷。准 备 工 2.准备好检修工具所需备品配件。作3.办理好引风机系统检修工作票,做好安全措施。4.联系热工人员拆除引风机轴承盖及液偶上的测点。5.提前把轴承箱内的润滑油放干净。工序 2: 1.风机轴承检查轴 承 及 ①拆除风机轴承座与上端盖的连轴 承 冷 接螺栓及定位销。却 水 系 ②利用电动葫芦吊开轴承上端盖。统检查③用煤油进行清洗轴承,并不断的转动轴承,保证每一颗滚珠都能被清洗干净。1、 正确办理工作票1.工作联系单应2、工器具准备正确无误由工作负责人填写,并联系好人工作人员。2.工作联系单应填写工作时间、工作内容及工作地点GL呆 口 扳 手24'36')活口 扳 手 、 刮铲 、 电 动 葫芦、手锤、撬棍、刮铲、吊1.做好防止风机大轴2.检查电动葫芦和倒3.密封垫一定要选耐油石棉垫。1.轴承的内、外圈、保持架、滚动体无裂纹、麻坑、等缺陷,非滚动道表面上的麻坑、锈痕面积不大于1mm(17'18'19' 转动的措施。链是否有闭锁装置。重皮、锈痕、变色④清理轴承座与上端盖之间的垫片。⑤用白布把轴承箱内的煤油擦拭干净,用和好的白面把轴承箱内的油渣及脏污擦拭干净。⑥用塞尺测量轴承游隙⑦把做好的垫片放在轴承座路两边,并涂抹密封胶。⑧吊装轴承上端盖,在安装定位销的同时要用塞尺测量轴承左右两侧与上端盖之间的间隙,保证两侧的间隙一样,在紧固螺栓的同时要用塞尺测...

1、当您付费下载文档后,您只拥有了使用权限,并不意味着购买了版权,文档只能用于自身使用,不得用于其他商业用途(如 [转卖]进行直接盈利或[编辑后售卖]进行间接盈利)。
2、本站所有内容均由合作方或网友上传,本站不对文档的完整性、权威性及其观点立场正确性做任何保证或承诺!文档内容仅供研究参考,付费前请自行鉴别。
3、如文档内容存在违规,或者侵犯商业秘密、侵犯著作权等,请点击“违规举报”。

碎片内容

引风机系统检查及检修

确认删除?
VIP
微信客服
  • 扫码咨询
会员Q群
  • 会员专属群点击这里加入QQ群
客服邮箱
回到顶部