电脑桌面
添加小米粒文库到电脑桌面
安装后可以在桌面快捷访问

GB189182002《城镇污水处理厂污染物排放标准》VIP专享

GB189182002《城镇污水处理厂污染物排放标准》_第1页
1/12
GB189182002《城镇污水处理厂污染物排放标准》_第2页
2/12
GB189182002《城镇污水处理厂污染物排放标准》_第3页
3/12
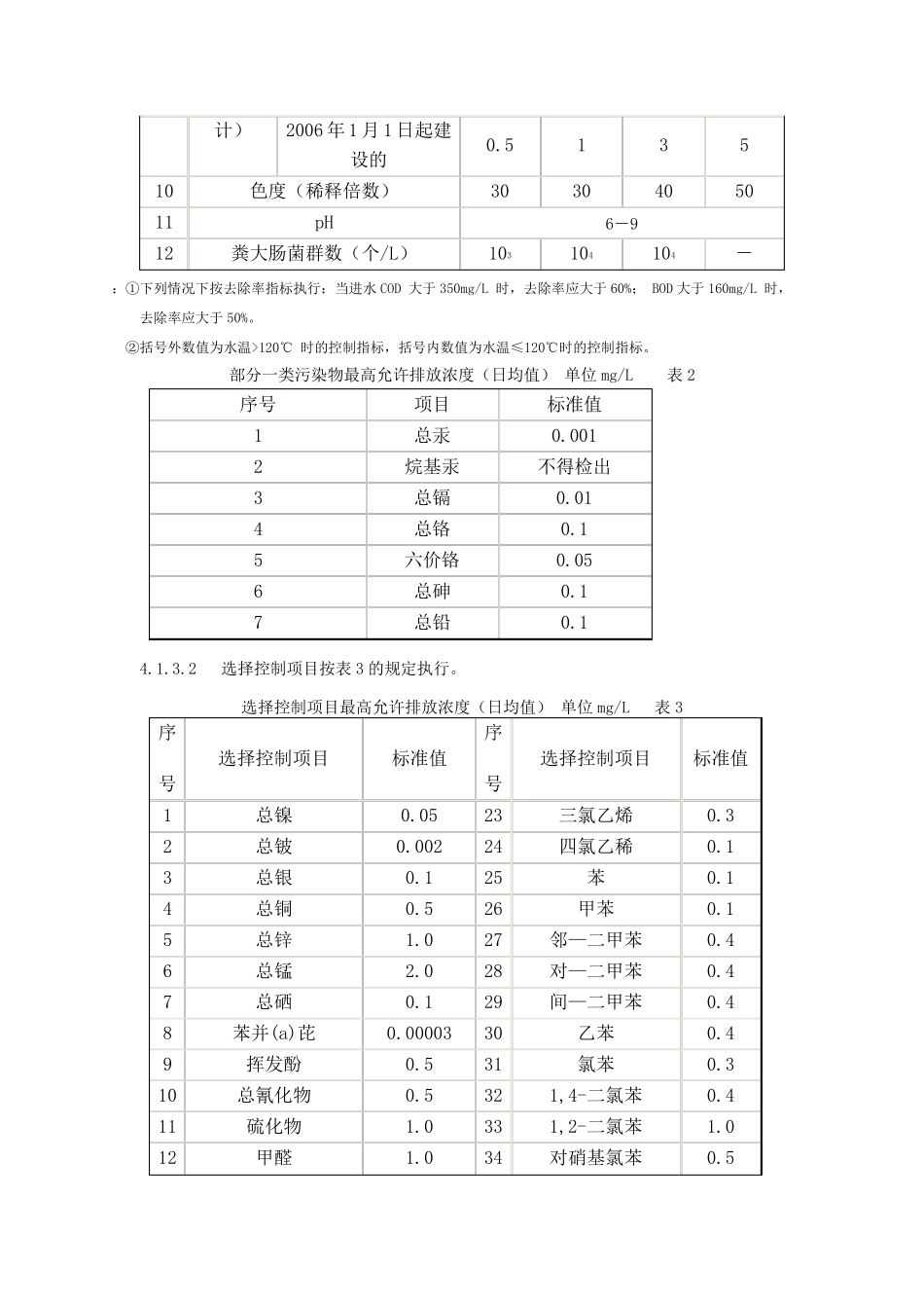
GB18918-2002《城镇污水处理厂污染物排放标准》 城镇污水处理厂污染物排放标准 GB 18918-2002 1. 范围 本标准规定了城镇污水处理厂出水、废气排放和污泥处置(控制)的污染物限值。 本标准适用于城镇污水处理厂出水、废气排放和污泥处置(控制)的管理。 居民小区和工业企业内独立的生活污水处理设施污染物的排放管理,也按本标准执行。 2. 规范性引用文件 下列标准中的条文通过本标准的引用即成为本标准的条文,与本标准同效。 GB 3838 地表水环境质量标准 GB 3097 海水水质标准 GB 3095 环境空气质量标准 GB 4284 农用污泥中污染物控制标准 GB 8978 污水综合排放标准 GB 12348 工业企业厂界噪声标准 GB 16297 大气污染物综合排放标准 HJ/T55 大气污染物无组织排放监测技术导则 当上述标准被修订时,应使用其最新版本。 3. 术语和定义 3.1 城镇污水(municipal wastewater) 指城镇居民生活污水,机关、学校、医院、商业服务机构及各种公共设施排水,以及允许排入城镇污水收集系统的工业废水和初期雨水等。 3.2 城镇污水处理厂(municipal wastewater treatment plant) 指对进入城镇污水收集系统的污水进行净化处理的污水处理厂。 3.3 一级强化处理(enhanced primary treatment) 在常规一级处理(重力沉降)基础上,增加化学混 凝 处理、机械 过滤 或 不 完 全 生物处理等,以提 高 一级处理效果 的处理工艺 。 4. 技术内容 4.1 水污染物排放标准 4.1.1 控制项 目 及分 类 4.1.1.1 根 据 污染物的来 源 及性质,将 污染物控制项 目 分 为基本控制项 目 和选 择 控制项 目两 类 。基本控制项 目 主 要 包 括 影 响 水环境和城镇污水处理厂一般 处理工艺 可 以去 除 的常规污染 物 , 以 及 部 分 一 类 污 染 物 , 共 19 项 。 选 择 控 制 项 目 包 括 对 环 境 有 较 长 期 影 响 或 毒 性 较 大的 污 染 物 , 共 计 43 项 。 4.1.1.2 基 本 控 制 项 目 必 须 执 行 。 选 择 控 制 项 目 , 由 地 方 环 境 保 护 行 政 主 管 部 门 根 据 污 水处 理 厂 接 纳 的 工 业 污 染 物 的 类 别 和 水 环 境 质 量 要 求 选 择 控 制 。 4.1.2 标 准 分 级 根 据 城 镇 污 水 处 理 厂 排 入 地 ...

1、当您付费下载文档后,您只拥有了使用权限,并不意味着购买了版权,文档只能用于自身使用,不得用于其他商业用途(如 [转卖]进行直接盈利或[编辑后售卖]进行间接盈利)。
2、本站所有内容均由合作方或网友上传,本站不对文档的完整性、权威性及其观点立场正确性做任何保证或承诺!文档内容仅供研究参考,付费前请自行鉴别。
3、如文档内容存在违规,或者侵犯商业秘密、侵犯著作权等,请点击“违规举报”。

碎片内容

GB189182002《城镇污水处理厂污染物排放标准》

确认删除?
VIP
微信客服
  • 扫码咨询
会员Q群
  • 会员专属群点击这里加入QQ群
客服邮箱
回到顶部