电脑桌面
添加小米粒文库到电脑桌面
安装后可以在桌面快捷访问

GB501732014电气装置安装工程66kV及以下架空电力线路施工及验收规范D类表格

GB501732014电气装置安装工程66kV及以下架空电力线路施工及验收规范D类表格_第1页
1/17
GB501732014电气装置安装工程66kV及以下架空电力线路施工及验收规范D类表格_第2页
2/17
GB501732014电气装置安装工程66kV及以下架空电力线路施工及验收规范D类表格_第3页
3/17
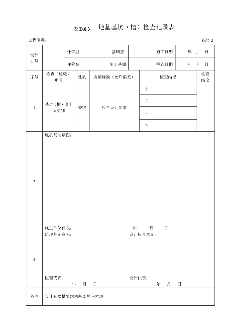
表D.0.1 路径复测记录表 工程名称: 线记1 桩号 杆塔 型式 档距(m) 线路 转角 塔位高程(m) 桩位移(m) 被跨越物 (或地形凸起点) 备注 设 计 值 实 测 值 偏 差 值 设 计 值 实 测 值 设 计 值 实 测 值 方向 位移值 名称 高程(m) 与邻杆塔最近距离 塔号 杆塔号 距离 m 备注 1.请注明直线转角 2.仪器名称: 仪器编号: 检验证书号: 现场技术 负责人 专 职 质检员 施工 负责人 监 理 工程师 表D .0.2 普通(掏挖)基础和拉线基础分坑及开挖检查记录表 工程名称: 线记2 设计 桩号 #16 杆塔型 35B12-Z1 基础型 台阶式 施工日期 2017 年 5 月 日 呼称高 21 施工基面 0 检查日期 2017 年 5 月 日 序号 检 查 项 目 允 许 偏 差 检 查 结 果 备注 1 转角杆塔角度 设计值 / / 1′30″ 2 直线杆塔桩 位置(mm) 横线路:50 20 3 基础根开 及对角线尺寸 (mm) 设 计 值 AB BC CD AB BC 2787 2787 2787 2788 2789 AC DA BD CD DA 3941 2787 3941 2789 2788 ±2‰ AC BD 3942 3942 4 基础坑深(mm) 设计值:2500 A 2515 B 2515 +100, -50(+100,0) C 2520 D 2520 5 基础坑底板断面尺寸(mm) 设计值:1800*1800 A 1800 * 1801 B 1800 * 1800 -1% C 1800 * 1802 D 1800 * 1800 6 拉线基础坑 位置(mm) 设计值:/ A C E / / / ±1%L B D F / / / 7 拉线基础 坑深(mm) 设计值:/ A C E / / / +100 B D F 8 拉线坑马道 坡度及方向 符合实际要求 A / B / C / D / E / F / 备注 1. L 为拉线基础坑中心至拉线固定总水平距离。 2. 仪器名称: 仪器编号: 检验证书号: 3. 掏挖基础的尺寸不允许有负偏差 现场技术 负责人 专 职 质检员 总包专业 工程师 监 理 工程师 表D .0.3 地基基坑(槽)检查记录表 工程名称: 线塔3 设计 桩号 杆塔型 基础型 施工日期 年 月 日 呼称高 施工基面 检查日期 年 月 日 序号 检查(检验) 项目 性质 质量标准(允许偏差) 检查结果 检查 结论 1 基坑(槽)底土质类别 关键 符合设计要求 A B C D 2 地质基坑草图: 施工单位代表: 年 月 日 3 监理鉴定意见: 监理代表: 年 月 日 设计核查意见: 设计代表: 年 月...

1、当您付费下载文档后,您只拥有了使用权限,并不意味着购买了版权,文档只能用于自身使用,不得用于其他商业用途(如 [转卖]进行直接盈利或[编辑后售卖]进行间接盈利)。
2、本站所有内容均由合作方或网友上传,本站不对文档的完整性、权威性及其观点立场正确性做任何保证或承诺!文档内容仅供研究参考,付费前请自行鉴别。
3、如文档内容存在违规,或者侵犯商业秘密、侵犯著作权等,请点击“违规举报”。

碎片内容

GB501732014电气装置安装工程66kV及以下架空电力线路施工及验收规范D类表格

您可能关注的文档

确认删除?
VIP
微信客服
  • 扫码咨询
会员Q群
  • 会员专属群点击这里加入QQ群
客服邮箱
回到顶部