电脑桌面
添加小米粒文库到电脑桌面
安装后可以在桌面快捷访问

GBT35212008石墨化学分析方法

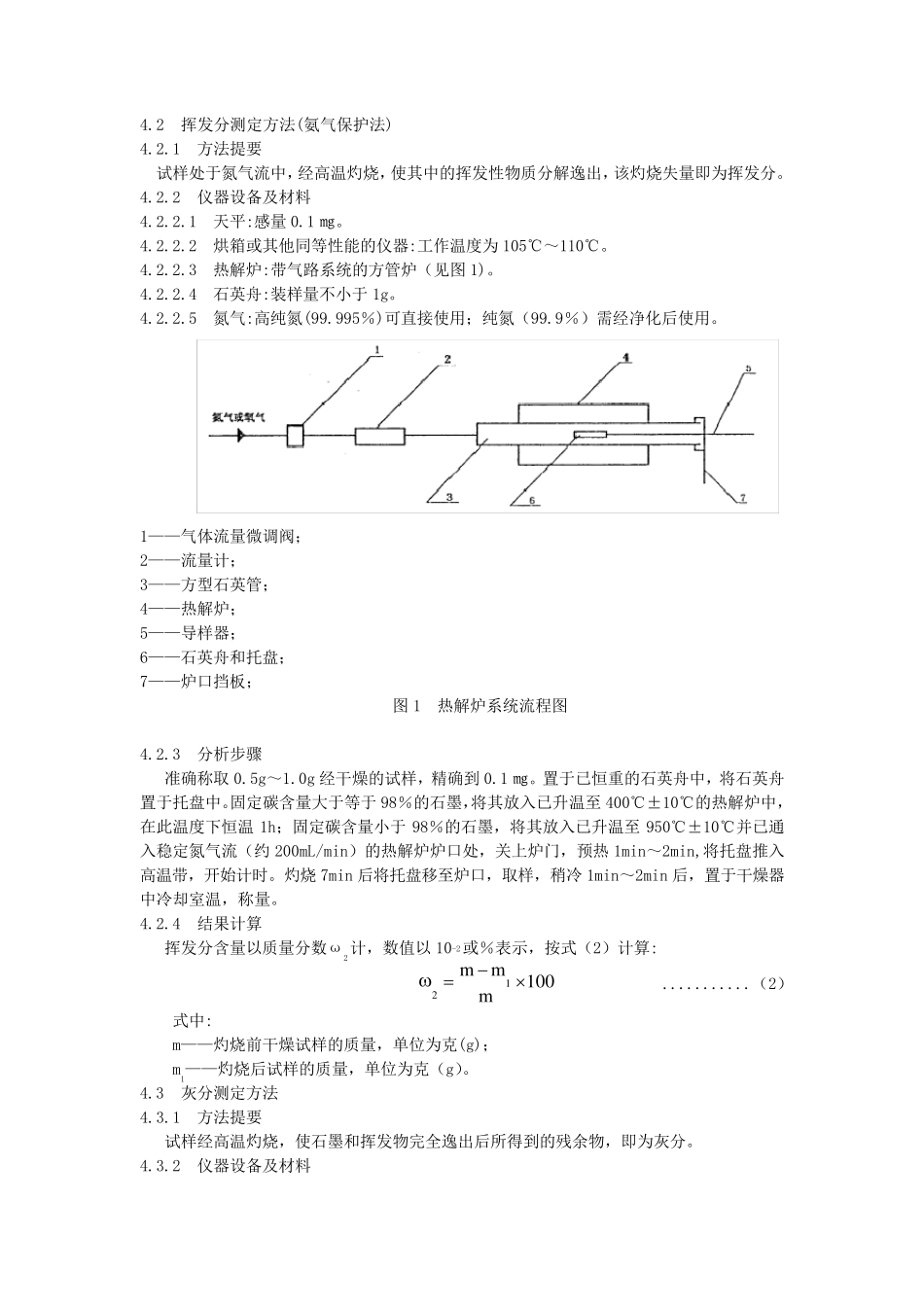
GBT35212008石墨化学分析方法_第1页
1/8
GBT35212008石墨化学分析方法_第2页
2/8
GBT35212008石墨化学分析方法_第3页
3/8
GB/T 3521- 2008 石 墨 化 学 分 析 方 法 1 范 围 本 标 准 规 定 了 石 墨 产 品 水 分 、 挥 发 分 、 灰 分 、 固 定 碳 含 量 、 硫 含 量 和 酸 溶 铁 含 量 的 分 析方 法 。 本 标 准 适 用 于 天 然 石 墨 产 品 。 3 一 般 规 定 3.1 按 GB/T 3518 和 GB/T 3519 规 定 的 取 样 方 法 取 得 的 化 学 分 析 用 样 品 应 装 在 塑 料 袋 或 磨口 瓶 中 , 试 样 量 不 少 于 50g。 3.2 除 水 分 测 定 外 , 其 余 分 析 项 目 皆 应 将 试 样 在 105℃ ~ 110℃ 下 烘 至 恒 重 后 进 行 分 析 。 3.3 高 、 中 、 低 碳 试 样 的 称 量 应 精 确 至0.1 ㎎ , 要 求 恒 重 时 , 为 两 次 称 量 之 差 不 大 于0.3㎎ 。 高 纯 石 墨 试 样 的 称 量 应 精 确 至 0.02 ㎎ , 恒 重 为 两 次 称 量 之 差 不 大 于 0.05 ㎎ 。 3.4 各 分 析 项 目 都 必 须 进 行 平 行 测 定 。 硫 的 分 析 应 进 行 空 白 试 验 。 3.5 高 纯 石 磨 的 计 算 结 果 表 示 至 小 数 点 后 三 位 ,其 余 各 项 的 计 算 结 果 表 示 至 小 数 点 后 两 位 。 3.6 本 方 法 中 所 用 水 , 除 非 另 有 说 明 , 在 分 析 中 仅 使 用 确 认 为 蒸 馏 水 或 去 离 子水 或 相当纯度的 水 。 3.7 溶 液的 浓度为 摩尔浓度或 1L 溶 液中 含 溶 质的 质量 (g/L)。 如(1+1)、(1+2)、 (m+n)等系指溶 质体积于 水 体积之 比。 所 用 溶 液除 特殊指明 外 , 均系水 溶 液。 3.8 除 非 另 有 说 明 , 在 分 析 中 仅 使 用 确 认 为 分 析 纯 或 者优级纯 的 试 剂, 用 于 标 定 的 试 剂,仅 使 用 确 认 为 基准 试 剂或 者光谱纯 , 高 纯 的 试 剂。 除 非 另 有 说 明 , 分 析 中 所 用 酸 和 氨水 仅 使用 确 认 为 浓酸 或 者浓碱。 4 实验 方 法 4.1 水 分 测 定 方 法 4.1.1 方 法 提要 将 试 样 在 105℃ ~ 110℃ 下 烘 干, 使 附着水 挥 发 , 根据挥 发 量...

1、当您付费下载文档后,您只拥有了使用权限,并不意味着购买了版权,文档只能用于自身使用,不得用于其他商业用途(如 [转卖]进行直接盈利或[编辑后售卖]进行间接盈利)。
2、本站所有内容均由合作方或网友上传,本站不对文档的完整性、权威性及其观点立场正确性做任何保证或承诺!文档内容仅供研究参考,付费前请自行鉴别。
3、如文档内容存在违规,或者侵犯商业秘密、侵犯著作权等,请点击“违规举报”。

碎片内容

GBT35212008石墨化学分析方法

您可能关注的文档

小辰6+ 关注
实名认证
内容提供者

出售各种资料和文档

确认删除?
VIP
微信客服
  • 扫码咨询
会员Q群
  • 会员专属群点击这里加入QQ群
客服邮箱
回到顶部