电脑桌面
添加小米粒文库到电脑桌面
安装后可以在桌面快捷访问

GD3004质量评估报告VIP专享

GD3004质量评估报告_第1页
1/7
GD3004质量评估报告_第2页
2/7
GD3004质量评估报告_第3页
3/7
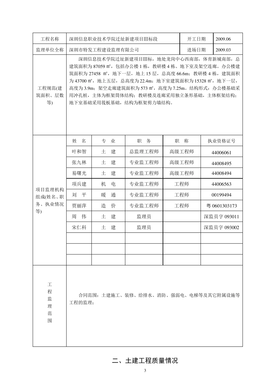
1 G D 3004□□ 房屋建筑工程 质量评估报告 工程名称:深圳信息职业技术学院迁址新建项目Ⅲ标段 监理单位(公章):深圳市特发工程建设监理有限公司 发 出 日 期 : 2 填写说明 1 . 质量评估报告由监理单位负责打印填写,提交给建设单位。 2 . 填写要求内容真实,语言简练,字迹清楚。 3 . 凡需签名处,需先打印姓名后再亲笔签名。 4 . 质量评估报告一式四份,监理单位、建设单位、监督站、备案机关各持一份。 5 . “进场日期”填写监理单位进驻施工现场的时间。 6 . “工程规模“是指房屋建筑的建筑面积/层数、结构形式、工程造价、工程用途等情况。 7 . “工程监理范围“是指工程监理合同内的监理范围与实际监理范围的对比说明。 8 . “施工阶段原材料、构配件及设备质量控制情况“主要内容包括以下几个方面监理控情况和结论性意见: ① 工程所用材料、构配件、设备的进场监控情况和质量证明文件是否齐全。 ② 工程所用材料、构配件、设备是否按规定进行见证取样和送检的控制情况。 ③ 所采用新材料、新工艺、新技术、新设备的情况。 9 . “分部分项工程质量控制情况”主要内容包括: ① 分部、分项工程和隐蔽验收情况。 ② 桩基础工程质量(包括桩基检测等)。 ③ 主体结构工程质量。 ④ 消防质量通病工作的开展情况。 ⑤ 对重点部位、关键工序的施工工艺和确保工程质量措施的审查。 ⑥ 对承包单位的施工组织设计(方案)落实情况的检查。 ⑦ 对承包单位按设计图纸、国家标准、合同施工的检查。 1 0 . “工程技术资料情况“是核查工程技术资料是否齐全。 1 1 . “整改意见“是指对工程实体质量、工程技术资料等存在的问题及未完成工程项目提出改正、限期完成的意见。 1 2 . “工程质量综合评估意见“是指根据工程设计、施工合同、国家有关施工验收规范和技术标准,全面评价工程质量水平,提出是否可以通过质量验收的意见。 一、工程概况 3 工程名称 深圳信息职业技术学院迁址新建项目Ⅲ标段 开工日期 2009.06 监理单位全称 深圳市特发工程建设监理有限公司 进场日期 2009.03 工程规范(建筑面积、层数等) 深圳信息技术学院迁址新建项目Ⅲ标,地处龙岗中心西南部,体育新城南部,总建筑面积为 87059 ㎡,包括办公楼 1 栋,教研楼 4 栋、地下室及架空连廊。办公楼建筑面积为 27458 ㎡,地下一层,地上 15 层,总高度 66.6m ;教研楼 4 栋,建筑面积...

1、当您付费下载文档后,您只拥有了使用权限,并不意味着购买了版权,文档只能用于自身使用,不得用于其他商业用途(如 [转卖]进行直接盈利或[编辑后售卖]进行间接盈利)。
2、本站所有内容均由合作方或网友上传,本站不对文档的完整性、权威性及其观点立场正确性做任何保证或承诺!文档内容仅供研究参考,付费前请自行鉴别。
3、如文档内容存在违规,或者侵犯商业秘密、侵犯著作权等,请点击“违规举报”。

碎片内容

GD3004质量评估报告

确认删除?
VIP
微信客服
  • 扫码咨询
会员Q群
  • 会员专属群点击这里加入QQ群
客服邮箱
回到顶部