电脑桌面
添加小米粒文库到电脑桌面
安装后可以在桌面快捷访问

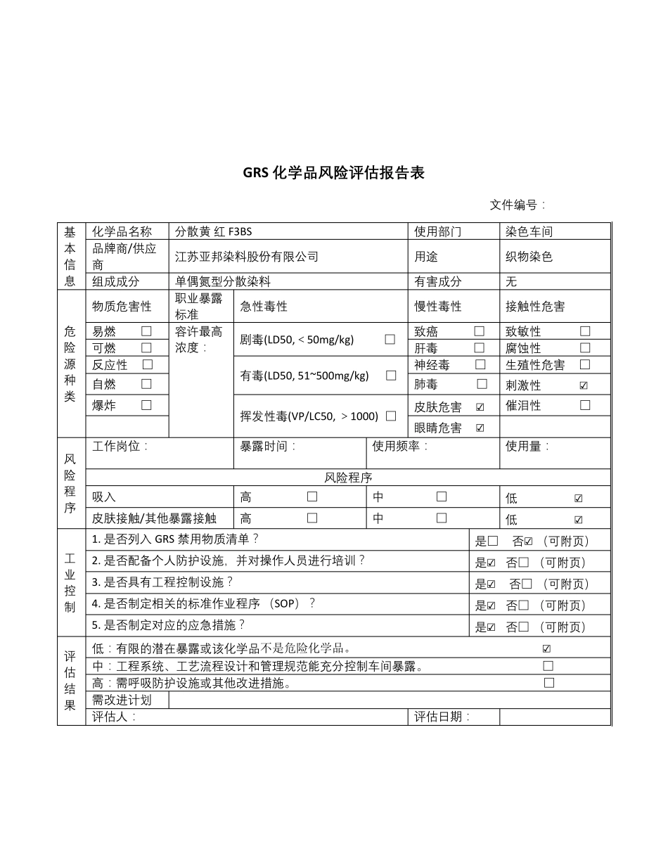
GRS化学品风险评估报告表

GRS化学品风险评估报告表_第1页
1/25
GRS化学品风险评估报告表_第2页
2/25
GRS化学品风险评估报告表_第3页
3/25
GRS 化 学 品 风 险 评 估报告表 文 件 编 号 : 基本信息 化 学 品 名 称 分 散 黄 E-3G 使 用 部 门 染 色 车 间 品 牌 商 /供 应商 江 苏 亚 邦 染 料 股 份 有 限 公 司 用 途 织 物 染 色 组 成 成 分 喹 啉 类 分 散 染 料 有 害 成 分 无 危险源种类 物 质 危 害 性 职 业 暴 露标 准 急 性 毒 性 慢 性 毒 性 接 触 性 危 害 易 燃 □ 容 许 最 高浓 度 : 剧 毒 (LD50,< 50mg/kg) □ 致 癌 □ 致 敏 性 □ 可 燃 □ 肝 毒 □ 腐 蚀 性 □ 反 应 性 □ 有 毒 (LD50, 51~500mg/kg) □ 神 经 毒 □ 生 殖 性 危 害 □ 自 燃 □ 肺 毒 □ 刺 激 性 ☑ 爆 炸 □ 挥 发 性 毒 (VP/LC50, > 1000) □ 皮 肤 危 害 ☑ 催 泪 性 □ 眼 睛 危 害 ☑ 风险程序 工 作 岗 位 : 暴 露 时 间 : 使 用 频 率 : 使 用 量 : 风 险 程 序 吸 入 高 □ 中 □ 低 ☑ 皮 肤 接 触 /其 他 暴 露 接 触 高 □ 中 □ 低 ☑ 工业控制 1. 是 否 列 入GRS 禁 用 物 质 清单? 是 □ 否 ☑ (可 附页) 2. 是 否 配备个人防护设施,并对操作 人员进行培训? 是 ☑ 否 □ (可 附页) 3. 是 否 具有 工 程 控 制 设施? 是 ☑ 否 □ (可 附页) 4. 是 否 制 定相关的标 准 作 业 程 序 (SOP)? 是 ☑ 否 □ (可 附页) 5. 是 否 制 定对应 的应 急 措施? 是 ☑ 否 □ (可 附页) 评估结果 低 : 有 限 的潜 在 暴 露 或 该 化 学 品 不是危险化学品。 ☑ 中 : 工 程 系 统 、 工 艺 流 程 设计 和 管 理 规 范 能 充 分 控 制 车 间 暴 露 。 □ 高 : 需 呼 吸 防护设施或 其 他 改 进措施。 □ 需 改 进计 划 评估人: 评估日 期 : GRS 化 学 品 风 险 评 估报告表 文 件 编 号 : 基本信息 化 学 品 名 称 分 散 紫 HFRL 使 用 部 门 染 色 车 间 品 牌 商 /供 应商 江 苏 亚 邦 染 料 股 份 有 限 公 司 用 途 织 物 染 色 组 成 成 分 蒽 醌 型 分 散 染 料 有 害 成 分 无 危险源种类...

1、当您付费下载文档后,您只拥有了使用权限,并不意味着购买了版权,文档只能用于自身使用,不得用于其他商业用途(如 [转卖]进行直接盈利或[编辑后售卖]进行间接盈利)。
2、本站所有内容均由合作方或网友上传,本站不对文档的完整性、权威性及其观点立场正确性做任何保证或承诺!文档内容仅供研究参考,付费前请自行鉴别。
3、如文档内容存在违规,或者侵犯商业秘密、侵犯著作权等,请点击“违规举报”。

碎片内容

GRS化学品风险评估报告表

确认删除?
VIP
微信客服
  • 扫码咨询
会员Q群
  • 会员专属群点击这里加入QQ群
客服邮箱
回到顶部