电脑桌面
添加小米粒文库到电脑桌面
安装后可以在桌面快捷访问

GZK系列组合式空调机组

GZK系列组合式空调机组_第1页
1/20
GZK系列组合式空调机组_第2页
2/20
GZK系列组合式空调机组_第3页
3/20
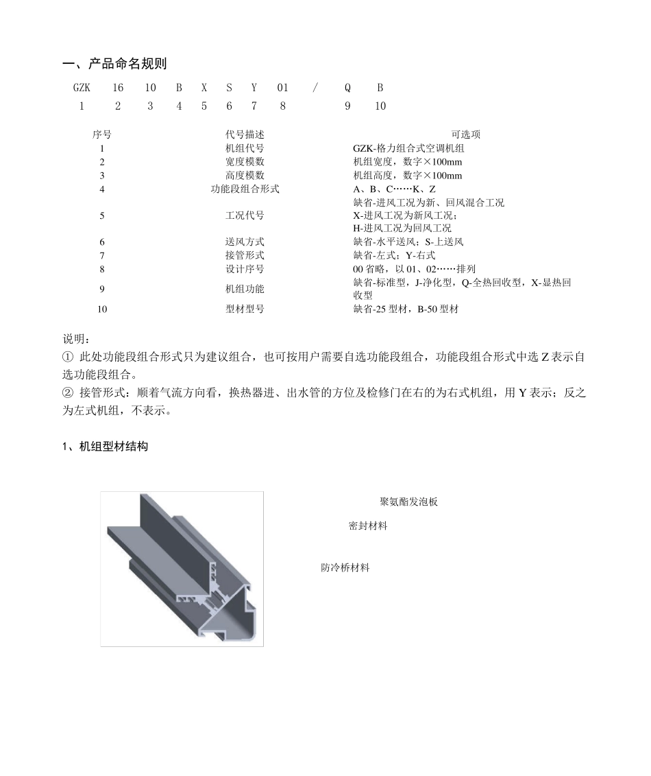
第 四 章 ZK、GZK 系列组合式空调机组 一、 产品概述 GZK 系列: 格力组合式空调机组采用防冷桥铝型材结构,特殊橡胶材料密封条与外面的金属隔绝,加上铝型材的凹凸槽衔接,使漏风率非常低,保温性能好。内表无需粘贴保温绵或其他保温材料,符合洁净空调的要求。 格力组合式空调机组可根据用户要求提供多种功能段组合,可广泛应用于电子仪表、精密机械制造、纺织、化工、卷烟、制药、食品、电站等工业性空调场所,也适用于商业大厦、饭店、超市、影剧院、展览中心、体育馆、商场、宾馆、办公大楼等商用及民用大中型公共建筑的空调场所。 一、产品命名规则 GZK 16 10 B X S Y 01 / Q B 1 2 3 4 5 6 7 8 9 10 序号 代号描述 可选项 1 机组代号 GZK-格力组合式空调机组 2 宽度模数 机组宽度,数字×100m m 3 高度模数 机组高度,数字×100m m 4 功能段组合形式 A、B、C……K、Z 5 工况代号 缺省-进风工况为新、回风混合工况 X-进风工况为新风工况; H-进风工况为回风工况 6 送风方式 缺省-水平送风;S-上送风 7 接管形式 缺省-左式;Y-右式 8 设计序号 00 省略,以 01、02……排列 9 机组功能 缺省-标准型,J-净化型,Q-全热回收型,X-显热回收型 10 型材型号 缺省-25 型材,B-50 型材 说明: ① 此处功能段组合形式只为建议组合,也可按用户需要自选功能段组合,功能段组合形式中选Z 表示自选功能段组合。 ② 接管形式:顺着气流方向看,换热器进、出水管的方位及检修门在右的为右式机组,用 Y 表示;反之为左式机组,不表示。 1、机组型材结构 聚氨酯发泡板 密封材料 防冷桥材料 2、按风量选型 机组规格 风速对应机组风量(m3/h) 回风工况冷量范围(Kw) 新风工况冷量范围(Kw) 送风余压(Pa) 2(m/s) 2.25(m/s) 2.5(m/s) 2.75(m/s) 3(m/s) 0804 905 1018 1132 1245 1358 5-12 12-25 200~600 0806 1811 2037 2263 2489 2716 10-23 24-51 200~600 0808 2414 2716 3018 3319 3621 14-31 31-67 200~600 1008 3292 3703 4115 4526 4938 19-43 43-92 200~600 1208 4170 4691 5212 5733 6254 24-54 54-116 200~600 1608 5925 6666 7407 8147 8888 33-77 77-165 200~600 1010 4526 5092 5658 6224 6789 26-59 59-126 200~600 1210 5733 6450 7167 7883 8600 32-74 75-160 200~600 1...

1、当您付费下载文档后,您只拥有了使用权限,并不意味着购买了版权,文档只能用于自身使用,不得用于其他商业用途(如 [转卖]进行直接盈利或[编辑后售卖]进行间接盈利)。
2、本站所有内容均由合作方或网友上传,本站不对文档的完整性、权威性及其观点立场正确性做任何保证或承诺!文档内容仅供研究参考,付费前请自行鉴别。
3、如文档内容存在违规,或者侵犯商业秘密、侵犯著作权等,请点击“违规举报”。

碎片内容

GZK系列组合式空调机组

小辰8+ 关注
实名认证
内容提供者

出售各种资料和文档

确认删除?
VIP
微信客服
  • 扫码咨询
会员Q群
  • 会员专属群点击这里加入QQ群
客服邮箱
回到顶部