电脑桌面
添加小米粒文库到电脑桌面
安装后可以在桌面快捷访问

G系列齿轮减速电机教材

G系列齿轮减速电机教材_第1页
1/14
G系列齿轮减速电机教材_第2页
2/14
G系列齿轮减速电机教材_第3页
3/14
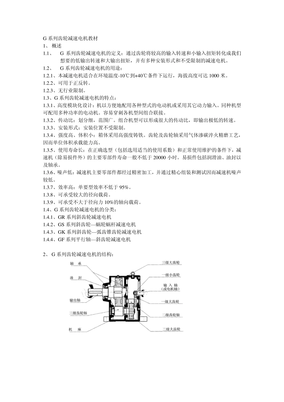
G 系列齿轮减速电机教材 1、 概述 1.1、 G 系列齿轮减速电机的定义:通过齿轮将较高的输入转速和小输入扭矩转化成我们想要的低输出转速和大输出扭矩,并有多种安装形式和不受限制的减速电机。 1.2、 G 系列齿轮减速电机的用途: 1.2.1、本减速电机适合在环境温度-10℃到+40℃条件下运行,海拔高度可达 1000 米。 1.2.2、可用于正反转。 1.2.3、无行业限制。 1.3、G 系列齿轮减速电机的特点: 1.3.1、高度模块化设计:机以方便地配用各种型式的电动机或采用其它动力输入。同种机型可配用多种功率的电动机。容易穿刺各机型间组合联接。 1.3.2、传动比:划分细,范围广。组合机型可以形成很大的传动比,即输出极低的转速。 1.3.3、安装形式:安装位置不受限制。 1.3.4、强度高、体积小:箱体采用高强度铸铁。齿轮及齿轮轴采用气体渗碳淬火精磨工艺,因而单位体积承载能力高。 1.3.5、使用寿命长:在正确选型(包括选用适当的使用系数)和正常使用维护的条件下,减速机(除易损件外)的主要零部件寿命一般不低于 20000 小时。易损件包括润滑油、油封以及轴承。 1.3.6、噪声低:减速机主要零部件都经过精密加工,并通过精心组装和测试因而减速机噪声较低。 1.3.7、效率高:单要型效率不低于 95%。 1.3.8、可承受较大的径向载荷。 1.3.9、可承受不大于径向力 10%的轴向载荷。 1.4、G 系列齿轮减速电机的分类: 1.4.1、GR 系列斜齿轮减速电机 1.4.2、GS系列斜齿轮—蜗轮蜗杆减速电机 1.4.3、GK 系列斜齿轮—弧齿锥齿轮减速电机 1.4.4、GF 系列平行轴—斜齿轮减速电机 2、 G 系列齿轮减速电机的结构: 3、 G 系列齿轮减速电机的主要构件和用材说明: 3.1、主要构件和功能 3.1.1、输入轴:动力源输入; 3.1.2、输出轴(实心、空心):联接传动件; 3.1.3、齿轮(有1、2、3 级)、蜗轮蜗杆(GS 系列):减速 3.1.4、轴承:支撑输入轴、输出轴、齿轮的传动。 3.1.5、油封:防止润滑油的渗漏。 3.1.6、润滑油:给轴承和齿轮等传动件润滑作用,增加寿命。 3.1.7、机座:将所有传动件包装起来,用于方便安装。 3.2、用材说明及对减速机的影响: 3.2.1、齿轮、齿轴、及蜗杆: 3.2.1.1、材料及工艺:20CrMnTi(二零鉻锰钛),经渗碳淬火回火,(咯氏硬度)HRC60±2,德国 Niles数控成形磨齿机,加工精度6级。 3.2.1.2、对性能的影响:材料不好会影响轴的质量,硬度过高容易造成蹦齿,过低会影响扭力不足...

1、当您付费下载文档后,您只拥有了使用权限,并不意味着购买了版权,文档只能用于自身使用,不得用于其他商业用途(如 [转卖]进行直接盈利或[编辑后售卖]进行间接盈利)。
2、本站所有内容均由合作方或网友上传,本站不对文档的完整性、权威性及其观点立场正确性做任何保证或承诺!文档内容仅供研究参考,付费前请自行鉴别。
3、如文档内容存在违规,或者侵犯商业秘密、侵犯著作权等,请点击“违规举报”。

碎片内容

G系列齿轮减速电机教材

您可能关注的文档

确认删除?
VIP
微信客服
  • 扫码咨询
会员Q群
  • 会员专属群点击这里加入QQ群
客服邮箱
回到顶部