电脑桌面
添加小米粒文库到电脑桌面
安装后可以在桌面快捷访问

HSE因素(危险源)评价(风险评价)办法

HSE因素(危险源)评价(风险评价)办法_第1页
1/7
HSE因素(危险源)评价(风险评价)办法_第2页
2/7
HSE因素(危险源)评价(风险评价)办法_第3页
3/7
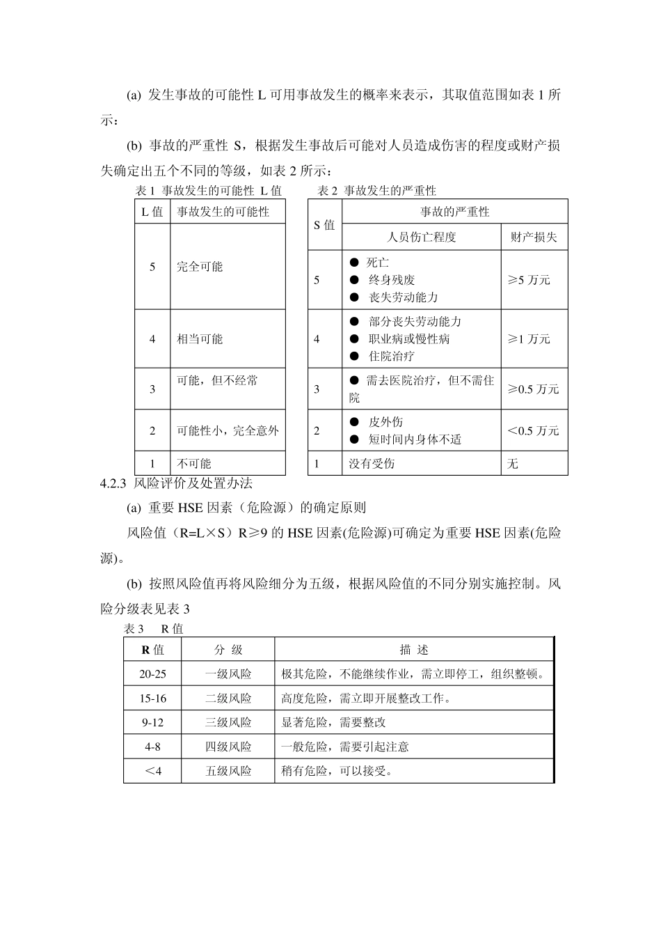
一、HSE 因素(危险源)评价(风险评价)办法 1 范围 本规定明确了对 HSE 因素(危险源)进行定量评估分析方法,以确定需实施重点控制重要 HSE 因素(危险源)。 本规定适用于公司项目工程施工范围内的 HSE 因素(危险源)评价(风险评价)。 2 引用文件 《中华人民共和国安全生产法》; 《建设工程安全生产管理条例》; 中国石油化工集团公司《安全生产监督管理制度》(2004); QG/SH132526.02-2004《HSE 因素(危险源)识别控制管理程序》; QG/SH132526.29-2004《隐患治理管理程序》。 3 评价方法 本公司对项目工程施工范围内的 HSE 因素(危险源),按其对职业安全健康的影响和对环境的影响分别进行评价。 4 职业安全健康影响评价 4.1 职业安全健康影响评价方法 根据本公司的施工生产实际情况并结合以往的经验,本公司施工范围内 HSE因素(危险源)的评价可采用以下两种办法: 一、工作危险性分析(JHA)法; 二、作业条件危险性评价(LEC)法; 4.2工作危险性分析(JHA)法 4.2.1 JHA 是将某项工作的全过程所存在的危险逐一列出,对危险发生的严重性和可能性作出评估并计算其风险值:然后根据风险值提出控制风险的方法,最后可列出经过风险控制后的剩余危险。 R=L×S 式中:R:风险值; L:事故发生的可能性; S:发生事故后的严重性。 4.2.2 L、S的评分方法 (a) 发生事故的可能性L 可用事故发生的概率来表示,其取值范围如表1 所示: (b) 事故的严重性S,根据发生事故后可能对人员造成伤害的程度或财产损失确定出五个不同的等级,如表2 所示: 表1 事故发生的可能性 L 值 表2 事故发生的严重性 L 值 事故发生的可能性 S 值 事故的严重性 5 完全可能 人员伤亡程度 财产损失 5 ● 死亡 ● 终身残废 ● 丧失劳动能力 ≥5 万元 4 相当可能 4 ● 部分丧失劳动能力 ● 职业病或慢性病 ● 住院治疗 ≥1 万元 3 可能,但不经常 3 ● 需去医院治疗,但不需住院 ≥0.5 万元 2 可能性小,完全意外 2 ● 皮外伤 ● 短时间内身体不适 <0.5 万元 1 不可能 1 没有受伤 无 4.2.3 风险评价及处置办法 (a) 重要HSE 因素(危险源)的确定原则 风险值(R=L×S)R≥9 的HSE 因素(危险源)可确定为重要HSE 因素(危险源)。 (b) 按照风险值再将风险细分为五级,根据风险值的不同分别实施控制。风险分级表见表3 表3 R 值 R 值 分 级 描 述 20-25 一...

1、当您付费下载文档后,您只拥有了使用权限,并不意味着购买了版权,文档只能用于自身使用,不得用于其他商业用途(如 [转卖]进行直接盈利或[编辑后售卖]进行间接盈利)。
2、本站所有内容均由合作方或网友上传,本站不对文档的完整性、权威性及其观点立场正确性做任何保证或承诺!文档内容仅供研究参考,付费前请自行鉴别。
3、如文档内容存在违规,或者侵犯商业秘密、侵犯著作权等,请点击“违规举报”。

碎片内容

HSE因素(危险源)评价(风险评价)办法

您可能关注的文档

确认删除?
VIP
微信客服
  • 扫码咨询
会员Q群
  • 会员专属群点击这里加入QQ群
客服邮箱
回到顶部