电脑桌面
添加小米粒文库到电脑桌面
安装后可以在桌面快捷访问

IIC与IIB的区别

IIC与IIB的区别_第1页
1/6
IIC与IIB的区别_第2页
2/6
IIC与IIB的区别_第3页
3/6
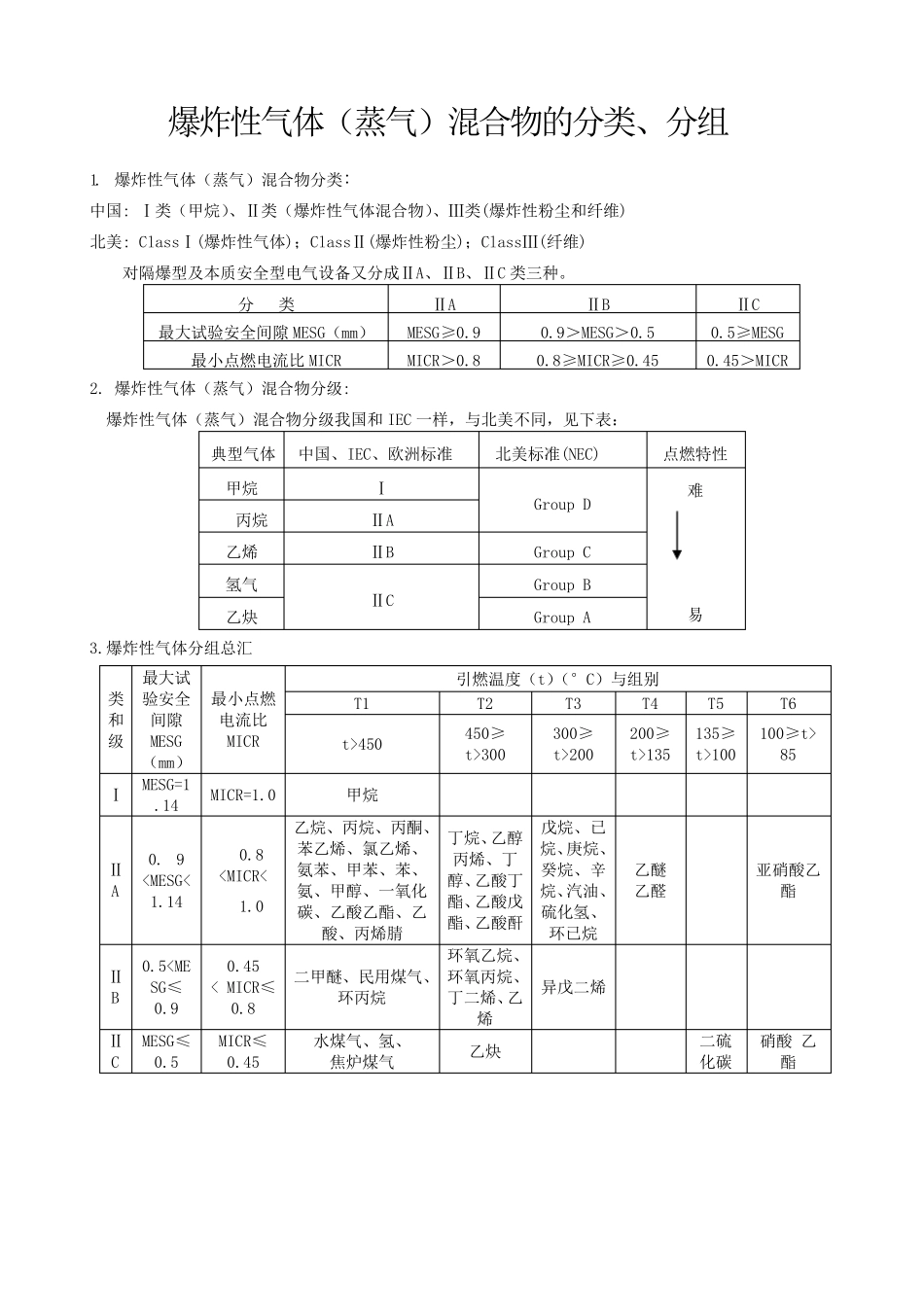
防爆电器产品的分类 1. 按使用场所不同分为: Ⅰ类:煤矿用防爆电器; Ⅱ类:工厂用防爆电器; 2. 按用途不同分为: 灯具:有内装灯泡、灯管及 LED 三种; 电器:操作柱、开关、按钮、配电箱、起动器、控制柜; 管件:接线盒(箱)、穿线盒、活接头、挠性连接管; 仪表:安全栅、电表、电话机; 其它类:电铃、风机、风扇、变压器、插销、镇流器、加热器、空调; 3. 按最大试验安全间隙和最小点燃电流比例不同,Ⅱ类防爆电器又可分为: ⅡA 类防爆电器; ⅡB 类防爆电器; ⅡC 类防爆电器; 防爆级别:ⅡC>ⅡB>ⅡA 本质安全型及隔爆型防爆电气设备有ⅡA、ⅡB、ⅡC 分级外,其它类型无级别规定。 4. 按防爆类型分为: 隔爆型(d);增安型(e);正压型(P);充砂型(q);充油型(O);本质安全型(i);无火花型(n);气密型(h);浇封型(m);特殊型(s);粉尘防爆型(DIP);复合型(ed); 5. 按危险环境的区域选用防爆电气设备类型 0 区:ia、S; 1 区:ia、ib、d、e(部分)、m、p、O、q; 2 区:ia、ib、d、e、m、p、O、q、n. 以上符号代表:ia、ib-本质安全型;d-隔爆型;e-增安型;m-浇封型;p-正压型;O-充油型;q-充沙型;n-无火花型;S-特殊型。 S 型防爆电气设备是指不符合上述防爆型式标准的电气设备,但经检验单位认可。一般由检验单位确 认使用的危险区域。 1 区环境使用的e 型防爆电气设备仅 限 于 接线盒(箱)、三相 鼠 笼 式异 步 电动机、单插脚 荧光 灯产品。 爆炸性气体(蒸气)混合物的分类、分组 1. 爆炸性气体(蒸气)混合物分类: 中国: Ⅰ类(甲烷)、Ⅱ类(爆炸性气体混合物)、Ⅲ类(爆炸性粉尘和纤维) 北美: ClassⅠ(爆炸性气体);ClassⅡ(爆炸性粉尘);ClassⅢ(纤维) 对隔爆型及本质安全型电气设备又分成ⅡA、ⅡB、ⅡC 类三种。 分 类 ⅡA ⅡB ⅡC 最大试验安全间隙MESG(mm) MESG≥0.9 0.9>MESG>0.5 0.5≥MESG 最小点燃电流比MICR MICR>0.8 0.8≥MICR≥0.45 0.45>MICR 2. 爆炸性气体(蒸气)混合物分级: 爆炸性气体(蒸气)混合物分级我国和IEC 一样,与北美不同,见下表: 典型气体 中国、IEC、欧洲标准 北美标准(NEC) 点燃特性 甲烷 Ⅰ Group D 难 易 丙烷 ⅡA 乙烯 ⅡB Group C 氢气 ⅡC Group B 乙炔 Group A 3.爆炸性气体分组总汇 类和级 最大试验安全间隙MESG(mm) 最小点燃电...

1、当您付费下载文档后,您只拥有了使用权限,并不意味着购买了版权,文档只能用于自身使用,不得用于其他商业用途(如 [转卖]进行直接盈利或[编辑后售卖]进行间接盈利)。
2、本站所有内容均由合作方或网友上传,本站不对文档的完整性、权威性及其观点立场正确性做任何保证或承诺!文档内容仅供研究参考,付费前请自行鉴别。
3、如文档内容存在违规,或者侵犯商业秘密、侵犯著作权等,请点击“违规举报”。

碎片内容

IIC与IIB的区别

确认删除?
VIP
微信客服
  • 扫码咨询
会员Q群
  • 会员专属群点击这里加入QQ群
客服邮箱
回到顶部