电脑桌面
添加小米粒文库到电脑桌面
安装后可以在桌面快捷访问

IR2110初认识VIP专享

IR2110初认识_第1页
1/6
IR2110初认识_第2页
2/6
IR2110初认识_第3页
3/6
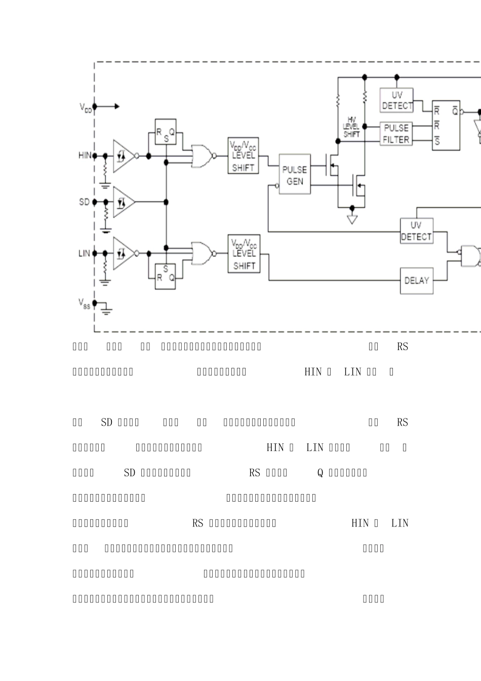
5)驱动电路设计 IR2110 是 美 国 国 际 整 流 器 公 司 ( International Rectifier Company)于 1990 年前后开发并 投放市场至今独家生产的大功率 MOSFET 专用驱动集成电路。IR2110 的研制成功,使 MOSFET 驱动电路设计大为简化,又具有快速完整的保护功能,因而它 的应用可极大地提高控制系统的可靠性并缩小控制板的尺寸。IR2110 自举技术 (自举电路也叫升压电路,利用自举升压二极管,自举升压电容等电子元件,使电容放电电压和电源电压叠加,从而使电压升高.有的电路升高的电压能达到数倍电源电压 .自举二极管的作用,是利用其单向导电性完成电位叠加自举,二极管导通时,电容充电到U 1 ,二极管截止时,电路通过电容放电时U 1 与电路串联叠加自举!)同时输出两路驱动信号,驱动逆变桥中高压侧与低压侧 MOSFET,它的内部为自举工作设计了悬浮电源,悬浮电源保证了 IR2110 直接可用于母线电压为-4——+500V 的系统中来驱 动功率 MOSFET。 同时器件本身允许驱动信号的电压上升率达±50V/μ s, 芯片自身有整形功能, 实 现了不论其输入信号前后沿陡度如何,都可保证加到被驱动 MOSFET 栅极上的驱动信号前后沿很陡, 因而可极大地减少被驱动功率器件的开关时间,降低开关损耗。IR2110 的功耗很小,故可极大地减小应用它来驱动功率 MOS 器件时栅极驱动电路的电源容量。从而可减小栅极驱动电路的体积和尺寸,当其工作电源电压为 15V 时,其功耗仅为 1.6mW。 IR2110 的合理设计,使其输入级电源与输出级电源可应用不同的电压值,因而保证了其输入与 CMOS 或 TTL 电平兼容,而输出具有较宽的驱动电压范围,它允许的工作电压范围为 5-20V。同时, 允许逻辑地与工作地之间有-5--+5V 的电位差。在 IR2110 内部不但集成有独立的逻辑电源实现与用户脉冲匹配,而且还集成有滞后和下拉特 性的施密特触发器作为输入级,保证当驱动电路电压不足时封锁驱动信号,防止被驱动功率 MOS 器 件退出饱和区、进入放大区而损坏。IR2110 完善的设计,使它自身可对输入的两个通道信号之间产生合适的延时,保证加到被驱动 的同桥臂上的两个功率 MOS 器件的驱动信号之间有一互锁时间间隔,防止了被驱动的逆变桥中两个 功率 MOS 器件同时导通,防止了直通短路的危险。 IR2110 的的最高工作频率较高,内部对信号的延时很小。对两个通道来说,其典型开通延时为120ns,而关断延时为 94ns,且两个通...

1、当您付费下载文档后,您只拥有了使用权限,并不意味着购买了版权,文档只能用于自身使用,不得用于其他商业用途(如 [转卖]进行直接盈利或[编辑后售卖]进行间接盈利)。
2、本站所有内容均由合作方或网友上传,本站不对文档的完整性、权威性及其观点立场正确性做任何保证或承诺!文档内容仅供研究参考,付费前请自行鉴别。
3、如文档内容存在违规,或者侵犯商业秘密、侵犯著作权等,请点击“违规举报”。

碎片内容

小辰6+ 关注
实名认证
内容提供者

出售各种资料和文档

相关标签

确认删除?
VIP
微信客服
  • 扫码咨询
会员Q群
  • 会员专属群点击这里加入QQ群
客服邮箱
回到顶部