电脑桌面
添加小米粒文库到电脑桌面
安装后可以在桌面快捷访问

L6599高压谐振控制器芯片中文资料

L6599高压谐振控制器芯片中文资料_第1页
1/29
L6599高压谐振控制器芯片中文资料_第2页
2/29
L6599高压谐振控制器芯片中文资料_第3页
3/29
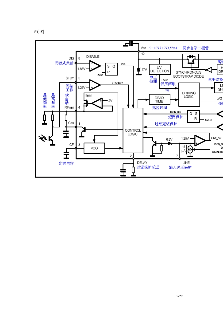
L 6599 高压谐振控制器 特征  50%占空比,谐振半桥变频控制  高精度振荡器  高至 500kHz 的工作频率 序号编码 器件编码 封 装 包 装 L6599D SO-16N 管装 L6599DTRSO-16N 卷带 L6599NDIP16管装  两级过流保护:变频和停机闭锁  与 PFC 控制器的接口  自锁禁止输入  轻载脉冲工作模式  上电/断电顺序或欠压保护输入  单调输出电压上升为非线性软启动  整合了一个能够承受600V以上电压的高压浮动结构和一个同步驱动式高压横向双扩散金属氧化物半导体(LDMOS)器件,节省了一个外部快速恢复自举二极管  用低电压下拉方式为两个栅驱动器提供一个输出电流 0.3A 和灌入电流 0.8A的典型峰值电流处理能力。  DIP-16 ,SO-16N 两种封装 特征  液晶电视和等离子电视的电源  台式电脑和初级服务器  电信设备开关电源  交直流适配器的开关电源 1/29 框图 2 /2 9 目录 1 驱动描述 . . . . . . . . . . . . . . . . . . . . . . . . . . . . . . . . . . . . . . . . . . . . . . . . . .4 2 引脚设置 . . . . . . . . . . . . . . . . . . . . . . . . . . . . . . . . . . . . . . . . . . . . . . . . . .5 2.1 引脚排列 . . . . . . . . . . . . . . . . . . . . . . . . . . . . . . . . . . . . . . . . . . . . . . . . . . . .5 2.2 引脚功能说明 . . . . . . . . . . . . . . . . . . . . . . . . . . . . . . . . . . . . . . . . . . . . . . . . 5 3 典型系统框图 . . . . . . . . . . . . . . . . . . . . . . . . . . . . . . . . . . . . . . . . . . . . . . 7 4 电气数据 . . . . . . . . . . . . . . . . . . . . . . . . . . . . . . . . . . . . . . . . . . . . . . . . . . 7 4.1 极限参数 . . . . . . . . . . . . . . . . . . . . . . . . . . . . . . . . . . . . . . . . . . . . . . . . . . . . . .7 4.2 热相关数据 . . . . . . ...

1、当您付费下载文档后,您只拥有了使用权限,并不意味着购买了版权,文档只能用于自身使用,不得用于其他商业用途(如 [转卖]进行直接盈利或[编辑后售卖]进行间接盈利)。
2、本站所有内容均由合作方或网友上传,本站不对文档的完整性、权威性及其观点立场正确性做任何保证或承诺!文档内容仅供研究参考,付费前请自行鉴别。
3、如文档内容存在违规,或者侵犯商业秘密、侵犯著作权等,请点击“违规举报”。

碎片内容

L6599高压谐振控制器芯片中文资料

您可能关注的文档

确认删除?
VIP
微信客服
  • 扫码咨询
会员Q群
  • 会员专属群点击这里加入QQ群
客服邮箱
回到顶部