电脑桌面
添加小米粒文库到电脑桌面
安装后可以在桌面快捷访问

房建工程质量检查表

房建工程质量检查表_第1页
1/18
房建工程质量检查表_第2页
2/18
房建工程质量检查表_第3页
3/18
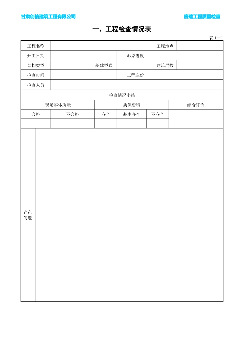
甘肃创信建筑工程有限公司房建工程质量检查一、工程检查情况表表 1—1工程名称开工日期结构类型检查时间检查人员基础型式形象进度工程造价检查情况小结现场实体质量合格不合格齐全质保资料基本齐全不齐全综合评价建筑层数工程地点存在问题甘肃创信建筑工程有限公司房建工程质量检查二、混凝土工程质保资料检查用表(质量保证资料及施工质量部分)表 2—1序类号别检查项目检查方法及内容评价备注1强度或承载力灰土地基、砂和砂石地基、土工合成地基、粉煤灰地基、强夯地查阅地基承载力检测报告基、注浆地基、预压地基□符合□基本符合□不符合2地基基础工程承载力复合地基 (水泥土搅拌桩、高压喷射注浆桩、振冲桩、土和灰查阅复合地基承载力检测土挤密桩、水泥粉煤报告灰碎石桩、夯实水泥土桩等) 及砂桩地基□符合□基本符合□不符合3打(压)入桩(预制砼桩钢桩)桩位的允许偏差钻孔灌注桩位的允许偏差位置及倾斜度,钢桩、 查阅试桩、工程桩承载力和预制桩外观、强度检完整性检测数量、检测结果查必须合格及桩位验收记录□符合□基本符合□不符合4平面位置垂直度合格,混凝土强度必须合格,承载力检测合格清除基坑垃圾树根等杂物和清除积水淤泥,验收底板高,对有控制压实系数要求的回填前应作压实试验查阅施工记录、抽查试块强□符合度报告;核查试桩、工程桩 □基本符合承载力和完整性检测数量、 □不符合检测结果5基础回填土查阅压实度报告□符合□基本符合□不符合67钢筋的力学性能检查产品合格证、出场检验报告和进场复验报告□符合□基本符合□不符合现场检查和抽测受力钢筋钢筋的品种、级别、规格和数量的品种、级别、规格和数量是否符合设计要求□符合□基本符合□不符合甘肃创信建筑工程有限公司房建工程质量检查表 3-2序类号别检查项目检查方法及内容评价备注8钢筋安装检查作业面上的受力钢筋□符合□基本符合的品种、级别、规格和数量;节点部位的箍筋间距,混凝□不符合土保护层厚度。查阅产品合格证、出厂检验报告和进场复验报告检查预应力筋的品种、级别、规格和数量□符合□基本符合□不符合□符合□基本符合□不符合9预应力筋力学性能检验10预应力筋安装11预应力筋断裂或滑脱数量混凝土水泥的品种、级别、出厂日期及12结强度、安定性构13外加剂根据张拉记录和现场观察, □符合检查同一截面预应力筋断□基本符合□不符合裂或滑脱数量检查产品合格证、出厂检验报告和进场复试报告对照产品合格证、出厂检验报告及进场复试...

1、当您付费下载文档后,您只拥有了使用权限,并不意味着购买了版权,文档只能用于自身使用,不得用于其他商业用途(如 [转卖]进行直接盈利或[编辑后售卖]进行间接盈利)。
2、本站所有内容均由合作方或网友上传,本站不对文档的完整性、权威性及其观点立场正确性做任何保证或承诺!文档内容仅供研究参考,付费前请自行鉴别。
3、如文档内容存在违规,或者侵犯商业秘密、侵犯著作权等,请点击“违规举报”。

碎片内容

房建工程质量检查表

爱的疯狂+ 关注
实名认证
内容提供者

该用户很懒,什么也没介绍

确认删除?
VIP
微信客服
  • 扫码咨询
会员Q群
  • 会员专属群点击这里加入QQ群
客服邮箱
回到顶部