电脑桌面
添加小米粒文库到电脑桌面
安装后可以在桌面快捷访问

承包单位用表A表

承包单位用表A表_第1页
1/19
承包单位用表A表_第2页
2/19
承包单位用表A表_第3页
3/19
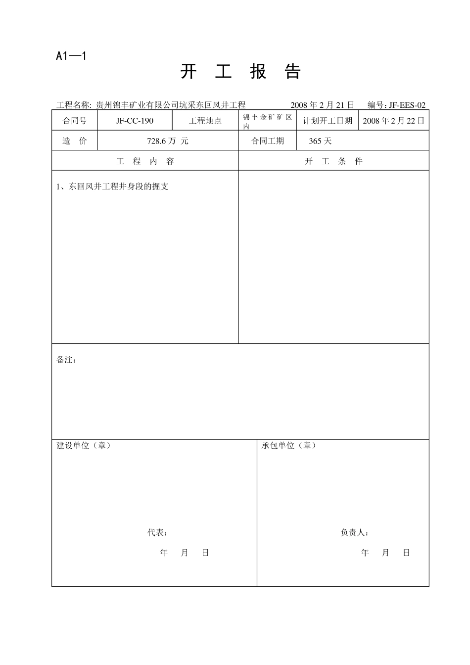
A1工程开工/复工报审表工程名称:编号:致:(监理单位)我方承担的工程,已完成了以下各项工作,具备了开工/复工条件,特此申请施工,请核查并签发开工/复工指令。附:1、开工报告2、(证明文件)承包单位(章)项目经 理日期审查意见:项目监理机构总监理工程师日期A1—1开工报告工程名称: 贵州锦丰矿业有限公司坑采东回风井工程2008 年 2 月 21 日编号:JF-EES-02合同号造价JF-CC-190工程地点锦 丰 金 矿 矿 区内计划开工日期365 天2008 年 2 月 22 日728.6 万 元工程内容合同工期开工条件1、东回风井工程井身段的掘支备注:建设单位(章)代表:年月日承包单位(章)负责人:年月日图纸会审记录会审地点:湘质监统编施2002-9工程名称:共页第页会审时间:年月日会审议定事项勘察单位名称:参加人姓名、专业职称:设计单位名称:参加人姓名、专业职称:施工单位名称:参加人姓名、专业职称:质量监督站名称:参加人姓名、专业职称:建设单位名称:参加人姓名、专业职称:监理(建设)单位名称:参加人姓名、专业职称:监理(建设)项目部(章)年月日记录人:注:①记录人应将会议审定的内容整理成《××工程图纸会审纪要》后,再交会审单位参加的项目负责人会审定稿,作为该记录的附件。②会审议定事项即为会审纪要中需要或已议定内容的概要。③该记录及附件(纪要)应打印、且文字规范,签字手续齐全。A2施工组织设计(方案)报审表工程名称:致:(监理单位)编号:我方已根据施工合同的有关规定完成了工程施工组织设计(方案)的编制,并经我单位上级技术负责人审查批准,请予以审查。附:施工组织设计(方案)承包单位(章)项目 经理日期专业监理工程师审查意见:专业监理工程师日期总监理工程师审核意见:项目监理机构总监理工程师日期主要施工机械设备报审表工程名称:致:(监理单位)编号:下列施工设备已按施工组织设计(方案)要求进场,请核查并准予使用。设备名称规格型号数 量进场日期技术状况备 注承包单位(章)项目经理日期专业监理工程师审查意见:经查验:1、性能数量能满足施工需要的设备:准予进场使用;2、性能不符合施工需要的设备:需要更换后再报;3、数量或能力不足的设备:需要补充完善。请你方尽快按施工进度要求,配足所需设备。项目监理机构专业监理工程师日期A3分包单位资格报审表工程名称:致:(监理单位)编号:经考察,我方认为拟选择的(分包单位)具有承担下列工程的施工资质和施工...

1、当您付费下载文档后,您只拥有了使用权限,并不意味着购买了版权,文档只能用于自身使用,不得用于其他商业用途(如 [转卖]进行直接盈利或[编辑后售卖]进行间接盈利)。
2、本站所有内容均由合作方或网友上传,本站不对文档的完整性、权威性及其观点立场正确性做任何保证或承诺!文档内容仅供研究参考,付费前请自行鉴别。
3、如文档内容存在违规,或者侵犯商业秘密、侵犯著作权等,请点击“违规举报”。

碎片内容

承包单位用表A表

确认删除?
VIP
微信客服
  • 扫码咨询
会员Q群
  • 会员专属群点击这里加入QQ群
客服邮箱
回到顶部