电脑桌面
添加小米粒文库到电脑桌面
安装后可以在桌面快捷访问

挖孔灌注桩施工方案

挖孔灌注桩施工方案_第1页
1/18
挖孔灌注桩施工方案_第2页
2/18
挖孔灌注桩施工方案_第3页
3/18
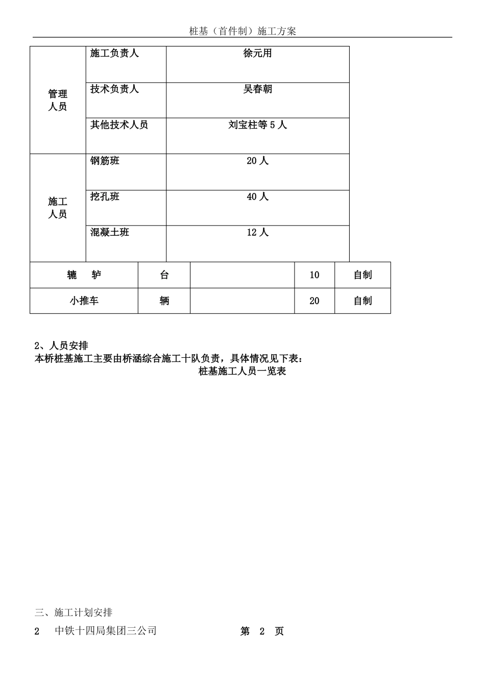
桩基(首件制)施工方案挖孔灌注桩施工方案一、工程概况迳古潭高架桥位于信丰县小江镇迳古潭林场南侧,距迳古潭林场约 350 米。本桥位区的地层结构及岩性较简单,覆盖层主要有粘土、中粗砂、砂粒土、碎石土,覆盖层较薄,平均厚度两米左右。基岩主要为砂质板岩、砂质板岩夹变余砂岩,桥位两端基岩全-强风化层较厚,而中部较薄,本大桥的弱风化砂质板岩及微风化砂质板岩夹变余砂岩为持力层。(1)本桥上部结构为 5x30(6x30)米预应力先简支后结构连续的连续 T 梁,分离式横断面,单幅桥两孔横向布设 6 片梁,双幅每孔 12 片梁,单片梁宽 2.1 米,梁高 1.9 米。全桥桥台处共设置两道 80 型伸缩缝。(2)桥台均为柱式台,桩基础,桩径为Φ1.5 米,桥墩均为双柱式墩,桩基础,柱径为Φ1.6 米,桩径为Φ1.8 米。根据实际情况成孔采用挖孔施工.二、桩基主要工程数量墩台号桩径(m)桩长(m)根数备注0#台Φ1.52761#墩(右幅)Φ1.82421#墩(左幅)Φ1.82122#墩(右幅)Φ1.82222#墩(左幅)Φ1.82223#墩(右幅)Φ1.82223#墩(左幅)Φ1.82224#墩(右幅)Φ1.81924#墩(左幅)Φ1.82025#墩(右幅)Φ1.82625#台(左幅)Φ1.53036#台(右幅)Φ1.5273三、施工机具设备及人员安排1、迳古潭高架桥桩基施工主要机械设备及机具见下表:主 要 施 工 机 械 设 备 及 机 具 配 备 表设备名称单位型号数量备注切筋机弯筋机电焊机砼输送泵塔吊12T吊车内燃空压机发电机日 立 反 铲东风自卸车台台台辆台台台台台台CQ40F 型CW40 型BX1-250F 交流2241223114QY12ZS111045KWEX200-5HQG31321中铁十四局集团三公司第 1页桩基(首件制)施工方案施工负责人徐元用管理人员技术负责人其他技术人员吴春朝刘宝柱等 5 人钢筋班挖孔班混凝土班20 人40 人12 人施工人员辘轳小推车台辆1020自制自制2、人员安排本桥桩基施工主要由桥涵综合施工十队负责,具体情况见下表:桩基施工人员一览表三、施工计划安排2中铁十四局集团三公司第 2页桩基(首件制)施工方案具体施工安排见下表迳古潭(二)高架桥挖孔桩基础施工进度横道图日期9 月10 月中旬下旬上旬中旬下旬墩台号0#1#2#3#4#5#6#四、施工方案(一)挖孔施工1、施工准备清理现场杂物、软弱覆盖层,做好排水系统,如桩位位于水沟中要改沟引水,准备好护壁模板及钻孔、出渣的机具。2、测放桩位通过导线控制点测放桩基位置并引出护桩,护桩位置尽量位于正交的连线上并不受挖孔施工影响...

1、当您付费下载文档后,您只拥有了使用权限,并不意味着购买了版权,文档只能用于自身使用,不得用于其他商业用途(如 [转卖]进行直接盈利或[编辑后售卖]进行间接盈利)。
2、本站所有内容均由合作方或网友上传,本站不对文档的完整性、权威性及其观点立场正确性做任何保证或承诺!文档内容仅供研究参考,付费前请自行鉴别。
3、如文档内容存在违规,或者侵犯商业秘密、侵犯著作权等,请点击“违规举报”。

碎片内容

挖孔灌注桩施工方案

您可能关注的文档

确认删除?
VIP
微信客服
  • 扫码咨询
会员Q群
  • 会员专属群点击这里加入QQ群
客服邮箱
回到顶部