电脑桌面
添加小米粒文库到电脑桌面
安装后可以在桌面快捷访问

排水管道施工技术要求内容

排水管道施工技术要求内容_第1页
1/12
排水管道施工技术要求内容_第2页
2/12
排水管道施工技术要求内容_第3页
3/12
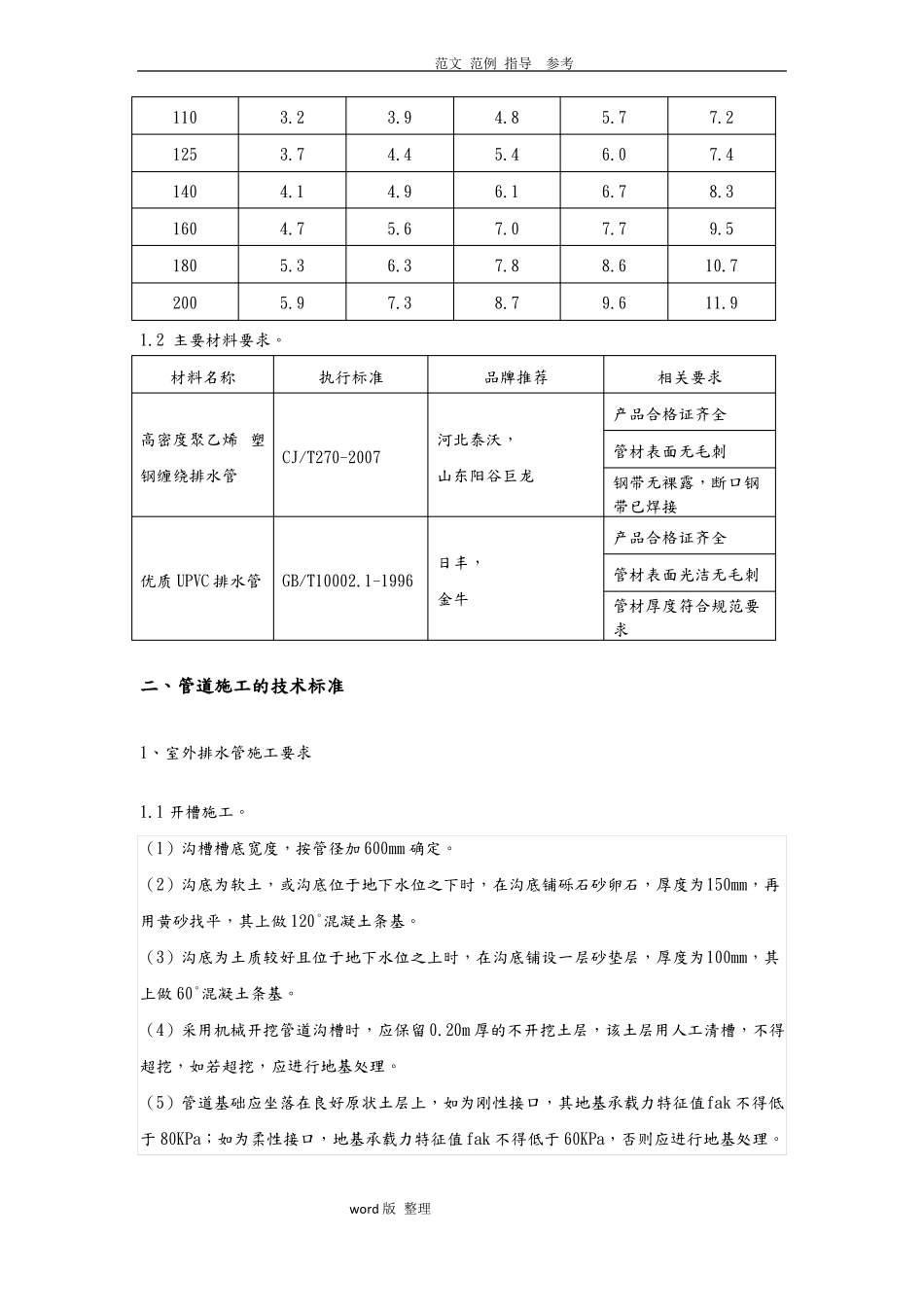
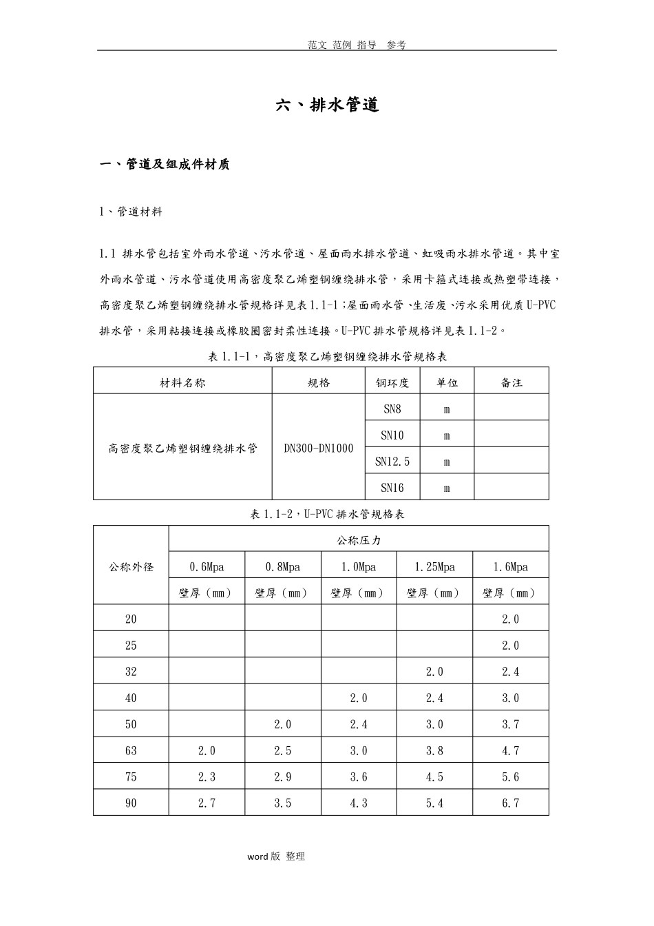
范文 范例 指导参考六、排水管道一、管道及组成件材质1、管道材料1.1 排水管包括室外雨水管道、污水管道、屋面雨水排水管道、虹吸雨水排水管道。其中室外雨水管道、污水管道使用高密度聚乙烯塑钢缠绕排水管,采用卡箍式连接或热塑带连接,高密度聚乙烯塑钢缠绕排水管规格详见表 1.1-1;屋面雨水管、生活废、污水采用优质 U-PVC排水管,采用粘接连接或橡胶圈密封柔性连接。U-PVC 排水管规格详见表 1.1-2。表 1.1-1,高密度聚乙烯塑钢缠绕排水管规格表材料名称规格钢环度SN8SN10高密度聚乙烯塑钢缠绕排水管DN300-DN1000SN12.5SN16表 1.1-2,U-PVC 排水管规格表公称压力公称外径0.6Mpa壁厚(mm)20253240506375902.02.32.70.8Mpa壁厚(mm)2.02.52.93.51.0Mpa壁厚(mm)2.02.43.03.64.31.25Mpa壁厚(mm)2.02.43.03.84.55.41.6Mpa壁厚(mm)2.02.02.43.03.74.75.66.7mm单位mm备注word 版 整理范文 范例 指导参考1101251401601802003.23.74.14.75.35.93.94.44.95.66.37.34.85.46.17.07.88.75.76.06.77.78.69.67.27.48.39.510.711.91.2 主要材料要求。材料名称执行标准品牌推荐相关要求产品合格证齐全高密度聚乙烯 塑CJ/T270-2007钢缠绕排水管山东阳谷巨龙河北泰沃,管材表面无毛刺钢带无裸露,断口钢带已焊接产品合格证齐全日丰,优质 UPVC 排水管GB/T10002.1-1996金牛管材表面光洁无毛刺管材厚度符合规范要求二、管道施工的技术标准1、室外排水管施工要求1.1 开槽施工。(1)沟槽槽底宽度,按管径加 600mm 确定。(2)沟底为软土,或沟底位于地下水位之下时,在沟底铺砾石砂卵石,厚度为150mm,再用黄砂找平,其上做 120°混凝土条基。(3)沟底为土质较好且位于地下水位之上时,在沟底铺设一层砂垫层,厚度为100mm,其上做 60°混凝土条基。(4)采用机械开挖管道沟槽时,应保留 0.20m 厚的不开挖土层,该土层用人工清槽,不得超挖,如若超挖,应进行地基处理。(5)管道基础应坐落在良好原状土层上,如为刚性接口,其地基承载力特征值fak 不得低于 80KPa;如为柔性接口,地基承载力特征值 fak 不得低于 60KPa,否则应进行地基处理。word 版 整理范文 范例 指导参考(6)地基土被扰动,应采取如下处理措施:扰动 150mm 以内,可原状土夯实,压实系数≥0.95;扰动 150mm 以上,可用 3:7 灰土、卵石、碎石、毛石等填充夯实,压实系数≥0.95。(7)沟槽槽底净宽度,可按各地区的具体情况并根据管径大小、埋设深...

1、当您付费下载文档后,您只拥有了使用权限,并不意味着购买了版权,文档只能用于自身使用,不得用于其他商业用途(如 [转卖]进行直接盈利或[编辑后售卖]进行间接盈利)。
2、本站所有内容均由合作方或网友上传,本站不对文档的完整性、权威性及其观点立场正确性做任何保证或承诺!文档内容仅供研究参考,付费前请自行鉴别。
3、如文档内容存在违规,或者侵犯商业秘密、侵犯著作权等,请点击“违规举报”。

碎片内容

排水管道施工技术要求内容

您可能关注的文档

确认删除?
VIP
微信客服
  • 扫码咨询
会员Q群
  • 会员专属群点击这里加入QQ群
客服邮箱
回到顶部