电脑桌面
添加小米粒文库到电脑桌面
安装后可以在桌面快捷访问

政人行横道挡土墙建筑物表格

政人行横道挡土墙建筑物表格_第1页
1/35
政人行横道挡土墙建筑物表格_第2页
2/35
政人行横道挡土墙建筑物表格_第3页
3/35
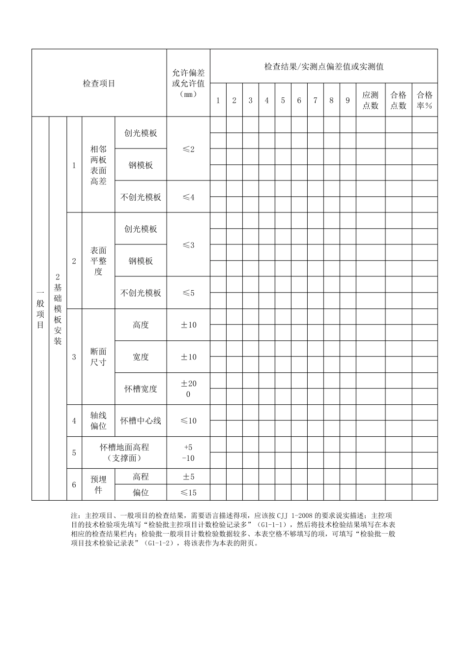
市政人行横道挡土墙构筑物表格现浇人行地道(挡土墙)结构钢筋混凝土基础模板安装检验批质量验收记录表CJJ 1-2008工程名称施工单位单位工程名称分项工程名称工程数量制表人交房班组检 查 项 目项目经理施工负责人接方班组允许偏差或偏差值(mm)符合 GB50204-2002第 4.1.1 条的规定分部工程名称验收部位技术负责人质量检验员检验日期检 查 结 果年月日1模板和支架的承载能力主控2项目隔离剂涂刷符合 GB50204-2002第 4.2.2 条的规定3模板及支架拆除时的砼强度符合 GB50204-2002第 4.3 条的规定检 查 项 目允许偏差或偏差值(mm)检查结果/实测点偏差值或实测值123456789应测合格合格点数点数率%外观1模一板般的项一目般要求符合 GB50204-2002第 4.2.3 条的规定用作模板的地坪、胎膜质量符合 GB50204-2002第 4.2.4 条的规定模板起拱高度符合 GB50204-2002第 4.2.5 条的规定检查项目允许偏差或允许值(mm)检查结果/实测点偏差值或实测值应测合格合格点数点数率%123456789创光模板相邻两板表面高差≤2钢模板1不创光模板≤4创光模板表面平整度≤3钢模板22基一础般模项板目安装3不创光模板≤5高度断面尺寸±10宽度±10±200≤10+5-10±5≤15怀槽宽度轴线偏位4怀槽中心线5怀槽地面高程(支撑面)预埋件高程偏位6注:主控项目、一般项目的检查结果,需要语言描述得项,应该按 CJJ 1-2008 的要求说实描述;主控项目的技术检验项先填写“检验批主控项目计数检验记录多”(G1-1-1),然后将技术检验结果填写在本表相应的检查结果栏内;检验批一般项目计数检验数据较多、本表空格不够填写的项,可填写“检验批一般项目技术检验记录表”(G1-1-2),将该表作为本表的附页。现浇人行地道(挡土墙)结构钢筋混凝土侧墙与顶板模板安装检验批质量验收记录表CJJ 1-2008工程名称施工单位单位工程名称分项工程名称工程数量制表人交房班组检 查 项 目项目经理施工负责人接方班组允许偏差或偏差值(mm)符合 GB50204-2002第 4.1.1 条的规定分部工程名称验收部位技术负责人质量检验员检验日期检 查 结 果年月日1模板和支架的承载能力主控2项目隔离剂涂刷符合 GB50204-2002第 4.2.2 条的规定3模板及支架拆除时的砼强度符合 GB50204-2002第 4.3 条的规定检 查 项 目允许偏差或偏差值(mm)检查结果/实测点偏差值或实测值123456789应测合格合格点数点数率%外观1模一板般的项一目般要求符合 GB50204-2002第 4.2.3 条...

1、当您付费下载文档后,您只拥有了使用权限,并不意味着购买了版权,文档只能用于自身使用,不得用于其他商业用途(如 [转卖]进行直接盈利或[编辑后售卖]进行间接盈利)。
2、本站所有内容均由合作方或网友上传,本站不对文档的完整性、权威性及其观点立场正确性做任何保证或承诺!文档内容仅供研究参考,付费前请自行鉴别。
3、如文档内容存在违规,或者侵犯商业秘密、侵犯著作权等,请点击“违规举报”。

碎片内容

政人行横道挡土墙建筑物表格

爱的疯狂+ 关注
实名认证
内容提供者

该用户很懒,什么也没介绍

相关文档

确认删除?
VIP
微信客服
  • 扫码咨询
会员Q群
  • 会员专属群点击这里加入QQ群
客服邮箱
回到顶部