电脑桌面
添加小米粒文库到电脑桌面
安装后可以在桌面快捷访问

旋挖施工桩基技术交底

旋挖施工桩基技术交底_第1页
1/15
旋挖施工桩基技术交底_第2页
2/15
旋挖施工桩基技术交底_第3页
3/15
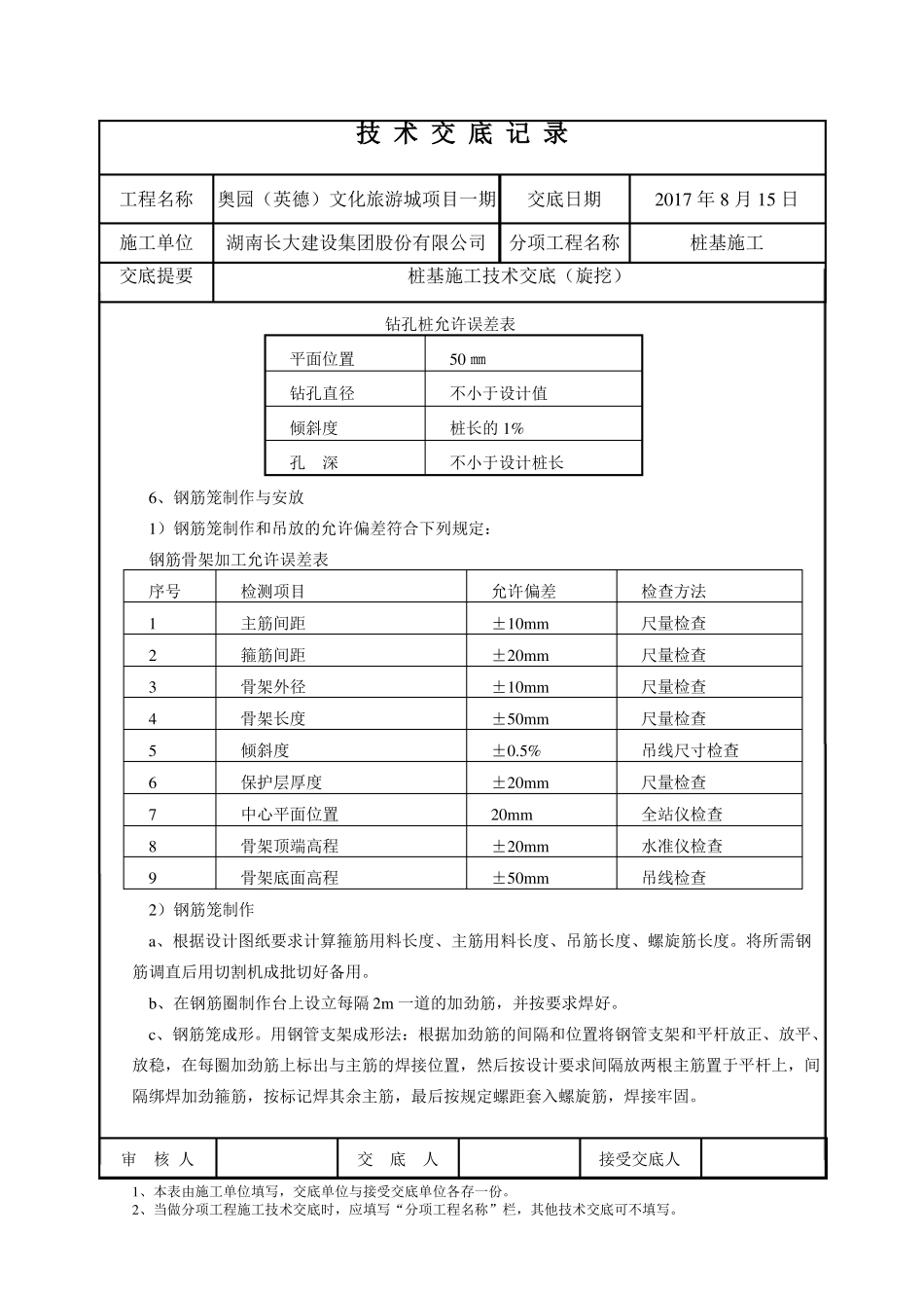
技 术 交 底 记 录工程名称奥园(英德)文化旅游城项目一期施工单位交底提要一、工程概况交底日期2017 年 8 月 15 日桩基施工湖南长大建设集团股份有限公司分项工程名称桩基施工技术交底(旋挖)本工程采用旋挖钻施工的桩基共有激流勇进Φ600 桩基 73 根,Φ800 桩基 86 根,城堡Φ600桩基 285 根,揽月游览车Φ600 桩基 171 根,星空过山车Φ600 桩基 165 根,矿山过山车Φ600桩基 221 根,双排青蛙跳Φ600 桩基 14 根,迷你跳伞塔Φ600 桩基 5 根。所有桩基均为端承桩,桩身混凝土充盈系数不小于 1.10,超灌长度不小于 0.8,桩底沉渣厚度不大于 50mm。根据桩基工程数量、实施性的施工方案及工期要求,拟安排一个桥梁桩基施工队1 台旋挖钻机,对本工程桩基工程进行施工作业。二、 施工准备1 主要机具:旋挖钻机、钢筋切割机、钢筋弯曲机、电焊机、潜水泥浆泵、碘钨灯、挖机、吊车。2 材料:选取施工需要材料的厂家进行洽谈,初步确定意向后抽取材料样品送至项目部委托的试验检测单位进行试验检测。材料经检测合格后,报送至监理工程师处,批准后方允许进场。3 场地准备对桩基区域内场地进行平整清理,挖除淤泥、回填粘土及挖临时排水沟,做好现场临时排水措施。为方便施工场地材料存放及钢筋笼的制作,对部分区域进行地面硬化处理。三、施工工法桩基施工采用旋挖钻机钻进成孔水下导管灌注法施工。测量放线→埋设护筒→钻机就位→泥浆制备→钻进成孔→钢筋笼制做与安装→导管安装→砼搅拌、运输、灌注→成桩移位。1、测量放线据设计院提供的基准点和高程点,利用全站仪测放所有桩位,并用水准仪测定所有标高,自检无误后,交甲方及监理验收,验收合格后,方可正式施工。2、埋设护筒护筒采用直径大于桩径 200mm,长 3.0m 的钢制护筒,埋设护筒时采用十字定位法埋设,即在距桩中心 1.0--1.2m 处,呈垂直方向埋设四个控制桩,控制桩埋深不少于 0.5m。用回交的方法确定桩中心,埋设护筒顶口高出地面 20cm 左右,护筒周围用粘土捣实,确保护筒埋设牢固。审核 人交底人接受交底人1、本表由施工单位填写,交底单位与接受交底单位各存一份。2、当做分项工程施工技术交底时,应填写“分项工程名称”栏,其他技术交底可不填写。技 术 交 底 记 录工程名称奥园(英德)文化旅游城项目一期施工单位交底提要3、钻机就位交底日期2017 年 8 月 15 日桩基施工湖南长大建设集团股份有限公司分项工程名称...

1、当您付费下载文档后,您只拥有了使用权限,并不意味着购买了版权,文档只能用于自身使用,不得用于其他商业用途(如 [转卖]进行直接盈利或[编辑后售卖]进行间接盈利)。
2、本站所有内容均由合作方或网友上传,本站不对文档的完整性、权威性及其观点立场正确性做任何保证或承诺!文档内容仅供研究参考,付费前请自行鉴别。
3、如文档内容存在违规,或者侵犯商业秘密、侵犯著作权等,请点击“违规举报”。

碎片内容

旋挖施工桩基技术交底

您可能关注的文档

爱的疯狂+ 关注
实名认证
内容提供者

该用户很懒,什么也没介绍

确认删除?
VIP
微信客服
  • 扫码咨询
会员Q群
  • 会员专属群点击这里加入QQ群
客服邮箱
回到顶部