电脑桌面
添加小米粒文库到电脑桌面
安装后可以在桌面快捷访问

三、泡沫比例混合系统

三、泡沫比例混合系统_第1页
1/6
三、泡沫比例混合系统_第2页
2/6
三、泡沫比例混合系统_第3页
3/6
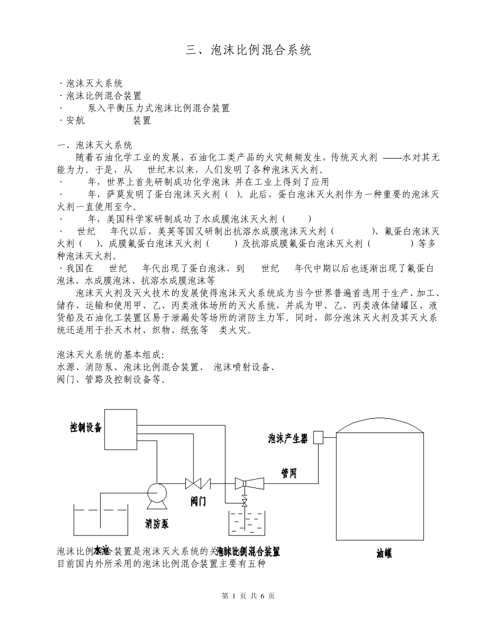
第 1 页 共 6 页 三、泡沫比例混合系统 〃泡沫灭火系统 〃泡沫比例混合装置 〃BPPH泵入平衡压力式泡沫比例混合装置 〃安航 BPPH3/100装置 一、泡沫灭火系统 随着石油化学工业的发展,石油化工类产品的火灾频频发生,传统灭火剂 ——水对其无能为力。于是,从 19世纪末以来,人们发明了各种泡沫灭火剂。 〃1890年,世界上首先研制成功化学泡沫,并在工业上得到了应用 〃1937年,萨莫发明了蛋白泡沫灭火剂(P)。此后,蛋白泡沫灭火剂作为一种重要的泡沫灭火剂一直使用至今。 〃1964年,美国科学家研制成功了水成膜泡沫灭火剂(AFFF) 〃20世纪 70年代以后,美英等国又研制出抗溶水成膜泡沫灭火剂(AFFF/AR)、氟蛋白泡沫灭火剂(FP)、成膜氟蛋白泡沫灭火剂( FFFP)及抗溶成膜氟蛋白泡沫灭火剂( FFFP/AR)等多种泡沫灭火剂。 〃我国在 20世纪 60年代出现了蛋白泡沫,到 20世纪 70年代中期以后也逐渐出现了氟蛋白泡沫、水成膜泡沫、抗溶水成膜泡沫等 泡沫灭火剂及灭火技术的发展使得泡沫灭火系统成为当今世界普遍首选用于生产、加工、储存、运输和使用甲、乙、丙类液体场所的灭火系统,并成为甲、乙、丙类液体储罐区、液货船及石油化工装置区易于泄漏处等场所的消防主力军。同时,部分泡沫灭火剂及其灭火系统还适用于扑灭木材、织物、纸张等 A类火灾。 泡沫灭火系统的基本组成: 水源、消防泵、泡沫比例混合装置、 泡沫喷射设备、 阀门、管路及控制设备等。 泡沫比例混合装置是泡沫灭火系统的关键设备。 目前国内外所采用的泡沫比例混合装置主要有五种 第 2 页 共 6 页 型式: ⒈ 管线负压式泡沫比例混合装置 ⒉ 环泵负压式泡沫比例混合装置 ⒊ 注入式泡沫比例混合装置 ⒋ 贮罐压力式泡沫比例混合装置 ⒌ 泵入平衡压力式泡沫比例混合装置 二、泡沫比例混合装置 1、管线负压式泡沫比例混合装置 泡沫推车(图略) 2、环泵负压式泡沫比例混合装置 3、注入(计量)式泡沫比例混合装置 第 3 页 共 6 页 4、贮罐压力式泡沫比例混合装置 5、泵入平衡压力式泡沫比例混合装置 管线负压式和环泵负压式沫比例混合装置适用流量、压力范围小,主要应用于移动式泡沫灭火装备中,如泡沫推车、泡沫消防车、消防船等。 注入式泡沫比例混合装置适用流量同样较小,目前仅在低混合比例的 A类泡沫灭火系统中使用。 贮罐压力式泡沫比例混合装置和泵入平衡压力式泡沫比例混合装置适用流量压力范围广...

1、当您付费下载文档后,您只拥有了使用权限,并不意味着购买了版权,文档只能用于自身使用,不得用于其他商业用途(如 [转卖]进行直接盈利或[编辑后售卖]进行间接盈利)。
2、本站所有内容均由合作方或网友上传,本站不对文档的完整性、权威性及其观点立场正确性做任何保证或承诺!文档内容仅供研究参考,付费前请自行鉴别。
3、如文档内容存在违规,或者侵犯商业秘密、侵犯著作权等,请点击“违规举报”。

碎片内容

三、泡沫比例混合系统

您可能关注的文档

确认删除?
VIP
微信客服
  • 扫码咨询
会员Q群
  • 会员专属群点击这里加入QQ群
客服邮箱
回到顶部