电脑桌面
添加小米粒文库到电脑桌面
安装后可以在桌面快捷访问

上海市仓库防火管理规定

上海市仓库防火管理规定_第1页
1/10
上海市仓库防火管理规定_第2页
2/10
上海市仓库防火管理规定_第3页
3/10
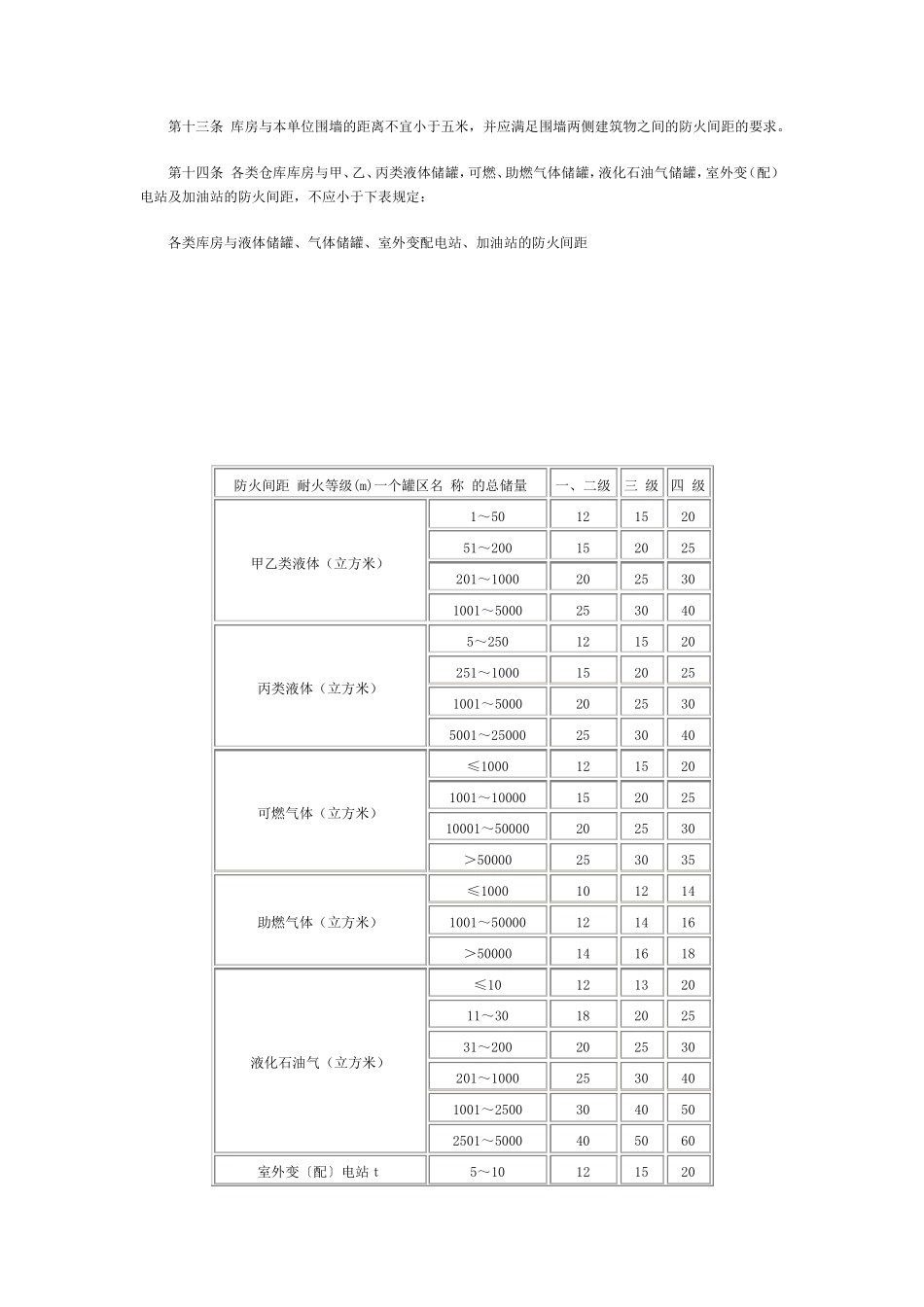
(1989 年8 月23 日上海市人民政府批准,根据2010 年12 月20 日上海市人民政府令第52 号公布的《上海市人民政府关于修改〈上海市农机事故处理暂行规定〉等148 件市政府规章的决定》修正并重新发布) 第一章 总则 第一条 为了加强对本市仓库的防火安全管理,保障国家和集体财产的安全,根据国家的有关规定,结合本市实际情况,制定本规定。 第二条 凡室内仓库的建设、设计、使用单位均应遵守本规定。 各级公安机关消防机构负责监督检查本规定的实施。 第二章 组织领导 第三条 仓库的主管部门和仓库负责人,应加强对仓库防火安全工作的领导。 各类专业仓库及中转仓库应建立防火安全委员会或防火安全领导小组,其他仓库须确定一名单位领导担任防火负责人。防火负责人的确定和变更,应向有关的公安机关消防机构备案。 第四条 火灾危险性大、储存物资价值大或距离公安消防队较远 的大型 仓库,应建立专职 消防队,并配备消防车 辆 ,其他各类专业仓库应配 备专职 消防干 部; 企 业附 属 仓库也 应有专职 或兼 职 消防人员,负责做好 本单位的消防安全工作。 第五 条 各类仓库均应建立义 务 消防队,队员人数 应不 少 于仓库职 工总人数 的百 分 之 七 十 。义 务 消防队员应掌 握 防火、灭 火知 识 和技 能 ,并应轮 流 参 加住 库值班 。 第六 条 各类仓库均应建立防火档 案,制订 灭 火作战 预 案。 第三章 仓库建造 第七 条 各类专业仓库应设在 交 通 方 便 、消防水 源 充 足 的地 点 。其中,危险物品 仓库、易 燃 物资仓库不应设在 居 民聚 集、建筑 耐 火性能 差 的区 域 内; 遇 水 容 易 发生 燃 烧 、爆 炸 的危险物品 仓库,应布置 在 地 势 较高 的地 点 ,库房 的室内地 面 应高 于室外 地 面 零 点 三米 以 上。 第八 条 危险物品 仓库和大型 可 燃 物资仓库内部应将 库房 区 、生 活 区 、辅 助 区 分 开 设置 。库房 区 与 生 活区 、辅 助 区 之 间 应用实体围 墙 隔 开 ,其耐 火极 限 不 得 低 于四小时 、高 度 不 得 低 于三米 ,或用其他防火措 施进 行分 隔 。危险物品 仓库应单独 建造 ,并不 得 设在 地 下 室和半 地 下 室内。 储存可 燃 或易 燃 物资的企 业附 属 仓库不 应与 生 活 用房 和明 火作业...

1、当您付费下载文档后,您只拥有了使用权限,并不意味着购买了版权,文档只能用于自身使用,不得用于其他商业用途(如 [转卖]进行直接盈利或[编辑后售卖]进行间接盈利)。
2、本站所有内容均由合作方或网友上传,本站不对文档的完整性、权威性及其观点立场正确性做任何保证或承诺!文档内容仅供研究参考,付费前请自行鉴别。
3、如文档内容存在违规,或者侵犯商业秘密、侵犯著作权等,请点击“违规举报”。

碎片内容

上海市仓库防火管理规定

您可能关注的文档

确认删除?
VIP
微信客服
  • 扫码咨询
会员Q群
  • 会员专属群点击这里加入QQ群
客服邮箱
回到顶部