电脑桌面
添加小米粒文库到电脑桌面
安装后可以在桌面快捷访问

下部结构钻孔灌注桩、双柱式桥墩的计算

下部结构钻孔灌注桩、双柱式桥墩的计算_第1页
1/28
下部结构钻孔灌注桩、双柱式桥墩的计算_第2页
2/28
下部结构钻孔灌注桩、双柱式桥墩的计算_第3页
3/28
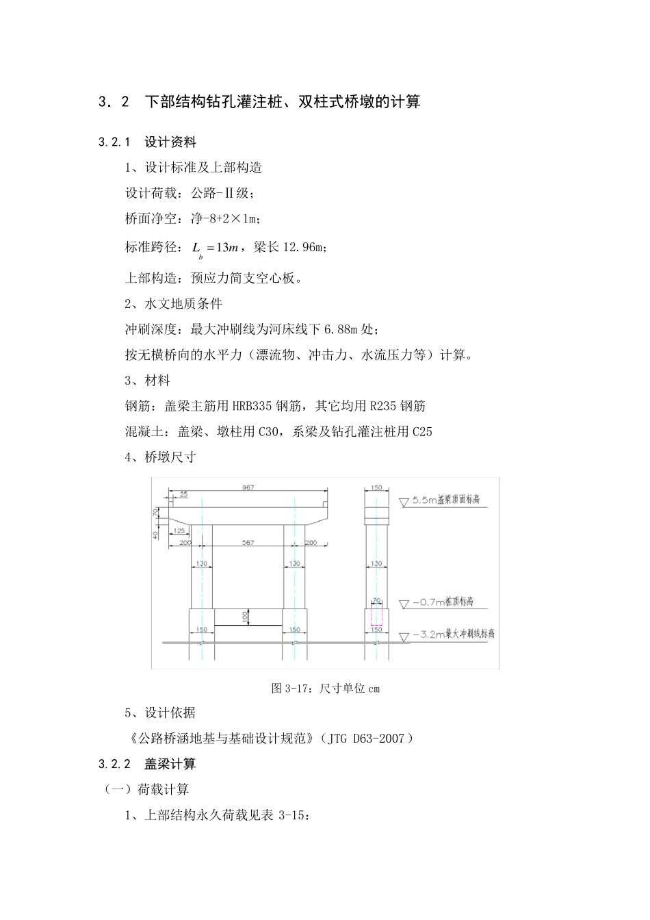
3.2 下部结构钻孔灌注桩、双柱式桥墩的计算 3.2.1 设计资料 1、设计标准及上部构造 设计荷载:公路-Ⅱ级; 桥面净空:净-8+2×1m; 标准跨径:13bLm,梁长 12.96m; 上部构造:预应力简支空心板。 2、水文地质条件 冲刷深度:最大冲刷线为河床线下 6.88m 处; 按无横桥向的水平力(漂流物、冲击力、水流压力等)计算。 3、材料 钢筋:盖梁主筋用 HRB335 钢筋,其它均用 R235 钢筋 混凝土:盖梁、墩柱用 C30,系梁及钻孔灌注桩用 C25 4、桥墩尺寸 图 3-17:尺寸单位 cm 5、设计依据 《公路桥涵地基与基础设计规范》(JTG D63-2007) 3.2.2 盖梁计算 (一)荷载计算 1、上部结构永久荷载见表 3-15: 表3-15 每片边板自重(KN/m) 每片中板自重(KN/m) 一孔上部构造自重(KN) 每一个支座恒载反力(KN) 1、9 号 2~8 号 边板1、9号 中板2~8 号 12.749 9.51 3248.49 292.86 259.63 2、盖梁自重及作用效应计算(1/2 盖梁长度) 图3-18 表3-16:盖梁自重产生的弯矩、剪力效应计算 截面编号 自重 (KN) 弯矩 (mKN ) 剪力(KN) V左 V右 1-1 1q =0.7×0.625×1.5×25+26 2 5.0×0.2×1.5×25=18.75 1M =-0.7×0.625×1.5×25×26 2 5.0-26 2 5.0×0.2×1.5×25×36 2 5.0=-5.61 -18.75 -18.75 2-2 2q = 21(0.9+1.1)×0.625×1.5×25=23.44 2M =-0.7×1.25×1.5×25×0.625-22 5.1×0.4×1.5×25×32 5.1=-24.41 -42.19 -42.19 3-3 3q =0.75×1.1×1.5×25=30.94 3M =-0.7×1.25×1.5×25×1.375-22 5.1×0.4×1.5×25×( 32 5.1 +0.75)-30.94×27 5.0=-69.61 -73.13 116.94 4-4 4q =0.65×1.1×1.5×25=26.81 4M =190.07×0.65-(30.94+26.81)×0.7-0.7×1.25×1.5×25×2.025- 22 5.1×0.4×1.5×25×( 32 5.1+ 1.4)=-0.36 90.13 90.13 5-5 5q =2.185×1.1×1.5×25=90.13 5M =190.07×2.835-(30.94+26.81+ 90.13)×1.7925-0.7×1.25×1.5×25×4.21- 22 5.1×0.4×1.5×25×( 32 5.1+3.585)=98.12 0 0 1q+2q +3q +4q +5q =190.07KN 3、可变荷载计算 (1)可变荷载横向分布系数计算:荷载对称布置时用杠杆法,非对称布置用偏心受压法。 ○1 公路-I 级 a、单车列,对称布置(图 3-19)时: 图3-19 061 0 4 4.00 8 8.02152 4 5 6.09 1 2.02143...

1、当您付费下载文档后,您只拥有了使用权限,并不意味着购买了版权,文档只能用于自身使用,不得用于其他商业用途(如 [转卖]进行直接盈利或[编辑后售卖]进行间接盈利)。
2、本站所有内容均由合作方或网友上传,本站不对文档的完整性、权威性及其观点立场正确性做任何保证或承诺!文档内容仅供研究参考,付费前请自行鉴别。
3、如文档内容存在违规,或者侵犯商业秘密、侵犯著作权等,请点击“违规举报”。

碎片内容

下部结构钻孔灌注桩、双柱式桥墩的计算

小辰+ 关注
实名认证
内容提供者

出售各种文档和资料

确认删除?
VIP
微信客服
  • 扫码咨询
会员Q群
  • 会员专属群点击这里加入QQ群
客服邮箱
回到顶部