电脑桌面
添加小米粒文库到电脑桌面
安装后可以在桌面快捷访问

不锈钢牌号及成分表

不锈钢牌号及成分表_第1页
1/8
不锈钢牌号及成分表_第2页
2/8
不锈钢牌号及成分表_第3页
3/8
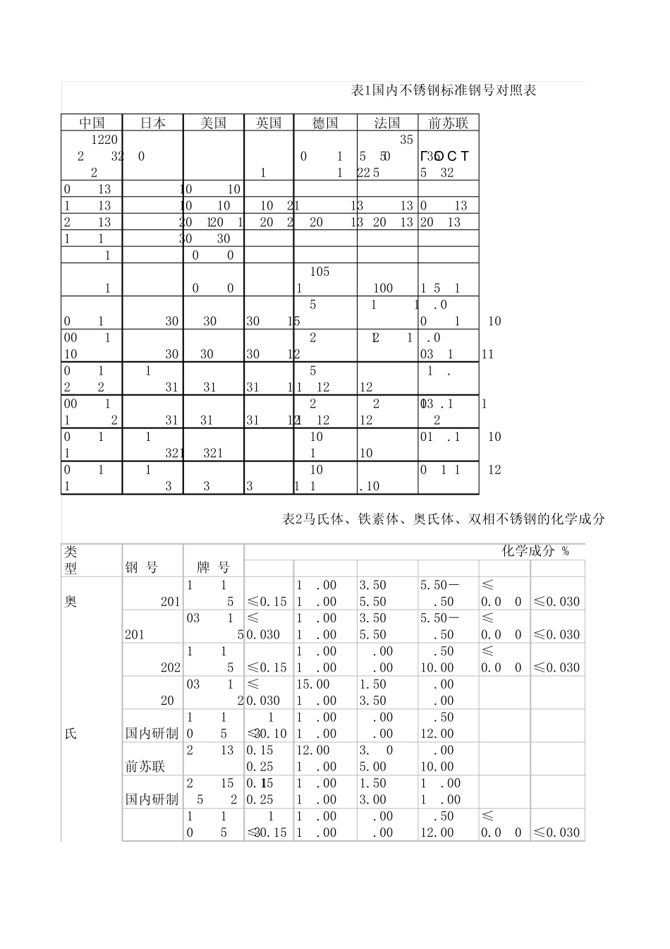
中国日本美国英国德国法国前苏联GB1220-92GB3280-92JIS AISIUNSBS970BS1449DIN17440DIN17224NFA35-575NFA35-576Г О С Т56320Cr13SUS410SS4101Cr13SUS410410410S21X7Cr13Z6C13 08X132Cr13SUS420J1420J1 420S29X20Cr13Z20C13 20x131Cr17 SUS4304307Cr17SUS440A440A9Cr18SUS440C440CX105CrMo17Z100CD1795X180Cr18Ni9SUS304304304S15X5CrNi189Z6CN18.0908X18H1000Cr19Ni10SUS304L304L 304S12X2CrNi189Z2CN18.0903X18H110Cr17Ni12Mo2SUS316316316S16X5CrNiMo1812Z6CND17.1200Cr17Ni14Mo2 SUS316L316L 316S12X2CrNiMo1812Z2CND17.1203X17H14M20Cr18Ni11TiSUS321321X10CrNiTi189Z6CNT18.1008X18H10T0Cr18Ni11NbSUS347 347 347S17X10CrNiNb189Z6CNNb18.1008X18H12F类型CCrNiMnPS奥2011Cr17Mn6Ni5N≤0.1516.00-18.003.50-5.505.50-7.50≤0.060≤0.030201L03Cr17Mn6Ni5N≤0.03016.00-18.003.50-5.505.50-7.50≤0.060≤0.0302021Cr18Mn8Ni5N≤0.1517.00-19.004.00-6.007.50-10.00≤0.060≤0.03020403Cr16Mn8Ni2N≤0.03015.00-17.001.50-3.507.00-9.00氏国内研制1Cr18Mn10Ni5Mo3N≤0.1017.00-19.004.00-6.008.50-12.00前苏联2Cr13Mn9Ni40.15-0.2512.00-14.003.70-5.008.00-10.00国内研制2Cr15Mn15Ni2N0.15-0.2514.00-16.001.50-3.0014.00-16.001Cr18Mn10Ni5Mo3N≤0.1517.00-19.004.00-6.008.50-12.00≤0.060≤0.030钢 号牌 号化学成分 %表1国内不锈钢标准钢号对照表表2马氏体、铁素体、奥氏体、双相不锈钢的化学成分体301 1Cr17Ni7≤0.1516.00-18.006.00-8.00≤2.00≤0.065≤0.030302 1Cr18Ni9≤0.1517.00-19.008.00-10.00≤2.00≤0.035≤0.030303Y1Cr18Ni9≤0.1517.00-19.008.00-10.00≤2.00≤0.20≤0.030303seY1Cr18Ni9Se ≤0.1517.00-19.008.00-10.00≤2.00≤0.20≤0.030型3040Cr18Ni9≤0.0717.00-19.008.00-10.00≤2.00≤0.035≤0.030304L00Cr19Ni10≤0.03018.00-20.008.00-10.00≤2.00≤0.035≤0.030304N10Cr19Ni9N≤0.0818.00-20.007.00-10.50≤2.00≤0.035≤0.030304N20Cr18Ni10NbN≤0.0818.00-20.007.50-10.50≤2.00≤0.035≤0.030304LN00Cr18Ni10N≤0.03017.00-19.008.50-11.50≤2.00≤0.035≤0.0303051Cr18Ni12≤0.1217.00-19.0010.50-13.00≤2.00≤0.035≤0.030309S0Cr23Ni13≤0.0822.00-24.0012.00-15.00≤2.00≤0.035≤0.030310S0Cr25Ni20≤0.0824.00-26.0019.00-22.00≤2.00≤0.035≤0.0303160Cr17Ni12Mo2 ≤0.0816.00...

1、当您付费下载文档后,您只拥有了使用权限,并不意味着购买了版权,文档只能用于自身使用,不得用于其他商业用途(如 [转卖]进行直接盈利或[编辑后售卖]进行间接盈利)。
2、本站所有内容均由合作方或网友上传,本站不对文档的完整性、权威性及其观点立场正确性做任何保证或承诺!文档内容仅供研究参考,付费前请自行鉴别。
3、如文档内容存在违规,或者侵犯商业秘密、侵犯著作权等,请点击“违规举报”。

碎片内容

不锈钢牌号及成分表

确认删除?
VIP
微信客服
  • 扫码咨询
会员Q群
  • 会员专属群点击这里加入QQ群
客服邮箱
回到顶部