电脑桌面
添加小米粒文库到电脑桌面
安装后可以在桌面快捷访问

厂房钢结构工程施工方案

厂房钢结构工程施工方案_第1页
1/27
厂房钢结构工程施工方案_第2页
2/27
厂房钢结构工程施工方案_第3页
3/27
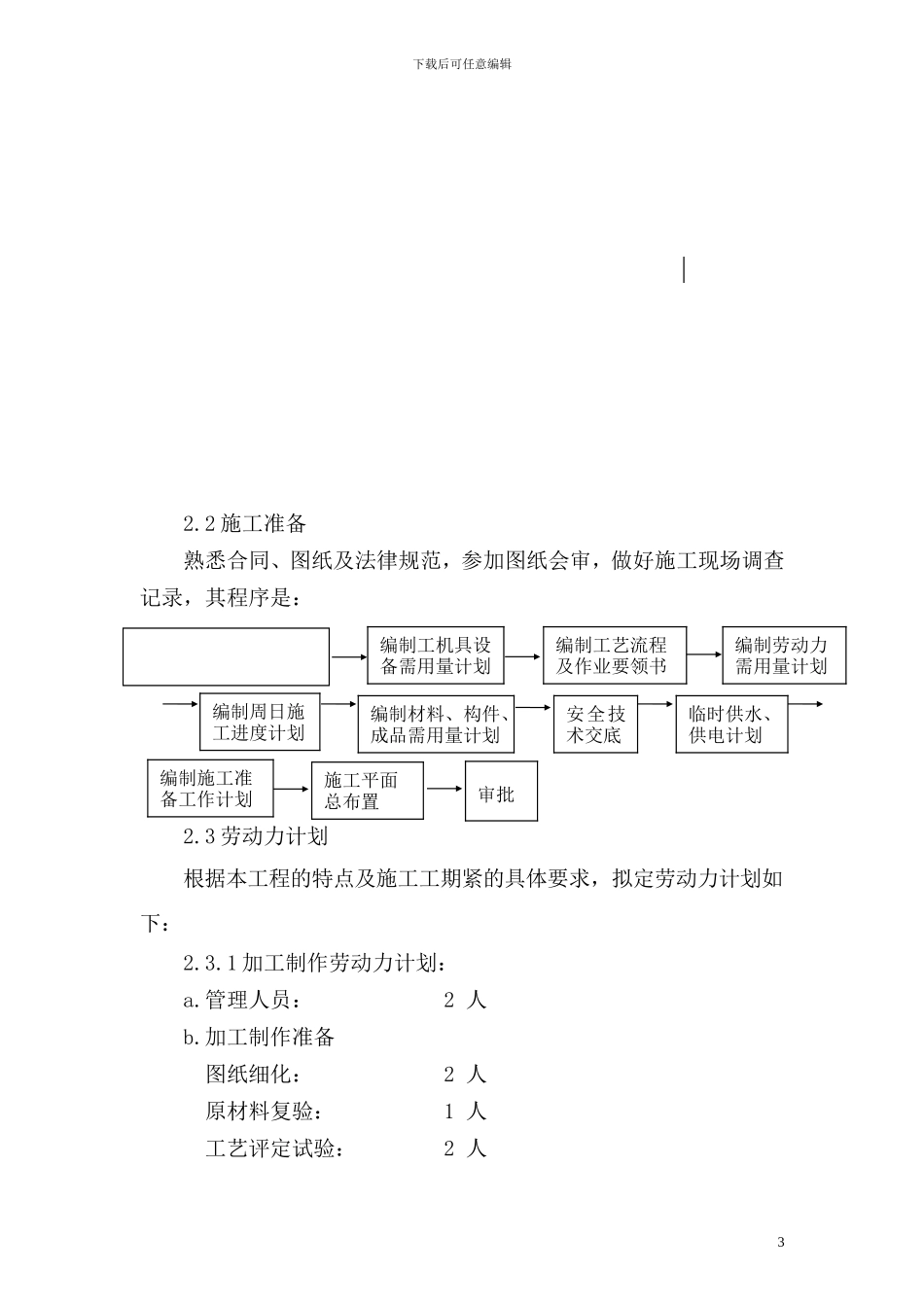
下载后可任意编辑厂房钢结构施工方案1. 工程概况1.1钢结构工程简介1.1.1中山明阳电器有限公司主厂房位于中山火炬高技术产业开发区环市路北侧,总占地面积 29165.4,主厂房建筑面积 8043.3 ,其中(1)—(4)轴为二层钢筋混凝土结构,(4)—(⑨)轴为钢筋混凝土柱钢结构屋盖结构,钢结构工程主要包括以下内容:1.1.2 实腹式托梁及屋盖横梁;1.1.3 钢天窗架;1.1.4 屋盖上弦横向水平支撑;1.1.5 天窗水平支撑;1.1.6 屋盖檩条及拉杆;1.1.7 单层保隔热材料压型板(≤0.1)屋盖和天沟等。1.2本工程钢结构施工特点及难点1.2.1 本工程安装工期紧,共 28 天,工序复杂,进度控制较难, 而屋架、屋架支撑、天窗架、檩条、屋面板等安装工序必须实行流水作业,且各工序间应合理安排,紧密衔接。1.2.2 天窗外形新颖、独特、结构复杂,制作、安装难度较大。1.2.3 屋面钢梁的现场组对、钢梁的安装测量控制均有一定的较难。1.3技术说明1.3.1 材料说明a.钢材:主材采纳 GB Q235 型钢;b.焊接材料:焊条采纳 GB E4300 ∽4313 手工电焊条;焊丝采纳GB H08 或 H08A 焊丝。c.螺栓:构件连接螺栓均采纳普通粗制螺栓(C 级),采纳 Q235 钢制作。d.屋面板:采纳广州 BHP 公司生产的 BHP 双层压型板。1.3.2 制作、安装要求1下载后可任意编辑a.钢结构构件制作时均进行 1:1 放样,如与图纸有出入时以放样为准;b.所有对接焊缝的拼接均与母材等强度,其余焊缝按二级要求进行检验;c.构件制作、运输过程中发生的变形,应及时校正后方可进行安装。1.3.3 除锈与涂装半成品制作前构件表面要进行打磨处理(除锈),涂刷醇酸红丹防锈底漆二道;制成半成品后表面涂刷醇酸磁漆二道,颜色由甲方自定。1.4设计、施工及验收法律规范1.4.1《钢结构工程施工及验收法律规范》(GB50205-95)1.4.2《钢结构工程质量检验评定标准》(GB50221-95)1.4.3《冷弯薄壁型钢结构技术法律规范》(编号为 GB50018-2024)1.4.4《钢结构设计法律规范》GB50017-20241.4.5《网架结构设计与施工规程》(JGJ7-91)1.4.6《建筑用压型钢板》(GB/T12755-91)1.4.7《网架结构工程质量检验评定标准》(JGJ78-91)1.4.8《建筑钢结构焊接规程》(JGJ81-2024)1.4.9《建筑防腐工程施工及验收法律规范》(GB50212-91)1.4.10《建筑结构荷载法律规范》(GB50009-2001)1.4.11《门式刚架轻型房屋钢结构技术规程》(GECS102:98)2.施工部署2.1 组织机构本工程钢结构施工严...

1、当您付费下载文档后,您只拥有了使用权限,并不意味着购买了版权,文档只能用于自身使用,不得用于其他商业用途(如 [转卖]进行直接盈利或[编辑后售卖]进行间接盈利)。
2、本站所有内容均由合作方或网友上传,本站不对文档的完整性、权威性及其观点立场正确性做任何保证或承诺!文档内容仅供研究参考,付费前请自行鉴别。
3、如文档内容存在违规,或者侵犯商业秘密、侵犯著作权等,请点击“违规举报”。

碎片内容

厂房钢结构工程施工方案

您可能关注的文档

确认删除?
VIP
微信客服
  • 扫码咨询
会员Q群
  • 会员专属群点击这里加入QQ群
客服邮箱
回到顶部