电脑桌面
添加小米粒文库到电脑桌面
安装后可以在桌面快捷访问

供应商分级评审制度规范

供应商分级评审制度规范_第1页
1/6
供应商分级评审制度规范_第2页
2/6
供应商分级评审制度规范_第3页
3/6
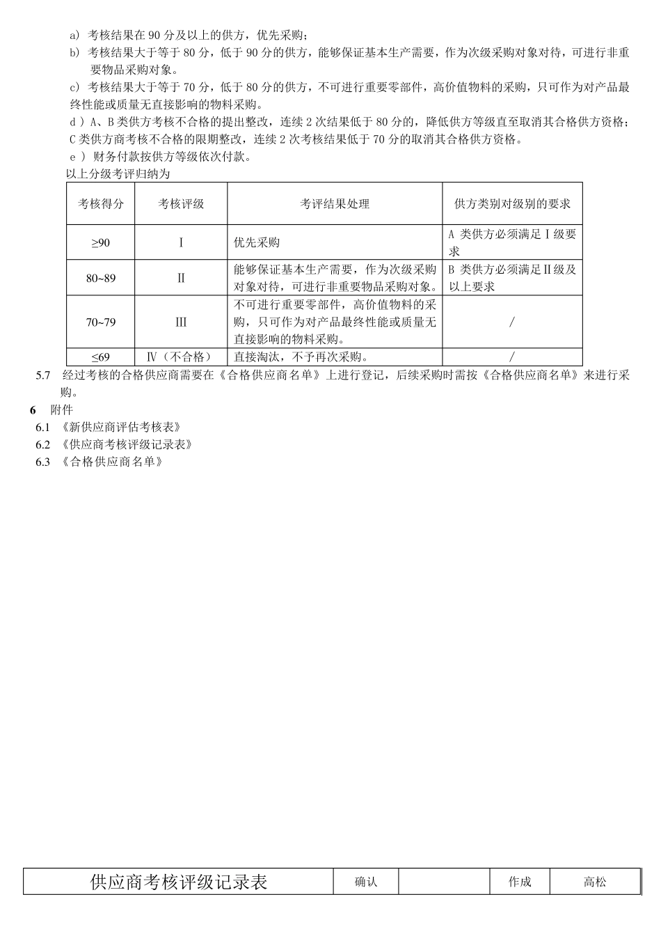
陕 西 拓 普 索 尔 电 子 科 技 有 限 责 任 公 供应商分级评审制度规范 文 件编号:CX-7.4.1-01 版 本 号:1/0 分 发 号: 编 制:高松 审 核: 姚 伟 批 准:张 博 发布日期:2014 年 2 月 1 日 生效日期:2014 年 2 月 1 日 1 目的 为了提高产品质量,稳定供应商队伍,建立长期互惠供求关系,特制定本办法。 2 范 围 本 办 法 适 用 于 向 公 司 供 应 原 辅 材 料 , 零 部 件 的 供 应 商 。 3 定 义 供 应 商 评 审 : 对 供 应 商 的 生 产 能 力 , 检 测 能 力 , 服 务 能 力 等 进 行 的 考 评 , 以 判 断 其 是 否 满 足 公 司 的 要 求 。 分 级 制 度 : 技 术 质 量 部 结 合 供 应 商 实 力 和 供 货 情 况 对 供 应 商 进 行 的 等 级 划 分 。 追 溯 索 赔 : 因 供 应 商 原 因 用 户 要 求 本 公 司 赔 偿 的 , 本 公 司 有 权 通 过 制 造 部 采 购 室 向 供 应 商 追 溯 责 任 及 相 关 赔 付 。 4 职 责 4.1 质 量 部 负 责 本 管 理 制 度 的 编 制 、 修 改 。 4.2 采 购 部 负 责 对 供 方 的 产 品 交 付 、 售 后 服 务 等 进 行 监 控 和 考 评 , 负 责 推 荐 合 格 供 方 、 建 立 本 部 门 合 格 供 方 登 记表 。 4.3 质 量 部 负 责 编 制 外 协 件 检 验 规 则 , 负 责 相 关 外 协 产 品 的 交 付 检 验 , 负 责 提 供 外 协 件 的 月 度 质 量 信 息 以 及 考 核 情况 。 4.4 由 采 购 部 提 报 申 请 , 质 量 部 负 责 新 供 方 的 资格 考 察、 评 定 以 及 合 格 供 方 的 再评 定 , 负 责 合 格 供 方 资格 的 暂停和解除。 4.5 研发部 负 责 对 外 协 供 方 的 生 产 过 程提 供 相 关 的 工艺支持。 4.6 公 司 分 管 采 购 、 生 产 的 领导有 权 对 接受合 格 供 方 再评 价的 供 方 的 资格 提 出评 定 的 意见。 负 责 对 供 方 再评 价后 的合 格 资格 进 行 综合 评 定 并提 出建 议。 4.7 合 格 供 方 资格 最终批准...

1、当您付费下载文档后,您只拥有了使用权限,并不意味着购买了版权,文档只能用于自身使用,不得用于其他商业用途(如 [转卖]进行直接盈利或[编辑后售卖]进行间接盈利)。
2、本站所有内容均由合作方或网友上传,本站不对文档的完整性、权威性及其观点立场正确性做任何保证或承诺!文档内容仅供研究参考,付费前请自行鉴别。
3、如文档内容存在违规,或者侵犯商业秘密、侵犯著作权等,请点击“违规举报”。

碎片内容

供应商分级评审制度规范

小辰+ 关注
实名认证
内容提供者

出售各种文档和资料

确认删除?
VIP
微信客服
  • 扫码咨询
会员Q群
  • 会员专属群点击这里加入QQ群
客服邮箱
回到顶部