电脑桌面
添加小米粒文库到电脑桌面
安装后可以在桌面快捷访问

保温砂浆外墙内保温专项施工方案

保温砂浆外墙内保温专项施工方案_第1页
1/13
保温砂浆外墙内保温专项施工方案_第2页
2/13
保温砂浆外墙内保温专项施工方案_第3页
3/13
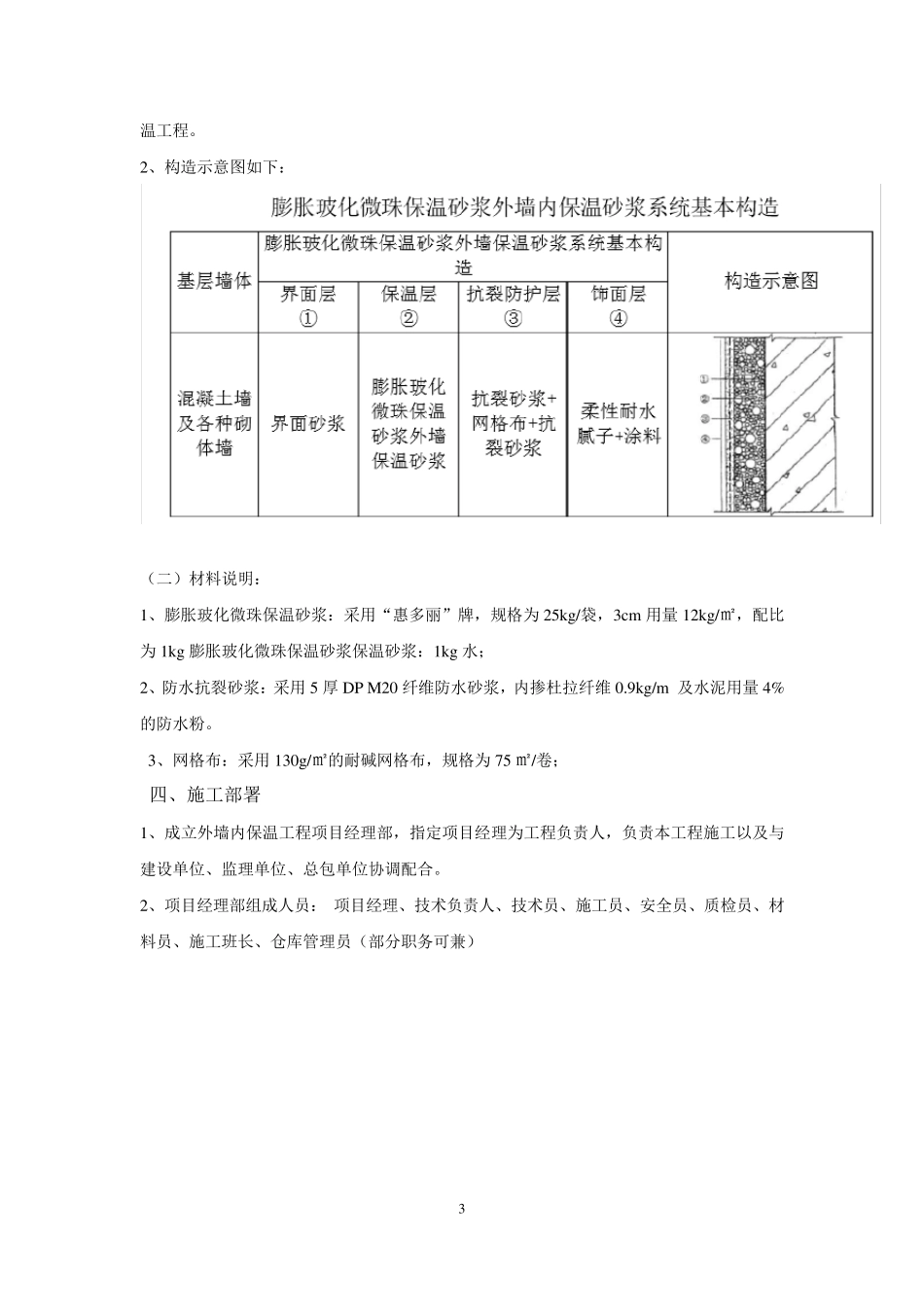
1 目录 一、编制依据............................................................................................... ...... 2 二、工程概况 ............................................................................................... ...... 2 三、系统及材料说明..............................................................................................2 (一)、系统说明.............................................................................. ....... ...... 2 (二)、材料说明.............................................................................. ....... ...... 3 四、施工部署........................................................................... ...... ...... ...... ...... 3 五、施工工艺流程............................................................................................... 6 六、施工技术要求............................................................................................... 6 (一)、基层处理................................................................................................6 (二)、保温施工................................................................................................ 7 (三)、质量通病防治措施..................................................................................7 (四)、质量要求.................................................................................. ........... ....7 七、施工现场质量控制要点................................................................... ............... 8 八、质量目标...................................................................................... ............... 1 0 九、安全目标、安全保证体系及技术组织措施 .....................................................1 0 十、环境保护、文明施工.............................................................. ............................ 1 2 (一)、 环境保护、文明施工................................................ ............................1 2 (二)、 ...

1、当您付费下载文档后,您只拥有了使用权限,并不意味着购买了版权,文档只能用于自身使用,不得用于其他商业用途(如 [转卖]进行直接盈利或[编辑后售卖]进行间接盈利)。
2、本站所有内容均由合作方或网友上传,本站不对文档的完整性、权威性及其观点立场正确性做任何保证或承诺!文档内容仅供研究参考,付费前请自行鉴别。
3、如文档内容存在违规,或者侵犯商业秘密、侵犯著作权等,请点击“违规举报”。

碎片内容

保温砂浆外墙内保温专项施工方案

您可能关注的文档

确认删除?
VIP
微信客服
  • 扫码咨询
会员Q群
  • 会员专属群点击这里加入QQ群
客服邮箱
回到顶部