电脑桌面
添加小米粒文库到电脑桌面
安装后可以在桌面快捷访问

储罐液位计算器

储罐液位计算器_第1页
1/6
储罐液位计算器_第2页
2/6
储罐液位计算器_第3页
3/6
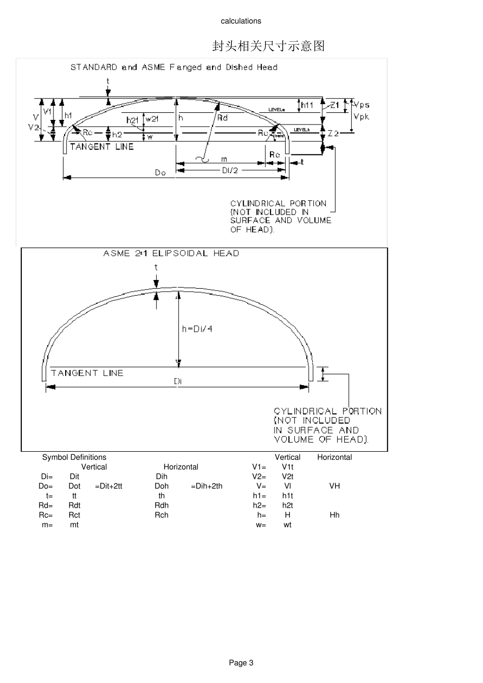
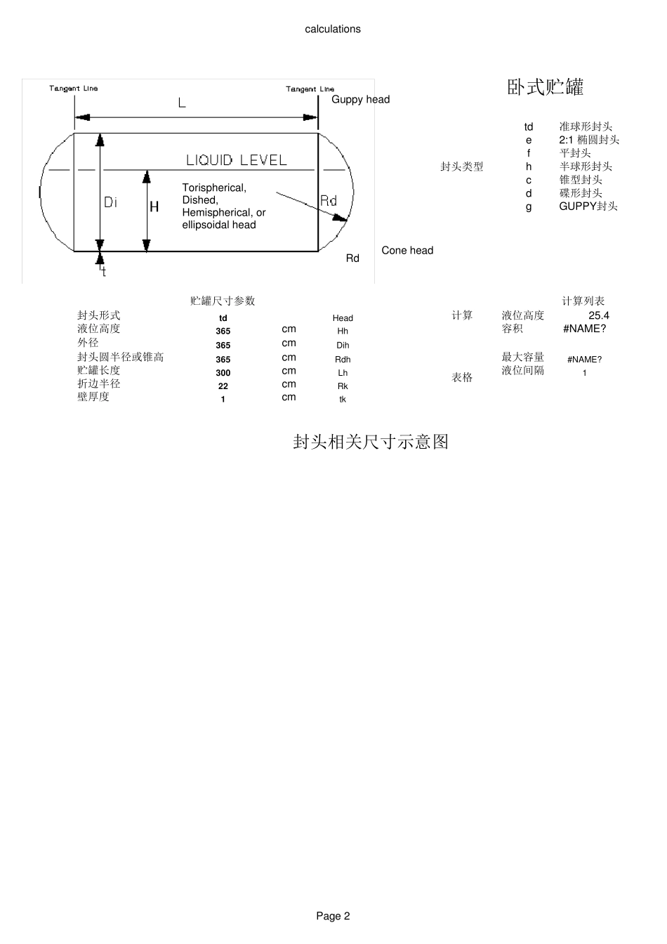
calcu lationsf66cm365cm封头圆半径或锥高335cm1cm0cmaefhc计算计算列表液位高度600 cm容积#NAME? 升表格最大液位高600cm液位间隔1cm内10.34911外10.46347液位高度外径壁厚度封头类型2:1 椭圆封头平封头半球形封头立式贮罐贮罐液位计算器折边半径(未知时输入"0")封头表面积m^2贮罐尺寸参数封头形式ASME F&D锥型封头Page 1calculationstdefhcdgtdHead液位高度25.4365cmHh容积#NAME?365cmDih365cmRdh最大容量#NAME?300cmLh液位间隔122cmRk1cmtk封头相关尺寸示意图贮罐长度计算计算列表表格折边半径贮罐尺寸参数封头形式液位高度外径封头圆半径或锥高壁厚度卧式贮罐锥型封头封头类型碟形封头GUPPY封头准球形封头2:1 椭圆封头平封头半球形封头Cone headGuppy headRdTorispherical, Dished, Hemispherical, or ellipsoidal head Page 2calculationsSymbol DefinitionsVerticalHorizontalV1=V1tDi=DitDihV2=V2tDo=Dot=Dit+2ttDoh=Dih+2thV=VlVHt=ttthh1=h1tRd=RdtRdhh2=h2tRc=RctRchh=HHhm=mtw=wtVerticalHorizontal封头相关尺寸示意图Page 3calculationsHead TypeHDotRdtttRcPage 4calcu lationscm升Lcm表头头封头封头圆封头封头Page 5calcu lationsPage 6

1、当您付费下载文档后,您只拥有了使用权限,并不意味着购买了版权,文档只能用于自身使用,不得用于其他商业用途(如 [转卖]进行直接盈利或[编辑后售卖]进行间接盈利)。
2、本站所有内容均由合作方或网友上传,本站不对文档的完整性、权威性及其观点立场正确性做任何保证或承诺!文档内容仅供研究参考,付费前请自行鉴别。
3、如文档内容存在违规,或者侵犯商业秘密、侵犯著作权等,请点击“违规举报”。

碎片内容

储罐液位计算器

您可能关注的文档

确认删除?
VIP
微信客服
  • 扫码咨询
会员Q群
  • 会员专属群点击这里加入QQ群
客服邮箱
回到顶部