电脑桌面
添加小米粒文库到电脑桌面
安装后可以在桌面快捷访问

力控-储存罐液位监控系统VIP专享

力控-储存罐液位监控系统_第1页
1/15
力控-储存罐液位监控系统_第2页
2/15
力控-储存罐液位监控系统_第3页
3/15
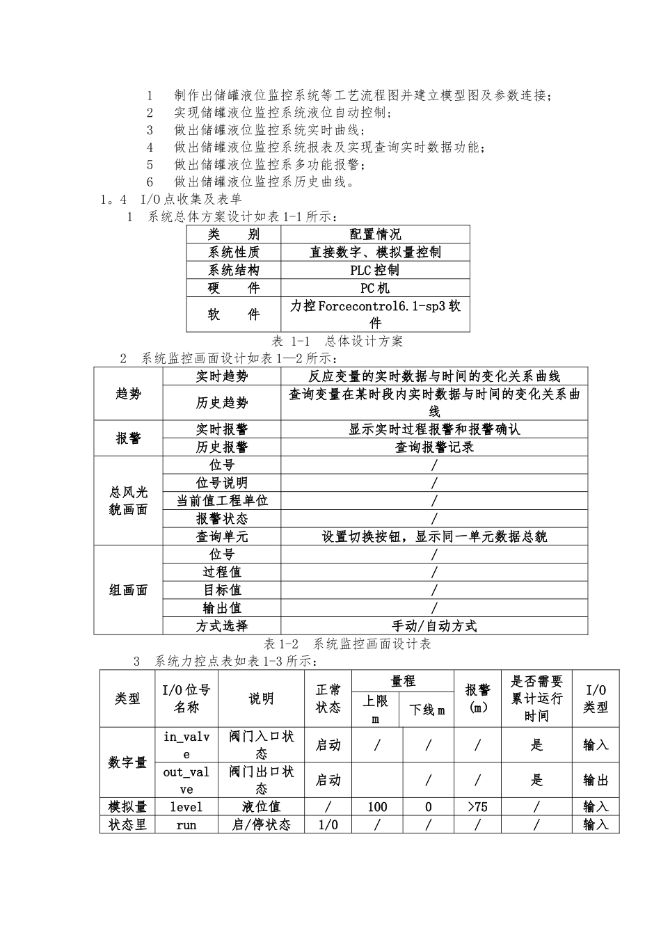
目 录第一章 基础设计报告.................................................41。1 设计题目....................................................41.2 工艺流程.....................................................41.3 设计任务....................................................51。4 I/O 点收集及表单...........................................51.5 制作工程画面................................................71.5.1 工程管理器的使用.......................................71.5.2 创建组态界面...........................................71。5.3 定义 I/O 设备..........................................71。5。4 趋势曲线的生成.......................................81.5。5 报表及报警、查询组态画面的生成........................81。5。6 历史曲线生成.........................................91。5.7 总体系统画面图.......................................101.6 创建实时数据库..............................................111。7 建立动画连接...............................................121。7.1 罐和阀门动画建立....................................121。7。2 按钮动作的建立......................................131.7.3 液位值动画的建立......................................141.7。4 应用程序动作程序的编写...............................151.8 运行及调试..................................................151。9 作品展示...................................................16第一章 基础设计报告1。1 设计题目 : 储存罐液位监控系统1.2 工艺流程本次设计工艺设备包括:一个液罐、一个水流入控制阀门、一个水流出控制阀门如图。用于控制两台阀门的 PLC。并用 PLC 控制两台阀门的开通和关断,使液罐的水位保持在 70—80。当点击开始按钮,则开始进水,当水位到达 80 以上时关闭进水控制阀门,同时打开出水阀门;当液位低于 70 以下时,关闭出油阀门,同时打开进油阀门,从而使液位保持在 70-80 之间,达到液位控制的目的。其工艺流程图如图 1—2 所示. 图 1—2 储存罐液位监控系统流程图1.3 设计任务 1 制作出储罐液位监控系统等工艺流程图并建立模型图及参数连接; 2 实现储罐液位监控系统液位自动控制; 3 做出储罐液位监控...

1、当您付费下载文档后,您只拥有了使用权限,并不意味着购买了版权,文档只能用于自身使用,不得用于其他商业用途(如 [转卖]进行直接盈利或[编辑后售卖]进行间接盈利)。
2、本站所有内容均由合作方或网友上传,本站不对文档的完整性、权威性及其观点立场正确性做任何保证或承诺!文档内容仅供研究参考,付费前请自行鉴别。
3、如文档内容存在违规,或者侵犯商业秘密、侵犯著作权等,请点击“违规举报”。

碎片内容

力控-储存罐液位监控系统

范哲铺+ 关注
实名认证
内容提供者

想你所想,急你所急,你需要的都在店铺里可以找到。

确认删除?
VIP
微信客服
  • 扫码咨询
会员Q群
  • 会员专属群点击这里加入QQ群
客服邮箱
回到顶部