电脑桌面
添加小米粒文库到电脑桌面
安装后可以在桌面快捷访问

催化燃烧处理

催化燃烧处理_第1页
1/20
催化燃烧处理_第2页
2/20
催化燃烧处理_第3页
3/20
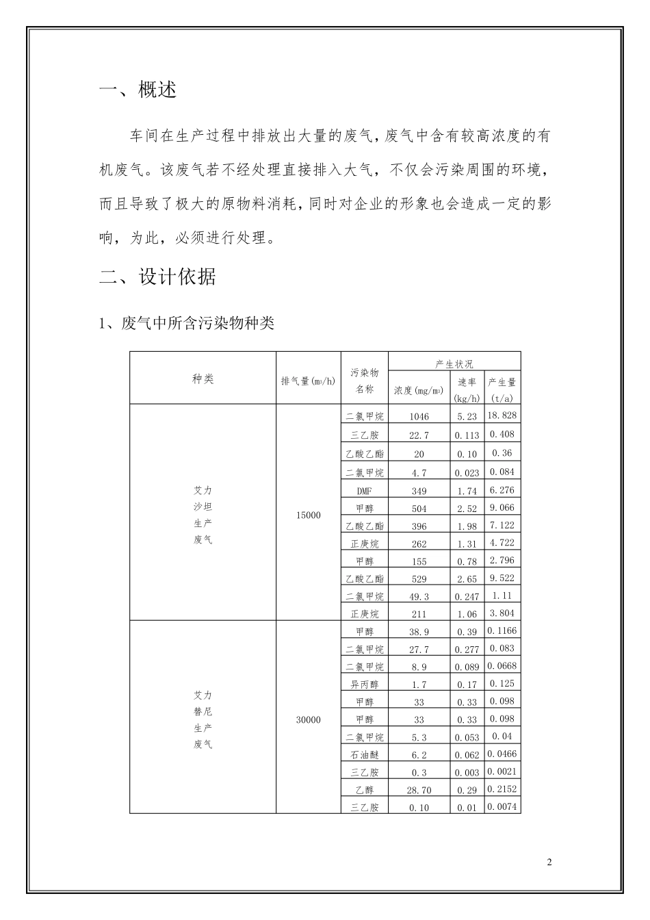
方 案 及 报 价 二零零一年七月 1 目 录 一、概述 ..................................................................................................... 2 二、设计依据 ............................................................................................. 2 三、 工艺设计 ........................................................................................... 5 四、工艺系统说明..................................................................................... 7 五、电气系统 ........................................................................................... 1 1 六、主要设备一览表 ..............................................................................1 3 七、设备报价 ...........................................................................................1 5 八、效益评估 ...........................................................................................1 6 九、产品制造安装调试 ..........................................................................1 6 十、培训 ...................................................................................................1 8 十一、售后服务.......................................................................................1 8 2 一、概述 车间在生产过程中排放出大量的废气,废气中含有较高浓度的有机废气。该废气若不经处理直接排入大气,不仅会污染周围的环境,而且导致了极大的原物料消耗,同时对企业的形象也会造成一定的影响,为此,必须进行处理。 二、设计依据 1、废气中所含污染物种类 种类 排气量(m3/h) 污染物 名称 产生状况 浓度(mg/m3) 速率 (kg/h) 产生量 (t/a) 艾力 沙坦 生产 废气 15000 二氯甲烷 1046 5.23 18.828 三乙胺 22.7 0.113 0.408 乙酸乙酯 20 0.10 0.36 二氯甲烷 4.7 0.023 0.084 DMF 349 1.74 6.276 甲醇 504 2.52 9.066 乙酸乙酯 396 1.98 7.122 正庚烷 262 1.31 4.722 甲醇 155 0.78 2.796 乙酸乙酯 529 2.65 9.522 二氯甲烷 49.3 0.247 1.11 正庚烷 211 1.06 3.804 艾力 替尼 生产 废气 30000 甲醇 38.9 0.39 ...

1、当您付费下载文档后,您只拥有了使用权限,并不意味着购买了版权,文档只能用于自身使用,不得用于其他商业用途(如 [转卖]进行直接盈利或[编辑后售卖]进行间接盈利)。
2、本站所有内容均由合作方或网友上传,本站不对文档的完整性、权威性及其观点立场正确性做任何保证或承诺!文档内容仅供研究参考,付费前请自行鉴别。
3、如文档内容存在违规,或者侵犯商业秘密、侵犯著作权等,请点击“违规举报”。

碎片内容

催化燃烧处理

您可能关注的文档

小辰4+ 关注
实名认证
内容提供者

出售各种资料和文档

确认删除?
VIP
微信客服
  • 扫码咨询
会员Q群
  • 会员专属群点击这里加入QQ群
客服邮箱
回到顶部