电脑桌面
添加小米粒文库到电脑桌面
安装后可以在桌面快捷访问

光伏并网逆变器调试报告(正式版)

光伏并网逆变器调试报告(正式版)_第1页
1/8
光伏并网逆变器调试报告(正式版)_第2页
2/8
光伏并网逆变器调试报告(正式版)_第3页
3/8
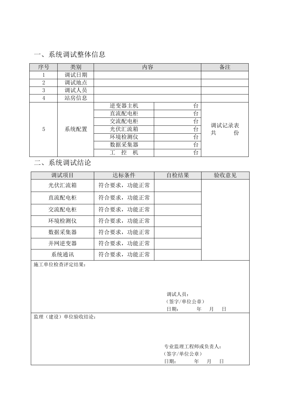
定边善利30WMp光伏电站项目 光 伏 并 网 逆 变 器 系 统 调 试 报 告 编制单位: 编 制 人: 审 核 人: 编制日期: 年 月 日 一、系统调试整体信息 序号 类别 内容 备注 1 调试日期 2 调试地点 3 调试人员 4 站房信息 5 系统配置 逆变器主机 台 调试记录表 共 份 直流配电柜 台 交流配电柜 台 光伏汇流箱 台 环境检测仪 台 数据采集器 台 工 控 机 台 二、系统调试结论 调试项目 达标条件 自检结果 验收意见 光伏汇流箱 符合要求,功能正常 直流配电柜 符合要求,功能正常 交流配电柜 符合要求,功能正常 环境检测仪 符合要求,功能正常 数据采集器 符合要求,功能正常 并网逆变器 符合要求,功能正常 系统通讯 符合要求,功能正常 施工单位检查评定结果: 调试人员: (签字/单位公章) 日期: 年 月 日 监理(建设)单位验收结论: 专业监理工程师或负责人: (签字/单位公章) 日期: 年 月 日 并网逆变器调试记录表 编号: 项目名称 产品型号 业主单位 产品编号 设备厂家 安装位置 调试 步骤 调试项目 技术要求及调试内容 自检 结果 验收 记录 1 设备安装情况检查 设备安装应牢固可靠,柜门开启方便 连接线情况检查 连接线具有明确标识,接线牢固可靠,无松动 连接线绝缘阻值检查 进线、出线对地阻值大于10 兆欧,无碰壳现象 设备接地阻值检查 接地电阻不应大于10 欧(或符合设计要求) 2 逆变器运行参数 正常运行时逆变器运行数据记录 L1-L2\N电压 V L1 电流 A L2-L3\N电压 V L2 电流 A L3-L1\N电压 V L3 电流 A 电网频率 HZ 直流电压 V 输出功率 KW 直流电流 A 机内温度 ℃ 日发电量 KWh 总发电量 KWh CO2 减排 Kg 3 逆变器 LCD 显示 液晶屏显示正常,字符清晰 时间校对 4 逆变器启动、停机、待机试验 电网正常时,直流电压大于启动电压,等待1-5 分钟左右逆变器启动运行;当交流侧功率小于500W 连续10 分钟机器待机;通过LCD 上操作按键,执行启停机命令,逆变器能正常启停机 紧急停机测试 触 动紧急停机按钮 ,机器立 即 停止 工 作 防 孤 岛 效 应保 护 电网失 电,逆变器应在 0.2 秒 内停止 输出 上位机通讯 测试 逆变器和 上位机通讯 流畅 ,无数据丢 失 施 工 单位检查评 定 结果: 项目专 业调试人 员 : (签 字/...

1、当您付费下载文档后,您只拥有了使用权限,并不意味着购买了版权,文档只能用于自身使用,不得用于其他商业用途(如 [转卖]进行直接盈利或[编辑后售卖]进行间接盈利)。
2、本站所有内容均由合作方或网友上传,本站不对文档的完整性、权威性及其观点立场正确性做任何保证或承诺!文档内容仅供研究参考,付费前请自行鉴别。
3、如文档内容存在违规,或者侵犯商业秘密、侵犯著作权等,请点击“违规举报”。

碎片内容

光伏并网逆变器调试报告(正式版)

您可能关注的文档

确认删除?
VIP
微信客服
  • 扫码咨询
会员Q群
  • 会员专属群点击这里加入QQ群
客服邮箱
回到顶部