电脑桌面
添加小米粒文库到电脑桌面
安装后可以在桌面快捷访问

光伏电站质量验收评定项目划分表(含土建、安装、送出线路)

光伏电站质量验收评定项目划分表(含土建、安装、送出线路)_第1页
1/20
光伏电站质量验收评定项目划分表(含土建、安装、送出线路)_第2页
2/20
光伏电站质量验收评定项目划分表(含土建、安装、送出线路)_第3页
3/20
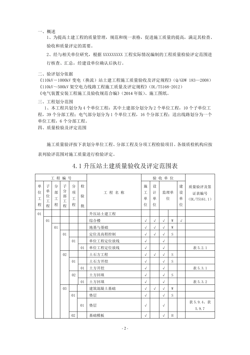
XXXXXXXXX 质 量 检 验 及 评 定 范 围 XXXXXXXX 公司 二0 一五年十月 - 2 - 一、概述 1、为提高土建工程的质量管理,规范和统一表格,促进施工质量的提高,满足其检查、验收和质量评定的需要。 2、经与相关单位研究,根据XXXXXXXXX 工程实际情况编制的工程质量检验评定范围进行核查、汇总,经建设单位确认后执行。 二、验评划分依据 《110kV-1000kV 变电(换流)站土建工程施工质量验收及评定规程》(Q/GDW 183—2008) 《110kV~500kV 架空电力线路工程施工质量及评定规程》(DL/T5168-2012) 《电气装置安装工程施工及验收规范合编》(2 0 1 4 年版)、施工图纸。 三、工程划分范围 1、本工程共划分为4 个单位工程:其中土建部分划分为2 个单位工程,10 个子单位工程,39 个分部工程;电气部分划分为1 个单位工程,16 个分部工程;送出线路划分为一个单位工程,6 个分部工程。 四、质量检验及评定范围 施工质量验评按下表划分单位工程、分部工程及分项工程检验项目。各级质检机构应按表列验评范围对施工质量进行检验评定。 4.1 升压站土建质量验收及评定范围表 工 程 编 号 工 程 名 称 验 收 单 位 质量验评及签证表编号 (DL/T5161.1) 单位工程 子单位工程 分部工程 子分部工程 分项工程 检 验 批 施工单位 设计单位 监理单位 建设单位 01 升压站土建工程 01 综合楼 √ √ √ W √ 01 地基与基础 √ √ √ W 01 定位及高程控制 √ √ √ S 01 单位工程定位放线 √ √ 01 单位工程定位放线 √ √ 表5.2.1 02 土石方工程 √ √ √ S 01 土石方开挖 √ √ S 01 土方开挖 √ √ 表5.3.1 02 土方回填 √ √ S 01 土方回填 √ √ 表5.3.2 03 建筑混凝土基础 √ √ √ W 01 垫层 √ √ S 01 垫层 √ √ 表5.9.4、表5.9.7 02 基础模板 √ √ H - 3 - 01 现浇混凝土模板安装 √ √ 表5.7.1 02 模板拆除 √ √ 表 5.7.3 04 01 基础钢筋 √ √ H 01 钢筋加工 √ √ 表 5.7.4 02 钢筋安装 √ √ 表 5.7.5 05 01 基础混凝土 √ √ S 01 混凝土原材料及配合比设计 √ √ 表 5.7.6 02 普通混凝土施工 √ √ 表 5.7.7 03 现浇混凝土结构外观及尺寸偏差 √ √ 表5.7.9 06 设备基础 √ √ √ W 01 设备基础垫层 √ √ S 01 垫层...

1、当您付费下载文档后,您只拥有了使用权限,并不意味着购买了版权,文档只能用于自身使用,不得用于其他商业用途(如 [转卖]进行直接盈利或[编辑后售卖]进行间接盈利)。
2、本站所有内容均由合作方或网友上传,本站不对文档的完整性、权威性及其观点立场正确性做任何保证或承诺!文档内容仅供研究参考,付费前请自行鉴别。
3、如文档内容存在违规,或者侵犯商业秘密、侵犯著作权等,请点击“违规举报”。

碎片内容

光伏电站质量验收评定项目划分表(含土建、安装、送出线路)

小辰7+ 关注
实名认证
内容提供者

出售各种资料和文档

相关文档

确认删除?
VIP
微信客服
  • 扫码咨询
会员Q群
  • 会员专属群点击这里加入QQ群
客服邮箱
回到顶部