电脑桌面
添加小米粒文库到电脑桌面
安装后可以在桌面快捷访问

光立方设计报告

光立方设计报告_第1页
1/11
光立方设计报告_第2页
2/11
光立方设计报告_第3页
3/11
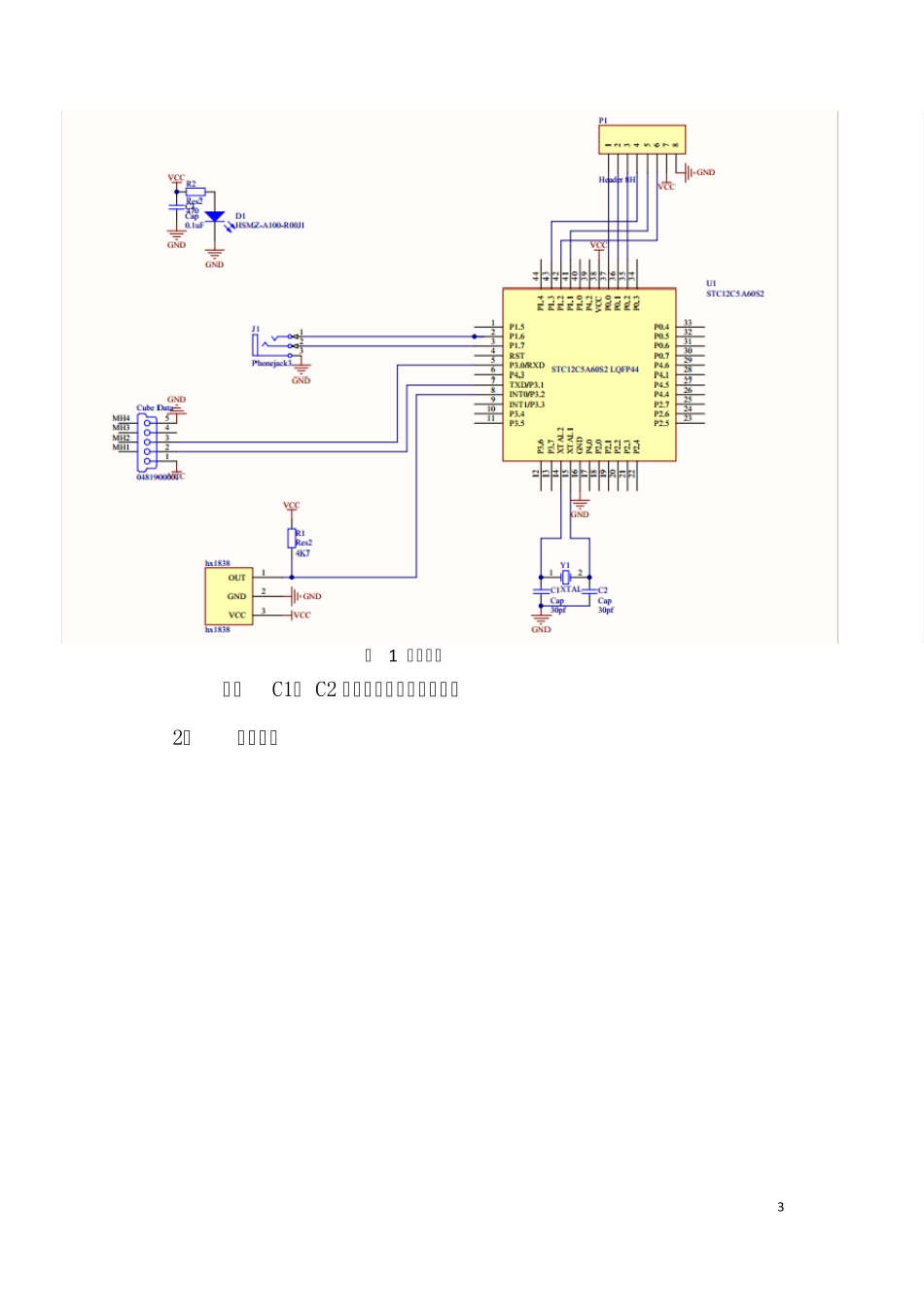
光立方设计报告 2 一、 要求 1、 利用单片机控制8*8*8 的 LED 灯显示3D 图形。 2、 进行实物焊接,调试。 二、 设计思路 首先,8*8*8 光立方是由8 个相同的面组成,每一个面有64个蓝色LED 灯,不同的图案又这些点连接而成。如果我们想要驱动任意一个LED 灯,我们让列接地,行接正极就可以实现,因此整个立方体列共阴极,行共阳极。实际上这个就是控制512 个 LED的不同灯点亮。 三、 电路设计 主要分为主控模块、驱动模块、显示模块 1、 主控模块 主控模块我们选用STC12C5A60S2 3 图 1 主控电路 其中C1、 C2 为去耦电容防止高频干扰 2、 驱动模块 4 图 2 行驱动电路 可以用一个3— 8 译码器选择8 个不同的共阳极层,但是译码器的驱动能力差,中间可以用双P 沟道MOS 管 APM4953 来增强驱动能力。这样就可以控制点亮不同的层。 图 3 列驱动电路 我们可以用5026 来选择不同的列,一片5026 就可以控制16 列,5 一共有64 列,因此只需要用到4 片。在每一片5026 电源端上加一个电容,主要防止高频干扰。 3、 显示模块 每一个LED 的负端都连接在一起,构成一列;每一层的LED的阳极连在一起。一层一列刚好可以确定一个LED 灯。这样就可以通过主控电路和驱动电路来点亮所要点亮的LED,组成我们想要的图案。 四、 元器件选择 ( 1)由于光立方的程序量比较大,而且要求相对比较高,因此我们决定用51 系列的增强型芯片STC12C5A60S2,选择的理由: 1. 无法解密,采用第六代加密技术; 2. 超强抗干扰; 3. 内部集成高可靠复位电路,外部复位可用可不用; 4. 速度快; ( 2) 4953 的作用:行驱动管,功率管。 每一显示行需要的电流是比较大的,要使用行驱动管,每片4953 可以驱动2 个显示行,其内部是两个CMOS 管, 1、3 脚 VCC, 2、 4 脚控制脚,2 脚控制7、 8 脚的输出,4 脚控制 5、 6 脚的输出,只有当2、 4 脚为“0”时,7、 8、 5、 6才会输出,否则输出为高阻状态。 ( 3)SN74HC245DW,8 路双向总线收发器,具有三态输出;74HC245八路总线收发器被设计用于数据总线之间的异步双向通信。6 74HC245 的控制功能大大减小了对外部计时的要求。 74HC245 允许数据从A 总线传输到B 总线,也可从B 总线传输到A 总线,这取决于方向控制端(DIR)上的逻辑电平。而其输出使能( OE) 端则可以禁用74HC245 以便实现总线间的隔离。 1. 宽工作...

1、当您付费下载文档后,您只拥有了使用权限,并不意味着购买了版权,文档只能用于自身使用,不得用于其他商业用途(如 [转卖]进行直接盈利或[编辑后售卖]进行间接盈利)。
2、本站所有内容均由合作方或网友上传,本站不对文档的完整性、权威性及其观点立场正确性做任何保证或承诺!文档内容仅供研究参考,付费前请自行鉴别。
3、如文档内容存在违规,或者侵犯商业秘密、侵犯著作权等,请点击“违规举报”。

碎片内容

光立方设计报告

您可能关注的文档

确认删除?
VIP
微信客服
  • 扫码咨询
会员Q群
  • 会员专属群点击这里加入QQ群
客服邮箱
回到顶部