电脑桌面
添加小米粒文库到电脑桌面
安装后可以在桌面快捷访问

入河排污口设置论证报告技术导则

入河排污口设置论证报告技术导则_第1页
1/18
入河排污口设置论证报告技术导则_第2页
2/18
入河排污口设置论证报告技术导则_第3页
3/18
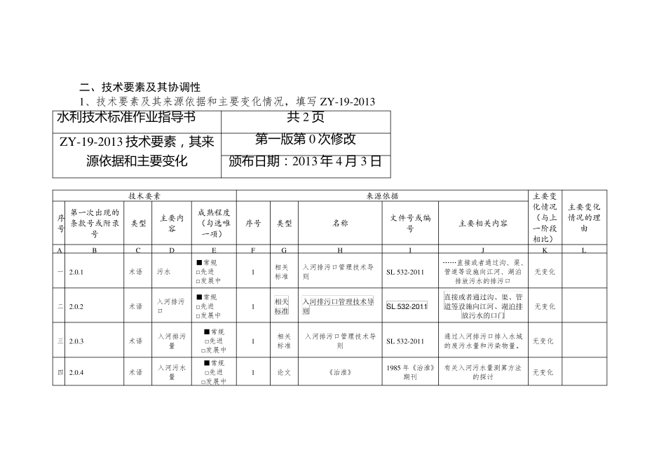
水 利 技 术 标 准 作 业 指 导 书 共 4 页 ZY-05-2013 制 修 订 项 目 征 求意 见 稿 编 制 说 明 第 一版第 0 次修 改 颁布日期:2013 年 4 月 3 日 水利技术标准 《入河排污口设置论证报告技术导则》 (征求意见稿) 编制说明 主编单位:黄河流域水资源保护局 (签章) 2016 年 9 月 28 日 第一部分:仅限内部使用(征求意见发文时不发放) 一、项目基本信息 立项依据(勾选唯一项) ■现行有效体系表项目,体系表序号:216 □对原体系内若干项目的优化,体系表序号: □体系表外已有签报项目,签报号: □暂未进入标准体系的其他项目 标准级别 ■行业 □指导性技术文件 ■标准 □国家 住建部文件号/国标委计划号 □指导性技术文件 经费(万元) □标准 水利计划类别 经费渠道 □前期费;■财政专项 计划下达年份 2015 经费(万元) 35 划拨经费单位 财务司 编制类型(勾选唯一项) ■制定 □修订 原标准号 □局部修订 属性(每行勾选唯一项) ■技术标准;□管理标准;□工作标准 ■公益性为主;□市场性为主 类别属名:□规范;□规程;■导则;□标准;□方法;□条件;□规定;□通则;□要求;□指南;□准则;□规则;□模式;□规约;□其他() 层次 采标 □等同采用 □修改采用 □非等效采用 采标标准编号 待国科司统一编号 初稿字数(千字) 20 主要格式体例(勾选唯一项) □GB/T1.1 标准化工作导则第 1 部分:标准的结构和编写 □建标[2008]182 号工程建设标准编写规定 □工程项目建设标准 □JJF1002 国家计量检定规程编写规则 □JJF1071 国家校准规范编写导则 ■SL1 水利技术标准编写规定 补充格式体例(可多选) □标准化工作指南第 2 部分:采用国际标准 ■标准化工作指南第 7 部分:管理体系标准的论证和制定 ■标准编写规则第 1 部分:术语 □标准编写规则第 2 部分:符号 □标准编写规则第 3 部分:信息分类编码 □标准编写规则第 4 部分:化学分析方法 2016 年第 9 期《水利技术标准进度月报》的进度情况 滞后一个节点 二、技术要素及其协调性 1、技术要素及其来源依据和主要变化情况,填写ZY-19-2013 水 利 技 术 标 准 作 业 指 导 书 共 2 页 ZY-19-2013 技 术 要 素 , 其 来源 依 据 和 主 要 变 化 第 一版第 0 次修改 颁布日期:2013 年...

1、当您付费下载文档后,您只拥有了使用权限,并不意味着购买了版权,文档只能用于自身使用,不得用于其他商业用途(如 [转卖]进行直接盈利或[编辑后售卖]进行间接盈利)。
2、本站所有内容均由合作方或网友上传,本站不对文档的完整性、权威性及其观点立场正确性做任何保证或承诺!文档内容仅供研究参考,付费前请自行鉴别。
3、如文档内容存在违规,或者侵犯商业秘密、侵犯著作权等,请点击“违规举报”。

碎片内容

入河排污口设置论证报告技术导则

确认删除?
VIP
微信客服
  • 扫码咨询
会员Q群
  • 会员专属群点击这里加入QQ群
客服邮箱
回到顶部