电脑桌面
添加小米粒文库到电脑桌面
安装后可以在桌面快捷访问

公路工程检测方法

公路工程检测方法_第1页
1/17
公路工程检测方法_第2页
2/17
公路工程检测方法_第3页
3/17
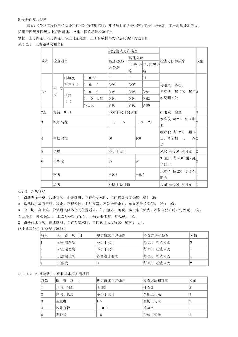
路 基 路 面 复 习 资 料 掌 握 :《 公 路 工 程 质 量 检 验 评 定 标 准 》 的 使 用 范 围 ; 建 设 项 目 的 划 分 ;分 项 工 程 计 分 规 定 ; 工 程 质 量 评 定 等 级 。 适 用 于 四 级 及 四 级 以 上 公 路 新 建 、 改 建 工 程 的 质 量 检 验 评 定 , 掌 握 : 土 方 路 基 、 石 方 路 基 、 软 土 地 基 处 治 、 土 工 合 成 材 料 处 治 层 的 实 测 关 键 项 目 。 表 4.2.2 土 方 路 基 实 测 项 目 项 次 检 查 项 目 规 定 值 或 允 许 偏 差 检 查 方 法 和 频 率 权 值 高 速 公 路 一级 公 路 其 他 公 路 二级公路 三 、四 级 公路 1△ 压实度 (%) 零 填 及 挖 方 ( m) 0~0.30 — — 94 按 附 录 B检 查 。 密 度 法 : 每200m每 压实 层 测 4 处 3 0~0.80 ≥ 96 ≥ 95 — 填 方 ( m) 0~0.80 ≥ 96 ≥ 95 ≥ 94 0.80~1.50 ≥ 94 ≥ 94 ≥ 93 > 1.50 ≥ 93 ≥ 92 ≥ 90 2△ 弯 沉 (0.01mm) 不 大 于 设 计 要 求 值 按 附 录 I检 查 3 3 纵 断 高 程 (mm) +10, -15 +10, -20 水 准 仪 :每 200m测 4 断面 2 4 中 线 偏 位 (mm) 50 100 经 纬 仪 :每200m测4点 , 弯 道 加HY、 YH两点 2 5 宽 度 (mm) 不 小 于 设 计 米 尺 :每 200m测 4 处 2 6 平 整 度 (mm) 15 20 3m直 尺 :每 200m测 2 处×10 尺 2 7 横坡(%) ±0.3 ±0.5 水 准 仪 :每 200m测 4 个断 面 1 8 边坡 不 陡于 设 计 值 尺 量 :每 200m测 4 处 1 4.2.3 外观鉴定 1) 路 基 表 面 平 整 , 边线 直 顺, 曲线 圆滑。 不 符合 要 求 时, 单向累计 长度 每 50m减 1~2分 。 2) 路 基 边坡坡面 平 顺, 稳定 , 不 得亏坡, 曲线 圆滑。 不 符合 要 求 时, 单向累计 长度 每 5Om减 1~2分 。 3) 取土 坑、 弃土 堆、 护坡道 飞碎落台的 位 置适 当, 外形整 齐、 美观, 防止水 土 流失。 不 符合 要 求 时, 每 处 减1~2分 。 石 方 路 基 ; 外观鉴定 1) 上 边坡不 得有松石 。 不 符合 要...

1、当您付费下载文档后,您只拥有了使用权限,并不意味着购买了版权,文档只能用于自身使用,不得用于其他商业用途(如 [转卖]进行直接盈利或[编辑后售卖]进行间接盈利)。
2、本站所有内容均由合作方或网友上传,本站不对文档的完整性、权威性及其观点立场正确性做任何保证或承诺!文档内容仅供研究参考,付费前请自行鉴别。
3、如文档内容存在违规,或者侵犯商业秘密、侵犯著作权等,请点击“违规举报”。

碎片内容

公路工程检测方法

您可能关注的文档

确认删除?
VIP
微信客服
  • 扫码咨询
会员Q群
  • 会员专属群点击这里加入QQ群
客服邮箱
回到顶部