电脑桌面
添加小米粒文库到电脑桌面
安装后可以在桌面快捷访问

医疗器械检验操作规范考试模拟题医疗器械检验操作规范考试模拟题

医疗器械检验操作规范考试模拟题医疗器械检验操作规范考试模拟题_第1页
1/9
医疗器械检验操作规范考试模拟题医疗器械检验操作规范考试模拟题_第2页
2/9
医疗器械检验操作规范考试模拟题医疗器械检验操作规范考试模拟题_第3页
3/9
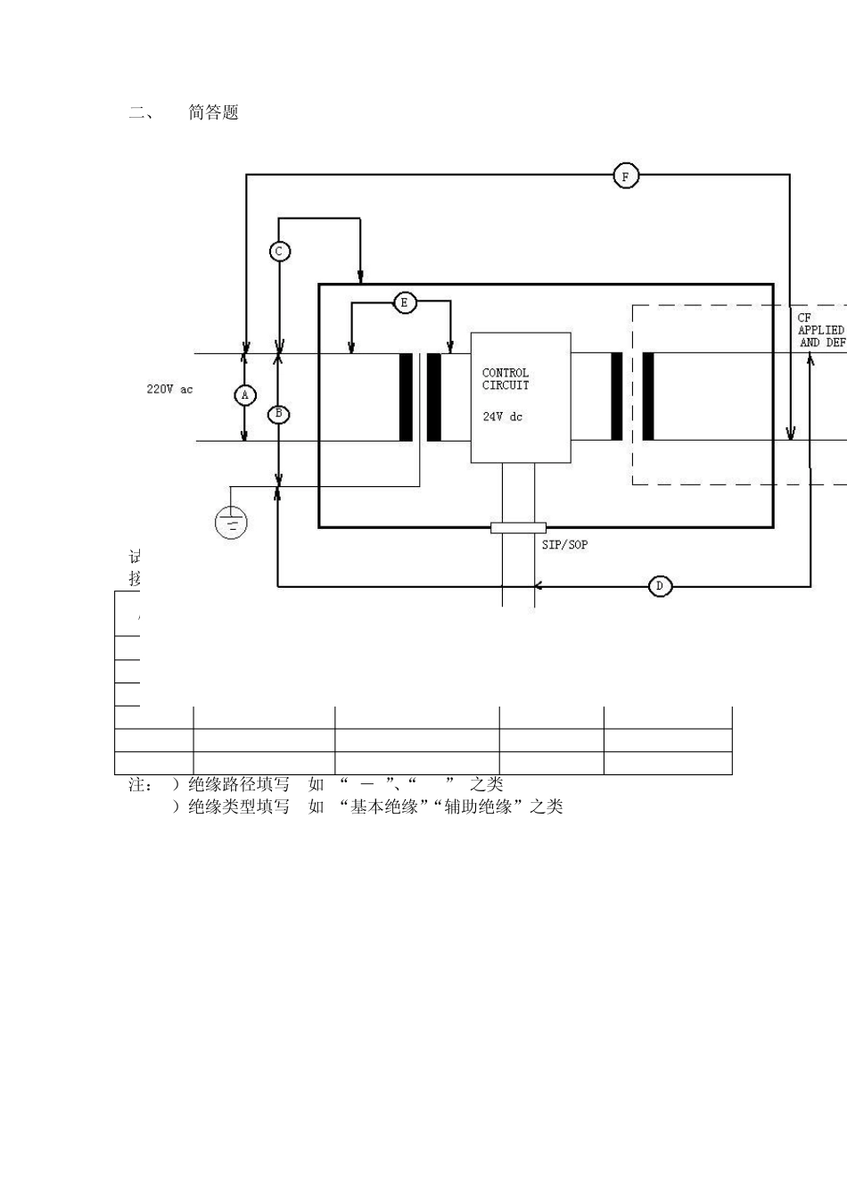
考试思考题1 填空题 1.A-a1是在 部分和 的可触及金属部分之间。这种绝缘应是 。 2.A-a2 是在带电部分和 地外壳部件之间。这种绝缘应是 或 。 3.做电介质试验时:开始,应施加 的电压,然后应在 期间将电压逐渐增加到规定值,应保持此值达 ,之后应在10s 期间将电压 以下。 4.注意施加于 绝缘上的电压不使设备中的 绝缘或 绝缘受到过分的应力。 5.接在 应用部分和外壳间的 装置,如在试验电压时或低于试验电压时会动作,则 。 选择题 1.已知某绝缘为基本绝缘,该绝缘上出现的最高电压为300V,那么试验电压为( )。 A. 1500V B. 2500V C. 1600V D. 4000V 2.已知某绝缘为加强绝缘,该绝缘上出现的最高电压为300V,那么试验电压为( )。 A. 4000V B. 4200V C. 4800V D. 5600V 3.已知某F型应用部分上出现的最高电压为15V,那么做B-d试验时所用的电压为( )。 A. 500V B. 1000V C. 1500V D. 2500V 4.B-d 是在F型应用部分(患者电路)和包括信号输入部分及信号输出部分在内的外壳之间。这种绝缘应是( ) A. 基本绝缘 B. 辅助绝缘 C. 双重绝缘 D. 加强绝缘 一、 判断题 1. 进行 A-e的电介质强度试验时,如果在正常状态下出现在信号输入部分(SIP)和(或)信号输出部分(SOP)的电压不超过安全特低电压,就不需单独检验。 ( ) 2.当应用部分和带电部分之间的总隔离由一个以上的电路绝缘组成时,可由两个或更多个在隔离措施中各个隔离部分上的试验来代替。 ( ) 3.应用部分与网电源之间的绝缘必须是双重绝缘或加强绝缘 ( ) 4.在应用部分和网电源部分直接施加规定的电介质强度试验电压,如发生击穿现象即可判定该绝缘不合格 ( ) 二、 简答题 试根据上图完成下表:(设备为I类,具有CF型应用部分,可触及外壳为未保护接地外壳,应用部分上无电压输出) 序号 绝缘路径 绝缘类型 参考电压 (V) 试验电压 (V) A B C D E F 注:1)绝缘路径填写 如 “A-e”、“B-a” 之类 2)绝缘类型填写 如 “基本绝缘”“辅助绝缘”之类 考试思考题2 一、填空: 1.用于医用电气设备的电源变压器,必须防止其基本绝缘、辅助绝缘和加强绝缘在任何输出绕组 或 时过热。 2. 在变压器电介质强度试验时,所有不打算与供电网相连的绕组必须 ,除非铁芯规定接至电路的非接地部分,打算在一点接地或让一点在近似地电位运行的绕组,必须将该点与铁芯...

1、当您付费下载文档后,您只拥有了使用权限,并不意味着购买了版权,文档只能用于自身使用,不得用于其他商业用途(如 [转卖]进行直接盈利或[编辑后售卖]进行间接盈利)。
2、本站所有内容均由合作方或网友上传,本站不对文档的完整性、权威性及其观点立场正确性做任何保证或承诺!文档内容仅供研究参考,付费前请自行鉴别。
3、如文档内容存在违规,或者侵犯商业秘密、侵犯著作权等,请点击“违规举报”。

碎片内容

医疗器械检验操作规范考试模拟题医疗器械检验操作规范考试模拟题

您可能关注的文档

确认删除?
VIP
微信客服
  • 扫码咨询
会员Q群
  • 会员专属群点击这里加入QQ群
客服邮箱
回到顶部