电脑桌面
添加小米粒文库到电脑桌面
安装后可以在桌面快捷访问

单片机最小系统电路图

单片机最小系统电路图_第1页
1/9
单片机最小系统电路图_第2页
2/9
单片机最小系统电路图_第3页
3/9
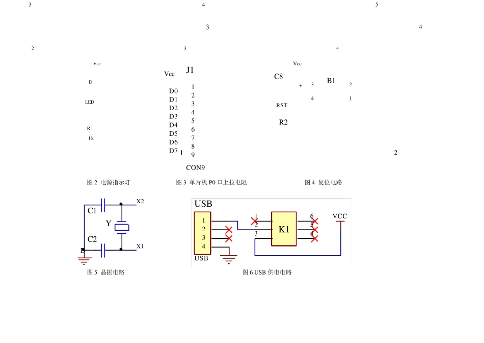
单片机基础实践 D0D1D2D3D4D5D6D7EAALEPSENP1. 01P1. 12P1. 23P1. 34P1. 45P1. 56P1. 67P1. 78RST9P3. 0 (RXD)1 0P3. 1 (TXD)1 1P3. 2 (INT0 )1 2P3. 3 (INT1 )1 3P3. 4 (T0)1 4P3. 5 (T1)1 5P3. 6 (WR)1 6P3. 7 (RD)1 7XTAL21 8XTAL11 9GND2 0P2. 02 1P2. 12 2P2. 22 3P2. 32 4P2. 42 5P2. 52 6P2. 62 7P2. 72 8PSEN2 9ALE3 0EA3 1P0. 73 2P0. 63 3P0. 53 4P0. 43 5P0. 33 6P0. 23 7P0. 13 8P0. 03 9Vcc4 0U1STC8 9 C52P10P11P12P13P14P15P16P17P20P21P22P23P24P25P26P27P30P31P32P33P34P35P36P37X2X1RSTVcc 图 1 单片机 STC89C52 电路图 432VccR11kDLED 43123456789J1CON9D0D1D2D3D4D5D6D7Vcc 543+C81234B1R2VccRST 图2 电源指示灯 图3 单片机P0 口上拉电阻 图4 复位电路 YC1C2X1X2 21D123456K11234USBUSBVCC 图5 晶振电路 图6 USB 供电电路 BCC1+1V+2C1-3C2+4C2-5V 1-6T2OUT7R2IN8T2OUT9T2IN10T1IN11R1OUT12R1IN13T1OUT14GND15VCC16U3MAX232162738495J6D3串口直连线+C110u F+ C210u F+C310u F+C410u FVcc+C510u FP3.0P3.1R11k 图 7 串行口电路图 V CCR111KR121KR131KR141KR151KR161KR17RES2R18RES2P10P11P12P13P14P15P16P17D0LEDD1LEDD2LEDD3LEDD4LEDD5LEDD6LEDD7LED 图8 8 个 LED 灯电路图 S1SW-PBS2SW-PBS3SW-PBS4SW-PBS5SW-PBS6SW-PBS7SW-PBS8SW-PBS9SW-PBS10SW-PBS11SW-PBS12SW-PBS13SW-PBS14SW-PBS15SW-PBS16SW-PBkey0key1key2key3key4key5key6key7k0SW-PBk1SW-PBk2SW-PBk3SW-PBkey00key01key02key03 图9 矩阵键盘和独立键盘电路图 a1b2c4d6dp3v5e7g8f9v10SMG0a1b2c4d6dp3v5e7g8f9v10SMG1a1b2c4d6dp3v5e7g8f9v10SMG2a1b2c4d6dp3v5e7g8f9v10SMG3a1b2c4d6dp3v5e7g8f9v10SMG4a1b2c4d6dp3v5e7g8f9v10SMG5E1D02D13D24D35D46D57D68D79L11GND10Q712Q613Q514Q415Q316Q217Q118Q019VCC20IC174HC573E1D02D13D24D35D46D57D68D79L11GND10Q712Q613Q514Q415Q316Q217Q118Q019VCC20IC274HC573A BBBBBBAAAAAGGGGGGFFFFDPDPDPDPDPDPEEEEEEDDDDDDCCCCCCVCCVCCABCDEFGDPWE0WE1WE2WE3WE4WE5FFWE0WE1WE2WE3WE4WE5a1b2c4d6dp3v5e7g8f9v10SMG6a1b2c4d6dp3v5e7g8f9v10SMG7BBAAGGDPDPEEDDCCFFWE6WE7WE6WE7D0D1D2D3D4D5D6D7D0D1D2D3D4D5D6D7P20P21 图10 数码管和锁存器(74HC573)电路图 IN31IN42IN53IN64IN75START6EOC7D38EN9CLK10Vcc11ref(+)12GND13D114D215ref(-)16D017D418D519D620D721ALE22ADD-C23ADD-B24ADD-A25IN026IN127IN228U7ADC0809W310kVccVccD0D1D2D3D4D5D6D7ABCSTSTEOCENCLKIN0IN1IN2IN3IN4IN5IN6IN7 图 11 ADC0809 电路图 CS1WR12AGND3D34D25D16D07Vref8Rfb9DGND10Iou t111Iou t212D713D614D515D416XFER17WR218ILE19Vcc20U8DAC0832D0D1D2D3D4D5D6D7/W R/CSVccRfVou t2Vou t1 图 12 DAC0832 电路图 VCCW 110KR410VCC1 2 3 4 5 6 7 8 91011 12 1314 15 161602D0 D1 D2 D3 D4 D5 D6 D7RS RWEN 图 13 液晶 LCD1602 电路图

1、当您付费下载文档后,您只拥有了使用权限,并不意味着购买了版权,文档只能用于自身使用,不得用于其他商业用途(如 [转卖]进行直接盈利或[编辑后售卖]进行间接盈利)。
2、本站所有内容均由合作方或网友上传,本站不对文档的完整性、权威性及其观点立场正确性做任何保证或承诺!文档内容仅供研究参考,付费前请自行鉴别。
3、如文档内容存在违规,或者侵犯商业秘密、侵犯著作权等,请点击“违规举报”。

碎片内容

单片机最小系统电路图

您可能关注的文档

确认删除?
VIP
微信客服
  • 扫码咨询
会员Q群
  • 会员专属群点击这里加入QQ群
客服邮箱
回到顶部