电脑桌面
添加小米粒文库到电脑桌面
安装后可以在桌面快捷访问

南方电网公司220千伏及以下电网可研工程造价控制指标(2015年版)

南方电网公司220千伏及以下电网可研工程造价控制指标(2015年版)_第1页
1/36
南方电网公司220千伏及以下电网可研工程造价控制指标(2015年版)_第2页
2/36
南方电网公司220千伏及以下电网可研工程造价控制指标(2015年版)_第3页
3/36
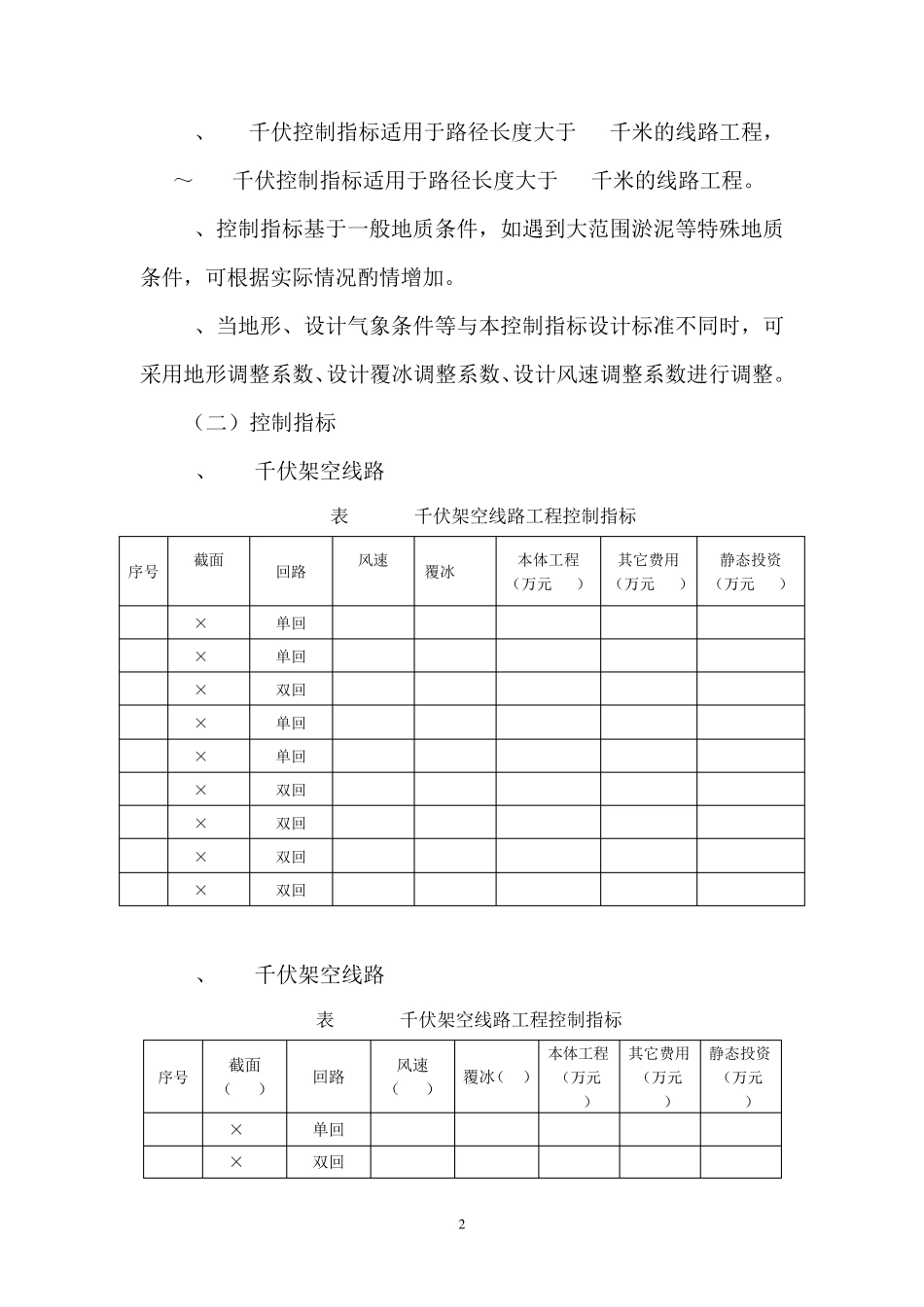
1 附件 南方电网公司220千伏及以下电网可研 工程造价控制指标(2015年版) 一、总体说明 (一)以各省公司、广州、深圳供电局近年来批复可研的 220千伏及以下电网工程可研投资估算为基础,选取代表性强、同类技术方案较多的工程作为样本,采用多种技术方法提炼修正,形成典型技术方案可研工程造价控制指标。 (二)2015年典型技术方案控制指标共 107个,其中架空线路工程20个、电缆工程15个、变电工程21个、配电网工程51个。 (三)通过与公司典型造价(V1.0)、投产电网工程概算和结算造价水平对比校核,总体水平适中,可用于匡算电网规划投资、估算前期工作费用、审核可研投资估算等。 二、架空线路工程 (一)指标说明 1、架空线路工程控制指标主要针对新建线路工程,按照电压等级、导线截面、回路、气象条件等技术条件,确定各种典型技术条件下所对应的控制指标。 2、控制指标计算到静态投资,不包括大跨越、地区间价差调整、建设期贷款利息。由于建场费与实际工程所在位置、地形条件及地方政策密切相关,其他费用中不含建设场地征用及清理费用。 2 3、35千伏控制指标适用于路径长度大于5千米的线路工程,110~220千伏控制指标适用于路径长度大于10千米的线路工程。 4、控制指标基于一般地质条件,如遇到大范围淤泥等特殊地质条件,可根据实际情况酌情增加。 5、当地形、设计气象条件等与本控制指标设计标准不同时,可采用地形调整系数、设计覆冰调整系数、设计风速调整系数进行调整。 (二)控制指标 1、220千伏架空线路 表1 220千伏架空线路工程控制指标 序号 截面(mm2) 回路 风速(m/s) 覆冰(mm) 本体工程 (万元/km) 其它费用(万元/km) 静态投资 (万元/km) 1 2×300 单回 27 10 84 20 104 2 2×400 单回 23.5 0 74 17 92 3 2×400 双回 33 0 113 30 143 4 2×500 单回 27 10 92 26 118 5 2×500 单回 27 20 163 51 214 6 2×500 双回 25 10 149 49 198 7 2×630 双回 29 0 132 34 166 8 2×630 双回 33 0 140 41 181 9 2×630 双回 37 0 148 45 193 2、110千伏架空线路 表2 110千伏架空线路工程控制指标 序号 截面(mm2) 回路 风速(m/s) 覆冰(mm) 本体工程(万元/km) 其它费用(万元/km) 静态投资(万元/km) 1 1×240 单回 25 10 39 11 50 2 1×240 双回 25 10 59 15 74 3 序号 截面...

1、当您付费下载文档后,您只拥有了使用权限,并不意味着购买了版权,文档只能用于自身使用,不得用于其他商业用途(如 [转卖]进行直接盈利或[编辑后售卖]进行间接盈利)。
2、本站所有内容均由合作方或网友上传,本站不对文档的完整性、权威性及其观点立场正确性做任何保证或承诺!文档内容仅供研究参考,付费前请自行鉴别。
3、如文档内容存在违规,或者侵犯商业秘密、侵犯著作权等,请点击“违规举报”。

碎片内容

南方电网公司220千伏及以下电网可研工程造价控制指标(2015年版)

您可能关注的文档

确认删除?
VIP
微信客服
  • 扫码咨询
会员Q群
  • 会员专属群点击这里加入QQ群
客服邮箱
回到顶部