电脑桌面
添加小米粒文库到电脑桌面
安装后可以在桌面快捷访问

厂内电气系统检查记录表

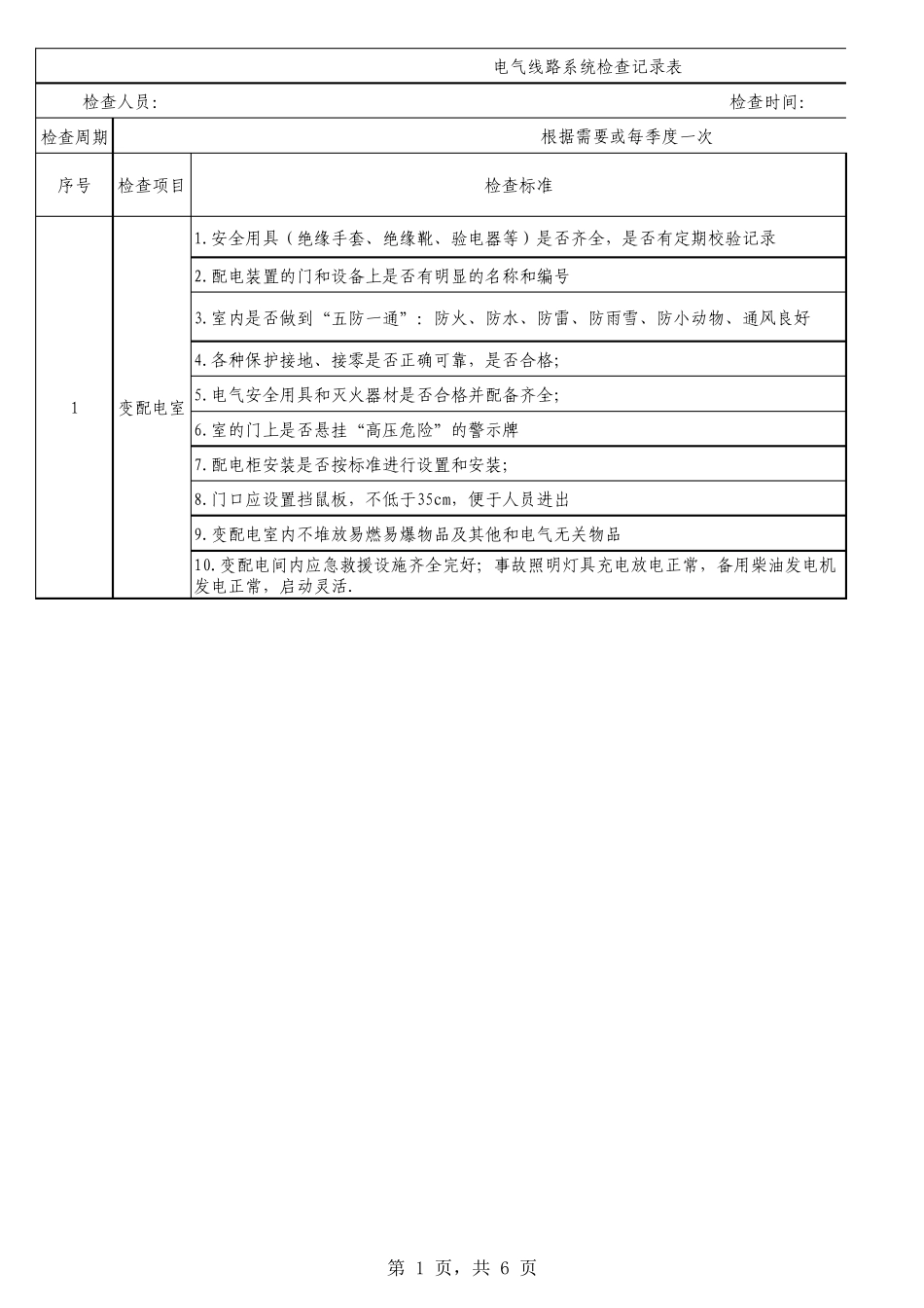
厂内电气系统检查记录表_第1页
1/6
厂内电气系统检查记录表_第2页
2/6
厂内电气系统检查记录表_第3页
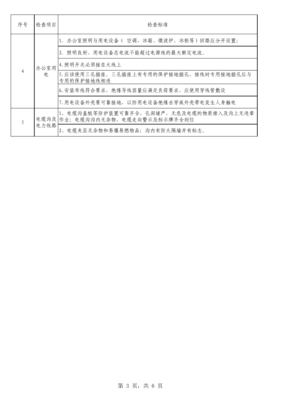
3/6
检查周期1.安全用具(绝缘手套、绝缘靴、验电器等)是否齐全,是否有定期校验记录2.配电装置的门和设备上是否有明显的名称和编号3.室内是否做到“五防一通”:防火、防水、防雷、防雨雪、防小动物、通风良好4.各种保护接地、接零是否正确可靠,是否合格;5.电气安全用具和灭火器材是否合格并配备齐全;6.室的门上是否悬挂“高压危险”的警示牌7.配电柜安装是否按标准进行设置和安装;8.门口应设置挡鼠板,不低于35cm,便于人员进出9.变配电室内不堆放易燃易爆物品及其他和电气无关物品10.变配电间内应急救援设施齐全完好;事故照明灯具充电放电正常,备用柴油发电机发电正常,启动灵活.变配电室电气线路系统检查记录表 检查人员: 检查时间:根据需要或每季度一次序号1检查标准检查项目第 1 页,共 6 页序号检查标准检查项目1、电气设备运行中的电压、电流、温度指示是否正常,有无违反标准现象;2、电气设备完好情况,安全附件及防护装置是否可靠。3、各种电气设备是否完好标示清楚;4、充油设备、检查油位正常与否,漏油情况;瓷绝缘部位是否有裂痕放电等;5、是否定期检查清扫维护。6、临时设备,临时线是否有明确的安装要求和安全注意事项;1.检查导线的发热情况,检查线路的负荷情况,各照明良好。2.检查配电箱,分线盒、+开关,熔断器、母线槽接地接零等运行情况,着重检查母线接头有无氧化,过热变色和腐蚀等情况,接线有无松脱、放电和烧毛现象,螺栓是否紧固。4 .检查线路上及线路周围有无影响线路安全运行的异常情况。绝对禁止在绝缘导线上悬挂物体,禁止在线路旁堆放易燃易爆物品。5.线路上各种接地是否良好,有无松动、断股和锈蚀现象。6.在危险爆炸区域使用的防爆灯、开关、插座,无松动,无破损、无烧焦发热现象,外观 清洁 完好7.禁止用铜 丝 、铝 丝 、铁 丝 代 替 保 险丝 ;禁止用信 号传 输 线代 替 电源 线;禁止用医 用白 胶 布 代 替 绝缘黑 胶 布23电气设备工 作 现场(车 间 )第 2 页,共 6 页序号检查标准检查项目1. 办公室照明与用电设备( 空调、冰箱、微波炉、冰柜等)回路应分开设置;2. 照明良好、用电设备总电流不能超过电源线的最大额定电流。4.照明开关必须接在火线上5.应该使用三孔插座。三孔插座上有专用的保护接地插孔,接线时专用接地插孔应与专用的保护接地线相连6.安装布线符合要求,绝缘导线容量应满足负荷要求,应使用穿线管敷设7.用电设备外壳要可靠接地,...

1、当您付费下载文档后,您只拥有了使用权限,并不意味着购买了版权,文档只能用于自身使用,不得用于其他商业用途(如 [转卖]进行直接盈利或[编辑后售卖]进行间接盈利)。
2、本站所有内容均由合作方或网友上传,本站不对文档的完整性、权威性及其观点立场正确性做任何保证或承诺!文档内容仅供研究参考,付费前请自行鉴别。
3、如文档内容存在违规,或者侵犯商业秘密、侵犯著作权等,请点击“违规举报”。

碎片内容

厂内电气系统检查记录表

小辰6+ 关注
实名认证
内容提供者

出售各种资料和文档

确认删除?
VIP
微信客服
  • 扫码咨询
会员Q群
  • 会员专属群点击这里加入QQ群
客服邮箱
回到顶部