电脑桌面
添加小米粒文库到电脑桌面
安装后可以在桌面快捷访问

医用红外体温计 (额温枪)产品技术要求

医用红外体温计 (额温枪)产品技术要求_第1页
1/6
医用红外体温计 (额温枪)产品技术要求_第2页
2/6
医用红外体温计 (额温枪)产品技术要求_第3页
3/6
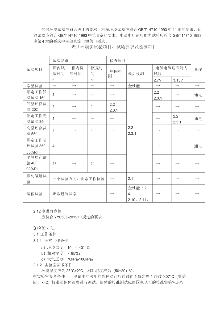
表示系列号仪器代码医疗器械产品技术要求编号:医用红外体温计1.产品型号/规格及其划分说明1.1 产品型号/规格RF-TW-011.2 划分说明1.3 软件1.3.1 软件名称:医用红外体温计软件1.3.2 软件型号:TWJ01-A1.3.3 软件发布版本:TWJ01-A1.3.4 命名规则:(1)软件版本号“TWJ01-A-□-□(□□□□□□)”主版本号子版本号阶段版本号构建(2) "TWJ01-A"为主版本号,属于“重大增强类软件更新”。TWJ01 为产品型号代码,代表用于人体的额头部位的非接触式体温测量:A 为主体程序号,版本由 A 到 Z。“1”为子版本号,属于“轻微增强类软件更新”。(3) 第二位为子版本号,属于“轻微增强类软件更新”,当功能有一定的增加或变化时更新。第三位为阶段版本号,属于“纠正类软件更新”,当进行缺陷修复或一些小变动、不涉及功能性的改变时更新。第四位属于“构建”,为程序修改时间。1.4 医用红外体温计的基本参数1.4.1 显示装置:液晶显示屏;1.4.2 产品尺寸:145mm*80mm*4mm(长*宽*高);1.4.3 重量:120g;1.4.4 电源电压:DC3V。1.5 医疗器械分类本产品属于 07-03 生理参数分析测量设备。2.性能指标2.1 外观与结构2.1.1 外形应端正,表面应光亮整洁,不得有锋棱、毛刺、破损和变形。2.1.2 控制面板上文字和标志应准确、清晰、牢固。2.1.3 控制和调节机构应灵活可靠,紧固件无松动。2.1.4 功能键应有明确的标记、指示。2.2 温度测试范围医用红外体温计温度显示范围为 32.0°C-42.9°C。2.3 最大允许误差2.3.1 在 35.0C~42.0C 的温度显示范围内,最大允许误差±0.2°C。2.3.2 在 35.0C~42.0C 的温度显示范围外,最大允许误差±0.3°C。2.4 抗跌落性医用红外体温计在正常使用时从垂直距离为 1m 高处以三次不同起始姿态自由跌落到一硬质表面上后应符合 2.3.1 的要求。若医用红外体温计不符合规定的要求,在其受到抗跌落性试验后就停止提供温度读。2.5 指示单元2.5.1 分辨力医用红外体温计指示单元的分辨力为 0.1°C。2.5.2 显示显示器的数值高度至少为 5mm。2.5.3 提示/报警功能温度测量值超过规定限度时,医用红外体温计有声音或光的提示/报警信号,或停止读数:a)电源电压;b)温度显示范围;c)环境温度的操作范围2.5.4 低电压提示功能电池电量在 2.7V±0.2 范围内时,显示屏会出现电池符号三二或显示屏警报红色信号,或是"LO"停止显示温度读数。2.6 功能长按测量键开机,显示屏全显 1.5 秒后自动进行测量...

1、当您付费下载文档后,您只拥有了使用权限,并不意味着购买了版权,文档只能用于自身使用,不得用于其他商业用途(如 [转卖]进行直接盈利或[编辑后售卖]进行间接盈利)。
2、本站所有内容均由合作方或网友上传,本站不对文档的完整性、权威性及其观点立场正确性做任何保证或承诺!文档内容仅供研究参考,付费前请自行鉴别。
3、如文档内容存在违规,或者侵犯商业秘密、侵犯著作权等,请点击“违规举报”。

碎片内容

医用红外体温计 (额温枪)产品技术要求

确认删除?
VIP
微信客服
  • 扫码咨询
会员Q群
  • 会员专属群点击这里加入QQ群
客服邮箱
回到顶部