电脑桌面
添加小米粒文库到电脑桌面
安装后可以在桌面快捷访问

反渗透及一二级除盐的工艺说明

反渗透及一二级除盐的工艺说明_第1页
1/16
反渗透及一二级除盐的工艺说明_第2页
2/16
反渗透及一二级除盐的工艺说明_第3页
3/16
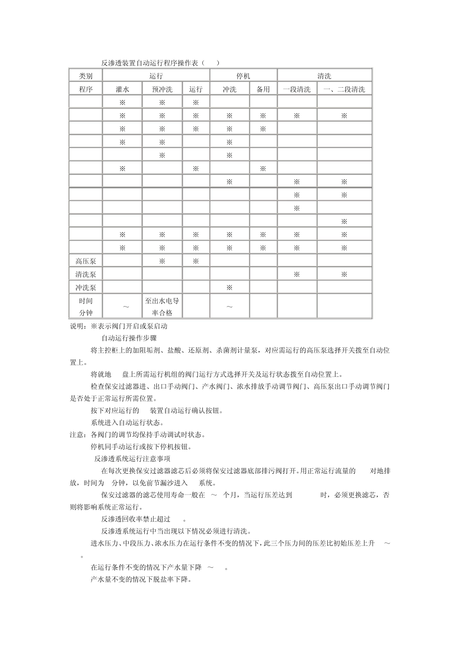
反 渗 透 及 一 二 级 除 盐 的 工 艺 说 明 1.1 反 渗 透 及 一 二 级 除 盐 的 工 艺 说 明 4.2.1 反 渗 透 水 处 理 系 统 布 置 在 超 滤 系 统 之 后 , 来 水 取 自 清 水 箱 , 出 水 进 入 淡 水 箱 , 经 淡 水 泵 升 压 后 进 入一 级 阳 床 、 阴 床 和 二 级 混 床 的 除 盐 系 统 。 4.2.2 工 艺 流 程 清 水 箱 → 清 水 泵 → 保 安 过 滤 器 → 高 压 给 水 泵 → 反 渗 透 → 除 碳 器 → 除 碳 水 箱 → 淡 水 泵 → 一 级 阳 床 → 一 级 阴 床→ 二 级 混 床 → 除 盐 水 箱 → 除 盐 水 泵 → 机 组 补 水 或 其 它 除 盐 水 用 户 4.2.3 给 水 水 质 标 准 浊 度 : ≤ 1NTU 污 染 指 数 : SDI≤ 3.5 最 大 污 染 指 数 : SDI(MAX)< 5 水 温 : 20℃ ~ 30℃ 余 氯 : ≤ 0.1mg/L 连 续 运 行 PH范 围 : 3~ 10 短 时 清 洗 PH范 围 ( 30 分 钟 ) : 2~ 11.5 1.2 反 渗 透 装 置 运 行 操 作 4.3.1 反 渗 透 装 置 运 行 检 查 及 操 作 4.3.1.1 反 渗 透 装 置 的 投 运 前 的 检 查 及 运 行 操 作 : 1) 检 查 压 缩 空 气 储 气 罐 压 力 正 常 。 2) 检 查 主 控 柜 及 就 地 操 作 盘 的 控 制 电 源 已 送 上 3) 检 查 就 地 气 动 阀 控 制 箱 进 气 压 力 正 常 。 4) 将 就 地 操 作 控 制 柜 加 阻垢剂、 氧化剂、 还原剂、 盐 酸计量泵 和 对应需运 行 反 渗 透 装 置 的 高 压 泵 选择开关转至就 地 手动 位置 上 。 5) 检 查 恢复清 水 系 统 , 开启清 水 箱 进 水 手动 门, 联系 集控 开启排污 冷却器 、 生水 加 热器 水 侧进 、 出 水总门及 旁路门( 夏季运 行 方式;冬季要投 加 热器 气 侧以提高 进 反 渗 透 水 温 ) 。 6) 检 查 确认清 水 池水 位在 1/2 以上 , 检 查 化学补 给 水 泵 处 于正 常 备用 状态, 启动 一 台化学补 给 水 泵 ,检 查 确认化学补 给 水 管道无泄漏, 清 水 箱 进 水 压 力 、 流 量...

1、当您付费下载文档后,您只拥有了使用权限,并不意味着购买了版权,文档只能用于自身使用,不得用于其他商业用途(如 [转卖]进行直接盈利或[编辑后售卖]进行间接盈利)。
2、本站所有内容均由合作方或网友上传,本站不对文档的完整性、权威性及其观点立场正确性做任何保证或承诺!文档内容仅供研究参考,付费前请自行鉴别。
3、如文档内容存在违规,或者侵犯商业秘密、侵犯著作权等,请点击“违规举报”。

碎片内容

反渗透及一二级除盐的工艺说明

您可能关注的文档

确认删除?
VIP
微信客服
  • 扫码咨询
会员Q群
  • 会员专属群点击这里加入QQ群
客服邮箱
回到顶部