电脑桌面
添加小米粒文库到电脑桌面
安装后可以在桌面快捷访问

发酵罐cad图纸word文件

发酵罐cad图纸word文件_第1页
1/13
发酵罐cad图纸word文件_第2页
2/13
发酵罐cad图纸word文件_第3页
3/13
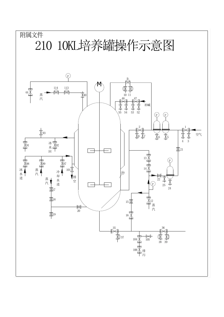
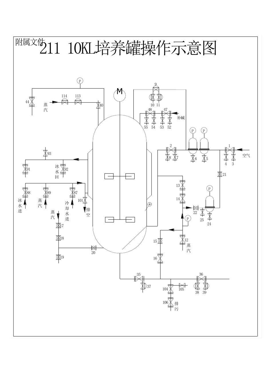
209 10KL培养罐操作示意图M蒸汽PP空气41732568212422161043835361920181739P106蒸汽1210537P929391878889冷却水进蒸汽冰水进排空P44910 111315冰水回484755 5453521425蒸汽11411340101排污补碱附属文件211 10KL培养罐操作示意图M蒸汽PP空气41732568212422161043835361920181739P106蒸汽1210537P929391878889冷却水进蒸汽冰水进排空P44910 111315冰水回4847555453521425蒸汽11411340101排污补碱附属文件210 10KL培养罐操作示意图M蒸汽PP空气41732568212422161043835361920181739P106蒸汽1210537P929391878889冷却水进蒸汽冰水进排空P44910 111315冰水回4847555453521425蒸汽11411340101排污补碱附属文件M213 10KL培养罐操作示意图P蒸汽PP空气417325682124221610438353613192018174439P蒸汽1210537P4143 42冷却水回929392878889冷却水进蒸汽冰水进排空25冰水回排污移种附属文件M404 20KL补料罐操作示意图排空冰水回P冷却水回蒸汽蒸汽PP空气P4173256821242216104383536139101119201817878988101929193冷却水回冰水进443914P106蒸汽1210537P附属文件M403 20KL补料罐操作示意图排空冰水回P冷却水回蒸汽蒸汽PP空气P4173256821242216104383536139101119201817878988101929193冷却水回冰水进443914P106蒸汽1210537P附属文件附属文件M排空冰水回P冷却水回蒸汽蒸汽PP空气P4173256821242216104383536139101119201817878988101929193冷却水回冰水进443914P106蒸汽1210537P402 20KL补料罐操作示意图附属文件M401 20KL补料罐操作示意图排空冰水回P冷却水回蒸汽蒸汽PP空气P4173256821242216104383536139101119201817878988101929193冷却水回冰水进443914P106蒸汽1210537PM321 60KL罐操作示意图蒸汽排气排空热水回冰水回P排空冰水进蒸汽排空蒸汽蒸汽排空PPP蒸汽氨水PP空气液氨P蒸汽蒸汽排污至提炼2L计量杯移种补水管道61110417646332568109108107111 1122124222312161043835361372 7165662628276974 75686276776772 734441424310395971029496192018178889908710010111592919332 33293031475352P9998冷却水回冷却水回冷却水进冷却水进485554116117 118115附属文件M320 60KL罐操作示意图蒸汽排气排空热水回冰水回P排空冰水进蒸汽排空蒸汽蒸汽排空PPP蒸汽氨水PP空气液氨P蒸汽蒸汽排污至提炼2L计量杯移种补水管道61110417646332568109108107111 1122124222312161043835361372 716566262827697475686276776772 73444142431039597102949619201817...

1、当您付费下载文档后,您只拥有了使用权限,并不意味着购买了版权,文档只能用于自身使用,不得用于其他商业用途(如 [转卖]进行直接盈利或[编辑后售卖]进行间接盈利)。
2、本站所有内容均由合作方或网友上传,本站不对文档的完整性、权威性及其观点立场正确性做任何保证或承诺!文档内容仅供研究参考,付费前请自行鉴别。
3、如文档内容存在违规,或者侵犯商业秘密、侵犯著作权等,请点击“违规举报”。

碎片内容

发酵罐cad图纸word文件

小辰6+ 关注
实名认证
内容提供者

出售各种资料和文档

确认删除?
VIP
微信客服
  • 扫码咨询
会员Q群
  • 会员专属群点击这里加入QQ群
客服邮箱
回到顶部