电脑桌面
添加小米粒文库到电脑桌面
安装后可以在桌面快捷访问

可转位刀片型号与ISO表示规则

可转位刀片型号与ISO表示规则_第1页
1/6
可转位刀片型号与ISO表示规则_第2页
2/6
可转位刀片型号与ISO表示规则_第3页
3/6
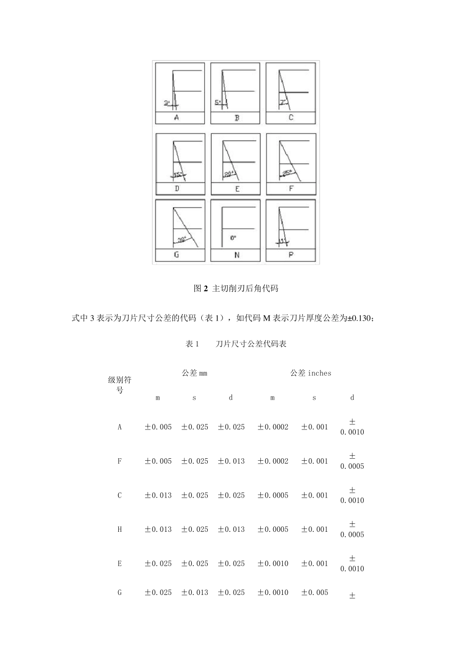
可转位刀片型号与 ISO 表示规则 式中 1 表示为刀片形状的代码(图 1),如代码 C 表示刀尖角为 80°; 图 1 刀片形状代码 式中 2 表示为主切削刃后角的代码(图 2),如代码 N 表示后角为 0°; 图2 主切削刃后角代码 式中3 表示为刀片尺寸公差的代码(表1),如代码M 表示刀片厚度公差为±0.130; 表1 刀片尺寸公差代码表 级别符号 公差mm 公差inches m s d m s d A ±0.005 ±0.025 ±0.025 ±0.0002 ±0.001 ±0.0010 F ±0.005 ±0.025 ±0.013 ±0.0002 ±0.001 ±0.0005 C ±0.013 ±0.025 ±0.025 ±0.0005 ±0.001 ±0.0010 H ±0.013 ±0.025 ±0.013 ±0.0005 ±0.001 ±0.0005 E ±0.025 ±0.025 ±0.025 ±0.0010 ±0.001 ±0.0010 G ±0.025 ±0.013 ±0.025 ±0.0010 ±0.005 ±0.0010 J ±0.005 ±0.025 ±0.05 ±0.13 ±0.0002 ±0.001 ±0.002 ±0.005 K ±0.013 ±0.025 ±0.05 ±0.13 ±0.0005 ±0.001 ±0.002 ±0.005 L ±0.025 ±0.025 ±0.05 ±0.13 ±0.0010 ±0.001 ±0.002 ±0.005 M ±0.08 ±0.18 ±0.013 ±0.05 ±0.13 ±0.003 ±0.007 ±0.005 ±0.002 ±0.005 N ±0.08 ±0.18 ±0.025 ±0.05 ±0.13 ±0.003 ±0.007 ±0.001 ±0.002 ±0.005 U ±0.013 ±0.38 ±0.013 ±0.08 ±0.25 ±0.005 ±0.015 ±0.005 ±0.003 ±0.010 注:表中 s 为刀片厚度,d 为刀片内切圆直径,m 为刀片尺寸参数(图 3)。 图 3 刀片尺寸参数 式中 4 表示为刀片断屑及夹固形式的代码(图 4),如代码 G 表示双面断屑槽,夹固形式为通孔; 图4 刀片断屑及夹固形式代码 式中 5 表示为切削刃长度表示方法(图5),如代码12 表示切削刃长度为 12m m ; 图5 切削刃长度表示方法 式中 6 表示为刀片厚度的代码(图6),如代码04 表示刀片厚度为 4.76m m ; 图6 刀片厚度代码 式中7 表示为修光刃的代码(图7),如代码08 表示刀尖圆弧半径为0.8mm; 图7 修光刃代码 式中8 表示为表示特殊需要的代码; 式中9 表示为进给方向的代码,如代码R 表示右进刀,代码L 表示左进刀,代码N 表示中间进刀; 式中10 表示为断屑槽型的代码(表2)。 表2 刀片断屑槽选用推荐表 断屑 槽型 工 件 材 料 长屑材料 不锈钢 短屑材料 耐热材料 软材料 ...

1、当您付费下载文档后,您只拥有了使用权限,并不意味着购买了版权,文档只能用于自身使用,不得用于其他商业用途(如 [转卖]进行直接盈利或[编辑后售卖]进行间接盈利)。
2、本站所有内容均由合作方或网友上传,本站不对文档的完整性、权威性及其观点立场正确性做任何保证或承诺!文档内容仅供研究参考,付费前请自行鉴别。
3、如文档内容存在违规,或者侵犯商业秘密、侵犯著作权等,请点击“违规举报”。

碎片内容

可转位刀片型号与ISO表示规则

小辰5+ 关注
实名认证
内容提供者

出售各种资料和文档

确认删除?
VIP
微信客服
  • 扫码咨询
会员Q群
  • 会员专属群点击这里加入QQ群
客服邮箱
回到顶部