电脑桌面
添加小米粒文库到电脑桌面
安装后可以在桌面快捷访问

各种电解电容规格大全(直插)1

各种电解电容规格大全(直插)1_第1页
1/6
各种电解电容规格大全(直插)1_第2页
2/6
各种电解电容规格大全(直插)1_第3页
3/6
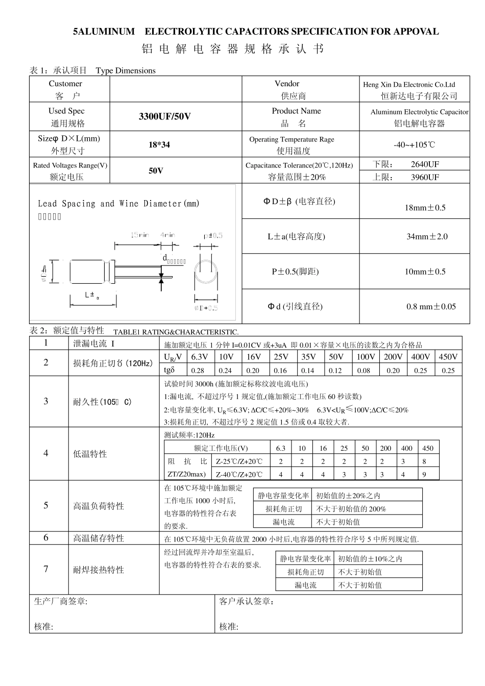
5ALUMINUM ELECTROLYTIC CAPACITORS SPECIFICATION FOR APPOVAL 铝 电 解 电 容 器 规 格 承 认 书 表1:承认项目 Type Dimensions Customer 客 户 Vendor 供应商 Heng Xin Da Electronic Co.Ltd 恒新达电子有限公司 Used Spec 通用规格 3300UF/50V Product Name 品 名 Aluminum Electrolytic Capacitor 铝电解电容器 Sizeφ D×L(mm) 外型尺寸 18*34 Operating Temperature Rage 使用温度 -40~+105℃ Rated Voltages Range(V) 额定电压 50V Capacitance Tolerance(20℃,120Hz) 容量范围±20% 下限: 2640UF 上限: 3960UF βαLead Spacing and Wine Diameter(mm)型状及尺寸d±0.005 Φ D±β (电容直径) 18mm±0.5 L±a(电容高度) 34mm±2.0 P±0.5(脚距) 10mm±0.5 Φ d (引线直径) 0.8 mm±0.05 表2:额定值与特性 TABLE1 RATING&CHARACTERISTIC. 1 泄漏电流 I 施加额定电压1 分钟 I=0.01CV 或+3uA 即 0.01×容量×电压的读数之内为合格品 2 损耗角正切〥(120Hz) UR/V 6.3V 10V 16V 25V 35V 50V 100V 200V 400V 450V tgδ 0.28 0.24 0.20 0.16 0.14 0.12 0.08 0.20 0.25 0.25 3 耐久性(105° C) 试验时间 3000h (施加额定标称纹波电流电压) 1:漏电流, 不超过序号 1 规定值,(施加额定工作电压60 秒读数) 2:电容量变化率, UR≤6.3V; Δ C/C≤+20%~30% 6.3V

1、当您付费下载文档后,您只拥有了使用权限,并不意味着购买了版权,文档只能用于自身使用,不得用于其他商业用途(如 [转卖]进行直接盈利或[编辑后售卖]进行间接盈利)。
2、本站所有内容均由合作方或网友上传,本站不对文档的完整性、权威性及其观点立场正确性做任何保证或承诺!文档内容仅供研究参考,付费前请自行鉴别。
3、如文档内容存在违规,或者侵犯商业秘密、侵犯著作权等,请点击“违规举报”。

碎片内容

各种电解电容规格大全(直插)1

确认删除?
微信客服
  • 扫码咨询
会员Q群
  • 会员专属群点击这里加入QQ群