电脑桌面
添加小米粒文库到电脑桌面
安装后可以在桌面快捷访问

mT梁m和m箱梁预制及架设施工方案

mT梁m和m箱梁预制及架设施工方案_第1页
1/16
mT梁m和m箱梁预制及架设施工方案_第2页
2/16
mT梁m和m箱梁预制及架设施工方案_第3页
3/16
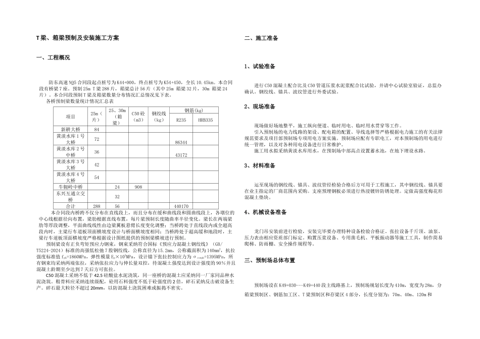
(K44+000~K54+450)25 米 T 梁、箱梁及 30 米箱梁预制和安装施工方案编制:复核:审核:路桥集团国际建设股份有限公司防东高速五合同项目经理部2024 年 05 月 25 日目 录一、工程概况 1二、施工准备 21、试验准备 22、现场准备 23、材料准备 24、机械设备准备 3三、预制场总体布置 31、T 梁底座结构 32、预制场场地及基础硬化处理 43、施工场地临时房屋 44、排水设置 45、供电系统 5四、预制场施工场地管理 5精品文档---下载后可任意编辑1、预制场施工场地管理 52、原材料堆放与管理 53、场内施工标牌 64、内业管理 6五、T 梁、箱梁预制施工工艺 61、预制梁模板制作与安装 62、钢筋加工及安装 83、锚垫板、波纹管安装 94、混凝土浇注 105、预应力工程 116、梁端封锚 177、梁养护及凿毛 188、梁存放 189、梁运输 19六、预制梁架设施工工艺 193、运梁 194、梁架设 20七、质量标准和检测方法 23八、施工进度计划及保证措施 241、底座投入数量及计算思路 242、模板投入数量及计算思路 243、施工进度计划 244、施工进度保障措施 25九、机械设备及人员配备 26十、预制梁质量通病治理和质量控制措施 261、质量通病治理措施 262、质量控制措施 28十一、安全保证措施 29十二、文明环保施工措施 30T 梁、箱梁预制及安装施工方案一、工程概况防东高速 NO5 合同段起点桩号为 K44+000,终点桩号为 K54+450,全长 10.45km。本合同段有桥梁 7 座。预制 25m T 梁 288 片,箱梁总计 56 片(其中 25m 箱梁 32 片,30m 箱梁 24片)。本合同段预制 T 梁及箱梁数量分布情况汇总情况见下表。各桥预制梁数量统计情况汇总表项目25m(片)25、30m(箱梁)C50 砼(m3)钢绞线(kg)钢筋(kg)R235HRB335新耕大桥84黄淡水库 1 号大桥7286344黄淡水库 2 号中桥3643172黄淡水库 3 号大桥42黄淡水库 4 号大桥54牛轭岭中桥24908东兴互通立交桥32合计28856440170本合同段内桥跨不仅分布在直线段上,而且分布在缓和曲线段和圆曲线段上,各墩位的中心线根据径向布置,梁肋根据直线布置,每片梁预制长度随曲率半径变化。梁长在两端梁肋等厚段调整,平面曲线线性由边梁翼板悬臂长度变化调整;当桥跨处于直线段内或全超高段内时,主梁行车道板顶面横坡度设计与桥面横坡度相同;当桥跨处于超高缓和地段时,主梁行车道板顶面横坡度严格根据设计图纸提供的预制梁横坡进行预制。预制梁设有正负弯矩...

1、当您付费下载文档后,您只拥有了使用权限,并不意味着购买了版权,文档只能用于自身使用,不得用于其他商业用途(如 [转卖]进行直接盈利或[编辑后售卖]进行间接盈利)。
2、本站所有内容均由合作方或网友上传,本站不对文档的完整性、权威性及其观点立场正确性做任何保证或承诺!文档内容仅供研究参考,付费前请自行鉴别。
3、如文档内容存在违规,或者侵犯商业秘密、侵犯著作权等,请点击“违规举报”。

碎片内容

mT梁m和m箱梁预制及架设施工方案

确认删除?
VIP
微信客服
  • 扫码咨询
会员Q群
  • 会员专属群点击这里加入QQ群
客服邮箱
回到顶部