电脑桌面
添加小米粒文库到电脑桌面
安装后可以在桌面快捷访问

合金相图实验报告

合金相图实验报告_第1页
1/11
合金相图实验报告_第2页
2/11
合金相图实验报告_第3页
3/11
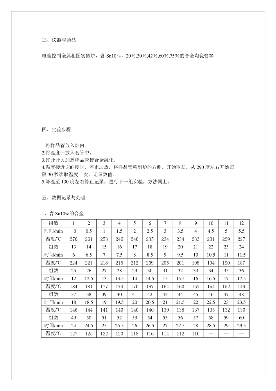
一.实验目的 1.用热分析法测绘Sn -Bi 二元低共熔体系的相图 2.学习步冷曲线绘制相图的方法 二.实验原理 相图是多相体(二相或二相以上)处于相平衡状态时体系的某种物理性质对体系的某一自变量作图所得的图形(体系的其它自变量维持不变),二元和多元体系的相图常以组成为自变量,其物理性质则大多取温度。由于相图能反映出多相平衡体系在不同条件下的相平衡情况,因此研究相体系的性质,以及多相平衡情况的变化要用相图的知识。 AB 表示两个组分的名称,纵坐标是温度T,横坐标 是B 的百分含量abc 线上,体系只有液相存在,ace 所围的面积中有固相A 及液相存在,bcf 所围的中 有 B 晶体和个液相共存,c 点有三相(AB 晶体和饱 和熔化物)。 测绘相图就是要将图中这些分离相区的线画出来, 常用的实验方法是热分析法。所观察的物理性质是 被研究体系的温度。将体系加热熔融成均匀液体,然后冷却,每隔一定时间记录温度一次,一温度对时间作图,得到步冷曲线。 当一定组成的熔化物冷却时,最初温度随时间逐渐下降达到相变温度时,一种组分开始析出,随着固体的析出而放出凝固潜热,使体系冷却速度变慢,步冷曲线的斜率发生变化而出现转折点,转折点的温度即是相变温度。继续冷却的过程中,某组分析出的量逐渐增多而残留溶液中的量则逐渐减少,直到低共熔温度时,液相达到低共熔组成,两种组分同时互相饱和,两种组分的晶体同时析出,这时继续冷却温度将保持不变,步冷曲线出现一水平部分,直到全部溶液变为固体后温度才开始降低,水平停顿温度为最低共熔点温度。 如果体系是纯组分,冷却过程中仅在其熔点出现温度停顿,步冷曲线的水平部分是纯物质的熔点,图中 b 是图1 中组成为P 体系的步冷曲线,点 2,3 分别相当于图1 中的G,H。因此取一系列不同组成的体系,做出它们的步冷曲线求出其转折点,就能画出相图。但是在实验过程中有时会出现过冷现象,这时必须外推求得真正的转折点。 三、仪器与药品 电脑控制金属相图实验炉,含Sn10%,20%,30%,42%,60%,75%的合金陶瓷管等 四、实验步骤 1.将样品管放入炉内。 2.将温度计放入套管中。 3.打开开关加热样品管使合金融化。 4.温度接近300 度时,停止加热,将样品管移到炉的右侧,开始冷却。从290 度左右开始每隔30 秒读取温度一次,记录数值。 5.降温至130 度左右停止记录,进行下一组实验,方法同上。 五、数据记录与处理 1、含Sn10%的合金 组数 ...

1、当您付费下载文档后,您只拥有了使用权限,并不意味着购买了版权,文档只能用于自身使用,不得用于其他商业用途(如 [转卖]进行直接盈利或[编辑后售卖]进行间接盈利)。
2、本站所有内容均由合作方或网友上传,本站不对文档的完整性、权威性及其观点立场正确性做任何保证或承诺!文档内容仅供研究参考,付费前请自行鉴别。
3、如文档内容存在违规,或者侵犯商业秘密、侵犯著作权等,请点击“违规举报”。

碎片内容

合金相图实验报告

确认删除?
VIP
微信客服
  • 扫码咨询
会员Q群
  • 会员专属群点击这里加入QQ群
客服邮箱
回到顶部