电脑桌面
添加小米粒文库到电脑桌面
安装后可以在桌面快捷访问

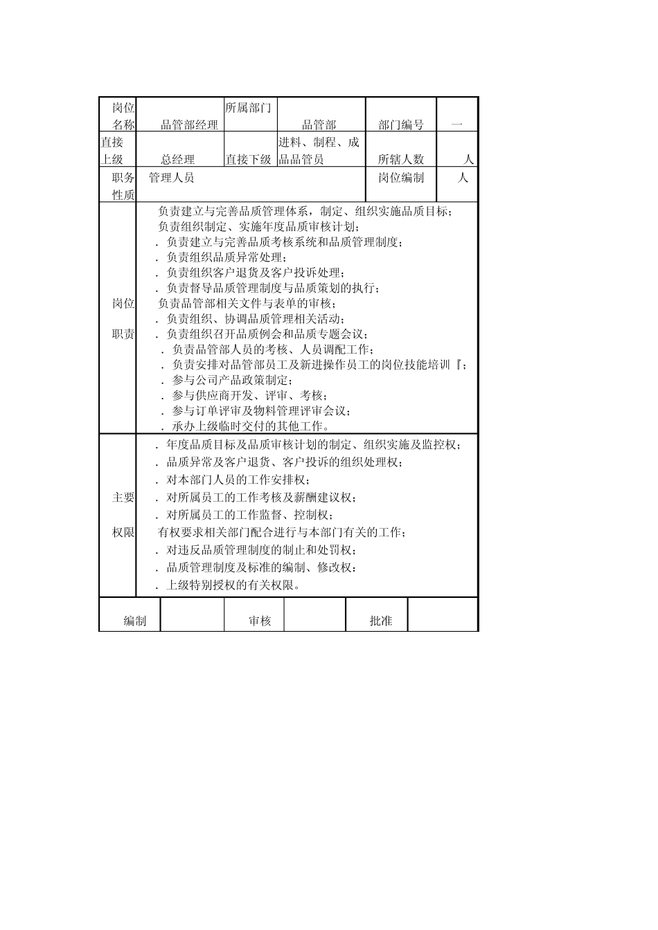
品管部职责与岗位说明书

品管部职责与岗位说明书_第1页
1/7
品管部职责与岗位说明书_第2页
2/7
品管部职责与岗位说明书_第3页
3/7
部门 名称 品管部 上级部门 总经办 上级主管 总经理 下属 无 主管岗位 品管部经理 部门编号 0D一10 所属 岗位 品管部经理、来料品管、制程品管、成品品管。 岗位编制 16人 部门 目标 建立完善的品质管理体系,准确、及时、有效地监控各环节品质活动.使品质达到公司的目标。 部门 职责 一、制度建立:1.建立与完善品质管理体系;2.建立与完善产品检验规范;3.组织制定品质策划;4.组织制定年度品质目标;5建立与完善计量管理制度;6.组织制定年度品质审核计划;7建立与完善品质考核系统和品质管理制度。 二、活动实施:1来料检验、过程检验、成品检验、出货检验的统筹管理;2.协助解决品质管理体系运行中出现的问题.对品质异常进行调查、分析、处理、跟踪;3.品质策划的监督执行;4.组织实施年度品质审核计划;5,监督和参与计量管理制度的执行;6.组织处理客户投诉;7.组织开展多项品质改进活动;8定期监督品质目标达成情况。 三、品质培训:1.建立相应的品质培训制度并组织实施;2.制定品质培训计划,定期对员工进行品质培训;3.组织开展各种品质活动.有效提高员工品质意识。 四、其他:1.协助采购部做好供应商考核评估工作;2.协助计划物控部进行订单评审: 3.负责组织协调品质管理相关活动。 管理 权限 1.公司品质方针制定的参与权; 2.品质管理制度及标准的编制、执行权; 3.相关信息、资源的获取权及其他部门协同权; 4.供应商及外协厂品质管理权; 5.公司产品形成全过程各环节的品质检查、监督权。 管理 责任 对品质管理控制方法负责,对质量检测及质量标准负责.对提升产品合格率负责。 编制 审核 批准 岗位名称 定岗人岗位责任 主要工作内容 备 品管部经理 1人 杨百富 负责品管部整体工作筹划。 进料品管员(电子/塑料) 1人 高佩 负责所有电子、塑料类物料的进料检验与控制活动。 进料品管员(电机全检) 4人 张美风、卢淑敏、巩银花、胡芳 负责所有电机类物料的进料全检与控制活动。 进料品管员(包材/玻璃/五金/外协) 1人 高佩 负责所有包材、玻璃、五金类物料的进料检验与控制活动。 待招聘. 暂由高佩负责。 五金巡检品管员 1人 负责五金车间产品品质巡检与控制活动。 待招聘。 五金制程品管员(冲 2人(A、B班各 1人) 张德尚 程潜 负责五金冲压工序的制程品质检验与控制活动。 五金制程品管员(打磨、拉纹工序) 1人 顾军 负责五金打...

1、当您付费下载文档后,您只拥有了使用权限,并不意味着购买了版权,文档只能用于自身使用,不得用于其他商业用途(如 [转卖]进行直接盈利或[编辑后售卖]进行间接盈利)。
2、本站所有内容均由合作方或网友上传,本站不对文档的完整性、权威性及其观点立场正确性做任何保证或承诺!文档内容仅供研究参考,付费前请自行鉴别。
3、如文档内容存在违规,或者侵犯商业秘密、侵犯著作权等,请点击“违规举报”。

碎片内容

品管部职责与岗位说明书

您可能关注的文档

确认删除?
VIP
微信客服
  • 扫码咨询
会员Q群
  • 会员专属群点击这里加入QQ群
客服邮箱
回到顶部