电脑桌面
添加小米粒文库到电脑桌面
安装后可以在桌面快捷访问

喷锚施工质量控制

喷锚施工质量控制_第1页
1/7
喷锚施工质量控制_第2页
2/7
喷锚施工质量控制_第3页
3/7
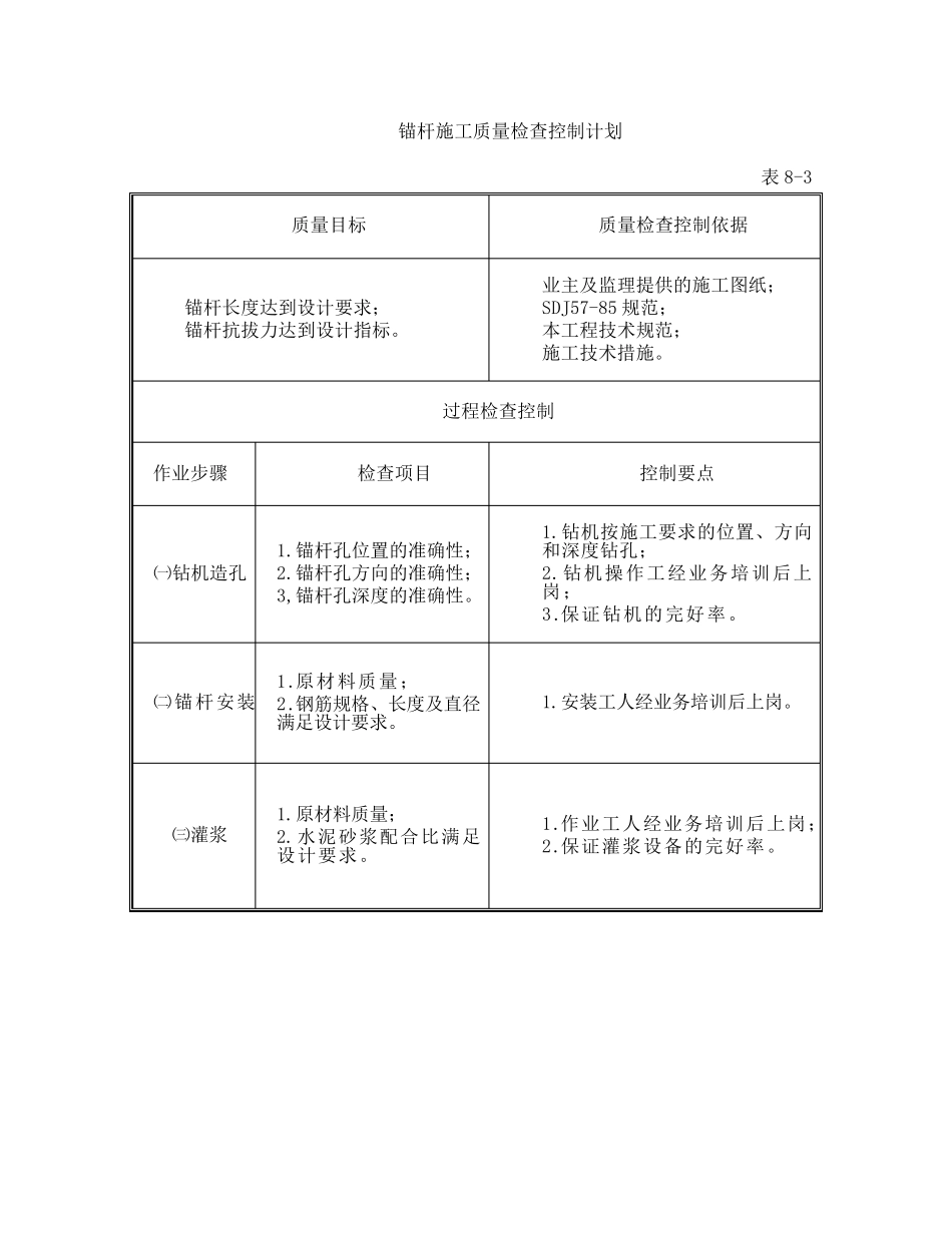
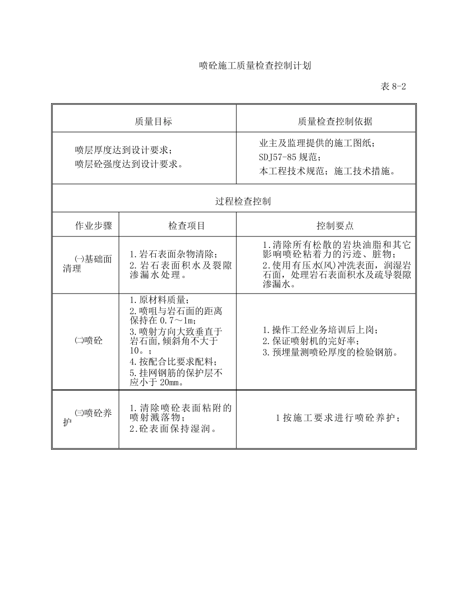
喷砼施工质量检查控制计划 表8-2 质量目标 质量检查控制依据 喷层厚度达到设计要求; 喷层砼强度达到设计要求。 业主及监理提供的施工图纸; SDJ57-85 规范; 本工程技术规范;施工技术措施。 过程检查控制 作业步骤 检查项目 控制要点 ㈠基础面清理 1.岩石表面杂物清除; 2.岩石表面积水及裂隙渗漏水处理。 1.清除所有松散的岩块油脂和其它影响喷砼粘着力的污迹、脏物; 2.使用有压水(风)冲洗表面,润湿岩石面,处理岩石表面积水及疏导裂隙渗漏水。 ㈡喷砼 1.原材料质量; 2.喷咀与岩石面的距离保持在 0.7~1m; 3.喷射方向大致垂直于岩石面,倾斜角不大于10。; 4.按配合比要求配料; 5.挂网钢筋的保护层不应小于 20mm。 1.操作工经业务培训后上岗; 2.保证喷射机的完好率; 3.预埋量测喷砼厚度的检验钢筋。 ㈢喷砼养护 1.清除喷砼表面粘附的喷射溅落物; 2.砼表面保持湿润。 1 按施工要求进行喷砼养护; 锚杆施工质量检查控制计划 表8-3 质量目标 质量检查控制依据 锚杆长度达到设计要求; 锚杆抗拔力达到设计指标。 业主及监理提供的施工图纸; SDJ57-85 规范; 本工程技术规范; 施工技术措施。 过程检查控制 作业步骤 检查项目 控制要点 ㈠钻机造孔 1.锚杆孔位置的准确性; 2.锚杆孔方向的准确性; 3,锚杆孔深度的准确性。 1.钻机按施工要求的位置、方向和深度钻孔; 2.钻机操作工经业务培训后上岗; 3.保证钻机的完好率。 ㈡锚杆安装 1.原材料质量; 2.钢筋规格、长度及直径满足设计要求。 1.安装工人经业务培训后上岗。 ㈢灌浆 1.原材料质量; 2.水泥砂浆配合比满足设计要求。 1.作业工人经业务培训后上岗; 2.保证灌浆设备的完好率。 锚喷支护质量保证措施 1.在挂网喷砼之前,对边坡表面松动岩块、岩粉以及其它松散物用高压风吹干净。 2.喷砼的厚度采用打插筋标识或埋设预制砼块的办法进行控制。 3.喷砼混合料的拌制严格按经批准的配合比控制。原则上随拌随用。 4.喷射过程中,如发现砼表面干裂松散下坠或拉裂,将及时清除并重新喷射。喷射完毕后及时进行洒水养护。 5.对锚杆、锚桩注浆密实度采用密实度仪进行检测。 6.高边坡现场施工人员全部腰系安全绳;所有通道均设置防护拦杆,并在危险地段张挂安全网。上下交通爬梯应定期进行检修。 7.严格作业程序,加强高边坡巡视,定期专人对边坡的卸荷情况和危石状况进行检查。 8.尽可能避 免 高边坡立 体 交叉 ...

1、当您付费下载文档后,您只拥有了使用权限,并不意味着购买了版权,文档只能用于自身使用,不得用于其他商业用途(如 [转卖]进行直接盈利或[编辑后售卖]进行间接盈利)。
2、本站所有内容均由合作方或网友上传,本站不对文档的完整性、权威性及其观点立场正确性做任何保证或承诺!文档内容仅供研究参考,付费前请自行鉴别。
3、如文档内容存在违规,或者侵犯商业秘密、侵犯著作权等,请点击“违规举报”。

碎片内容

喷锚施工质量控制

小辰4+ 关注
实名认证
内容提供者

出售各种资料和文档

相关文档

确认删除?
VIP
微信客服
  • 扫码咨询
会员Q群
  • 会员专属群点击这里加入QQ群
客服邮箱
回到顶部