电脑桌面
添加小米粒文库到电脑桌面
安装后可以在桌面快捷访问

电气设备点检实用标准

电气设备点检实用标准_第1页
1/36
电气设备点检实用标准_第2页
2/36
电气设备点检实用标准_第3页
3/36
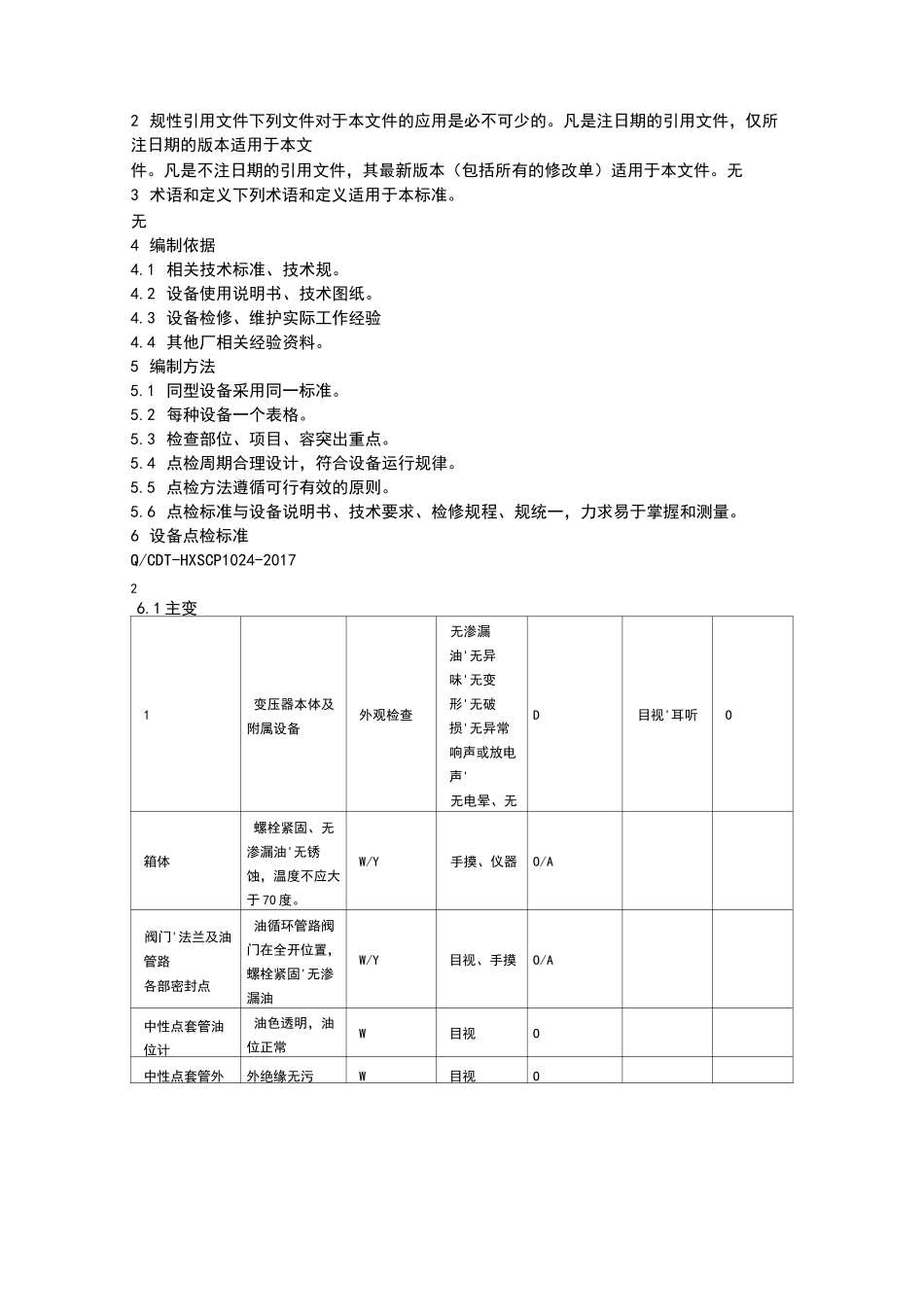
围12 规性引用文件 13 术语和定义14 编制依据..15 编制方法..16 设备点检标准6.1 主6.2 高厂 46.3 启备 66.4 干式变压器 86.5 励磁变压器 96.6 发电机离相封闭母线 106.7 高厂变、高备变共箱封闭母线 116.8 330kVSF6 开关 126.9 330kV 线路避雷器 136.10330kV架构、支持瓷瓶及架空导线146.116kV配电装置156.12380VPC 配电柜6.13380VMCC 配电17柜6.14 发电19机6.156kV 交流电动20机6.16 直流电动24机6.17380V 交流电动29机6.18 照明设30备6.19 电除..32尘6.20 就地控制32柜6.21 电34AilA-缆35Q/CDT-HXSCP1024-2017II-LX.—1—前言本标准按照第二热电厂 Q/CDT-HXSCP1001-2017《标准编写规定》给出的规则起草。本标准代替原电气设备点检标准,与上一版相比主要变化如下:——对上一版本格式进行了规化修改。本标准由第二热电厂标准化委员会提出。本标准由第二热电厂技术标准专业委员会归口。本标准起草部门:技术设备部。本标准主要起草人:喻峰、高慧、王超。本标准 2006年 11 月首次发布,本次为第一次修订。Q/CDT-HXSCP1024-20171电气设备点检标准1 围本标准规定了第二热电厂电气设备的点检部位、点检项目、点检容、点检标准、点检周期及点检方法。本标准适用于第二热电厂电气设备的点检工作。2 规性引用文件下列文件对于本文件的应用是必不可少的。凡是注日期的引用文件,仅所注日期的版本适用于本文件。凡是不注日期的引用文件,其最新版本(包括所有的修改单)适用于本文件。无3 术语和定义下列术语和定义适用于本标准。无4 编制依据4.1 相关技术标准、技术规。4.2 设备使用说明书、技术图纸。4.3 设备检修、维护实际工作经验4.4 其他厂相关经验资料。5 编制方法5.1 同型设备采用同一标准。5.2 每种设备一个表格。5.3 检查部位、项目、容突出重点。5.4 点检周期合理设计,符合设备运行规律。5.5 点检方法遵循可行有效的原则。5.6 点检标准与设备说明书、技术要求、检修规程、规统一,力求易于掌握和测量。6 设备点检标准Q/CDT-HXSCP1024-201726.1 主变1变压器本体及附属设备外观检查无渗漏油'无异味'无变形'无破损'无异常响声或放电声'无电晕、无异物;D目视'耳听O箱体螺栓紧固、无渗漏油'无锈蚀,温度不应大于 70 度。W/Y手摸、仪器O/A阀门'法兰及油管路各部密封点油循环管路阀门在全开位置,螺栓紧固'无渗漏油W/Y目视、手摸O/A中性点套管油位计油色透明,油位正常W目视O中性点套管...

1、当您付费下载文档后,您只拥有了使用权限,并不意味着购买了版权,文档只能用于自身使用,不得用于其他商业用途(如 [转卖]进行直接盈利或[编辑后售卖]进行间接盈利)。
2、本站所有内容均由合作方或网友上传,本站不对文档的完整性、权威性及其观点立场正确性做任何保证或承诺!文档内容仅供研究参考,付费前请自行鉴别。
3、如文档内容存在违规,或者侵犯商业秘密、侵犯著作权等,请点击“违规举报”。

碎片内容

电气设备点检实用标准

您可能关注的文档

确认删除?
VIP
微信客服
  • 扫码咨询
会员Q群
  • 会员专属群点击这里加入QQ群
客服邮箱
回到顶部