电脑桌面
添加小米粒文库到电脑桌面
安装后可以在桌面快捷访问

准噶尔盆地地层表

准噶尔盆地地层表_第1页
1/10
准噶尔盆地地层表_第2页
2/10
准噶尔盆地地层表_第3页
3/10
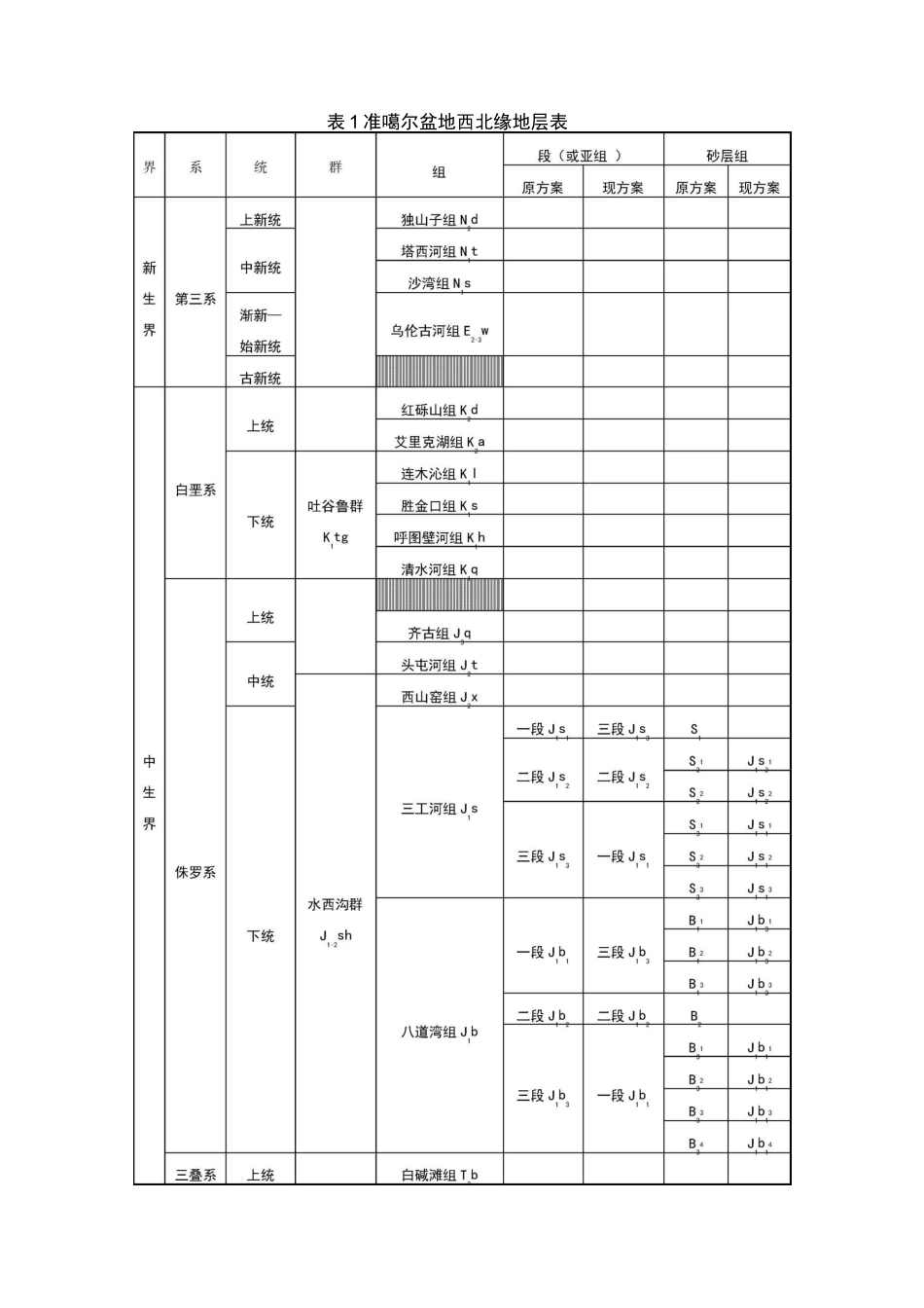
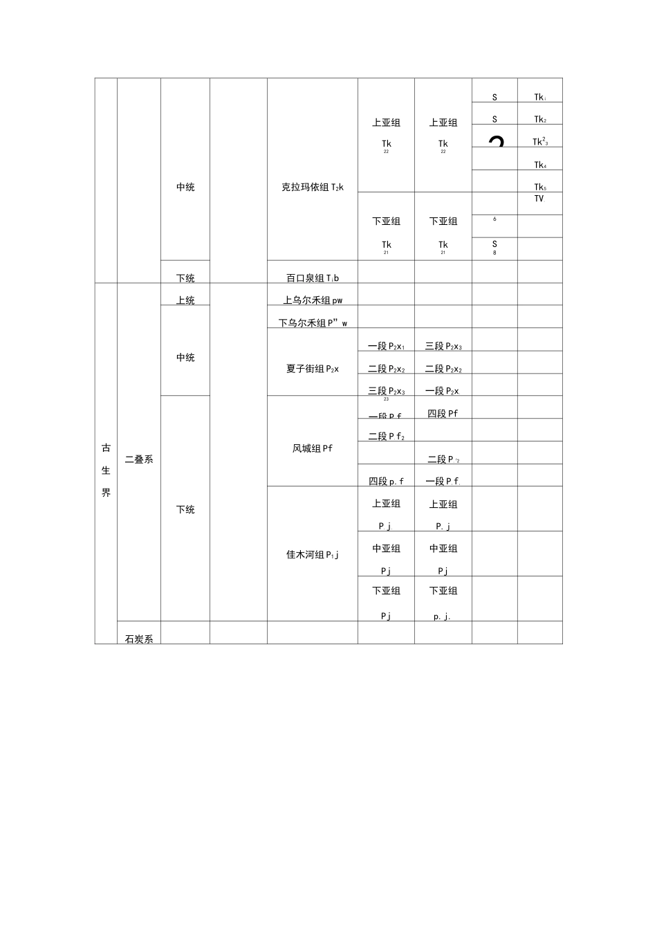
表 1 准噶尔盆地西北缘地层表中统克拉玛依组 T2k上亚组Tk22上亚组Tk22STkiSTk2S2Tk23Tk4Tk5TV.下亚组下亚组6Tk21Tk21S8下统百口泉组 Tib上统上乌尔禾组 pw下乌尔禾组 P”w一段 P2x1三段 P2x3中统夏子街组 P2x二段 P2x2二段 P2x2三段 P2x3一段 P2x.23一段 P.f.四段 Pf二段 P.f2古二叠系风城组 Pf二段 P.f2生四段 p.f一段 P,f,界下统上亚组P.j.上亚组P.j佳木河组 P1j中亚组Pj中亚组Pj下亚组下亚组Pjp.j.石炭系表 2 准噶尔盆地腹部地层表及地质符号(推荐方案)J2sh二段 J2x2X2JX2三段 Jx.XJX3四段 J2x43JX4—段 JiS3三段」卢 3s.S1JS1二段 J1S2二段 J1S2S:三工河组 J1SS1三段 J®一段 J1S1S:S:B3IJbi下统一段 J1bi三段 J1b3B:13Jb2B;Jbf二段 J1b2二段 J1b2B2八道湾组 J1bBiJbiB:三段 Jib3一段 Jp1B:B:上统白碱滩组 Tb小泉沟群二段 TK二段 TK三叠系中统T2-3Xq克拉玛依组 T2k一段匸叫一段下统百口泉组 T1b上统上乌尔组 Pw下乌尔组 P2w古二叠系中统夏子街组 P2x生风城组 Pf界下统佳木河组 P」石炭系表 3 准噶尔盆地南缘地层表及地质符号(推荐方案)界系统群组段(或亚组)砂层组原方案现方案原方案现方案第四系下更新统西域组 Qx上新统独山子组 N2d塔西河组 N1t沙湾组 Ns上段 E23a3三段 E23a3233中段 E2畀“233二段 E23a2下段 E23a1—段 E23a1EzEZ1E.zEZ2EzEZ3EzEZ4中生界上统东沟组 K2d连木沁组 Kl胜金口组 K.s呼图壁河组 Kh清水河组 Kq侏罗系二段 J3k2二段 J3k232—段 Jk32—段 Jk三段 Jq二段 Jq32—段 J.q.上段 J2t3三段 J2t3中段 J2t2二段 J2t2下段 J.t.—段 J”t.水西沟群Jsh1-2西山窑组 J.X下统三工河组 Js1上段 Js三段 JsJs1Js2下段 Js11—段 Js11Js1表 4 准噶尔盆地南缘地层表及地质符号(推荐方案)Js2JS3八道湾组 Jb1上段 Jb三段 J.b3中段 J.b二段 J.b下段 Jb一段 Jb三叠系上统小泉沟群Txq2-3郝家沟组 Thj黄山街组 Th中统3克拉玛依组 T2k下统上仓房沟群 Tchb烧房沟组 T1s韭菜园子组 Tj古生界二叠系上统下仓房沟群 PCha梧桐沟组 Pw泉子街组 P.q中统上芨芨槽群 Pjjb23红雁池组 P2h芦草沟组 P」井井子沟组 P2j乌拉泊组 P.w下统下芨芨槽群 Pjja塔什库拉组 Pt石人子沟组 Ps石炭系上统祁家沟组 Cq柳树沟组 C.I表 4 准噶尔盆地东部地层表及地质符号(推荐方案)界系统群组段(或亚组)砂层组原方案现方案原方案现方...

1、当您付费下载文档后,您只拥有了使用权限,并不意味着购买了版权,文档只能用于自身使用,不得用于其他商业用途(如 [转卖]进行直接盈利或[编辑后售卖]进行间接盈利)。
2、本站所有内容均由合作方或网友上传,本站不对文档的完整性、权威性及其观点立场正确性做任何保证或承诺!文档内容仅供研究参考,付费前请自行鉴别。
3、如文档内容存在违规,或者侵犯商业秘密、侵犯著作权等,请点击“违规举报”。

碎片内容

准噶尔盆地地层表

确认删除?
VIP
微信客服
  • 扫码咨询
会员Q群
  • 会员专属群点击这里加入QQ群
客服邮箱
回到顶部