电脑桌面
添加小米粒文库到电脑桌面
安装后可以在桌面快捷访问

施工现场用电布置方案VIP免费

施工现场用电布置方案_第1页
1/16
施工现场用电布置方案_第2页
2/16
施工现场用电布置方案_第3页
3/16
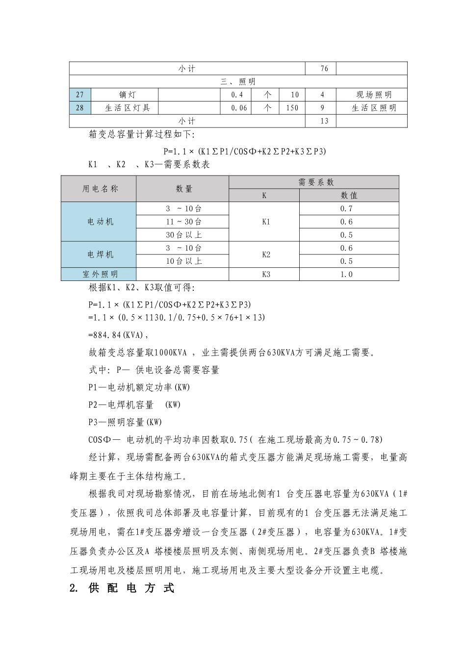
第一章施工现场用电布置方案1.用电量计算序号名称型号规格功率(KW)单位数量总功率(KW)备注一、电动施工机具11#塔吊TC7525-16D86台186现场断续工作23#塔吊TC7525-16D86台186现场断续工作32#塔吊TC601339台139现场断续工作44#塔吊TC601339台139现场断续工作51#施工电梯SC200/20078台178现场断续工作62#施工电梯SC200/20078台178现场断续工作73#施工电梯SC200/20078台178现场断续工作84#施工电梯SC200/20078台178现场断续工作95#施工电梯SC200/20078台178现场断续工作10钢筋调直机GT6-125.5台211现场断续工作11钢筋弯曲机GW403台26现场断续工作12钢筋切断机GQ401.5台23现场断续工作13直螺纹机床GX-404台28现场断续工作14电焊机BX-30023.4台6140.4现场断续工作15单面压刨机MB105A4台28现场断续工作16木工圆锯机MJ-1042.5台25现场断续工作17潜水污水泵WQ40-21-5.55.5台316.5现场断续工作18提升水泵KQD50-15X77.5台430现场断续工作19高压水泵XBD80台2160现场断续工作20振捣棒德国威克IREN651.3台1114.3现场断续工作21振捣棒德国威克IREN301.2台22.4现场断续工作22平板振动器B151.5台69现场断续工作23抹光机DMD8005.5台316.5现场断续工作24消防用电30台260现场断续工作小计1130.1二、电焊机25电焊机BX1-250-24台520现场断续工作26电焊机AX4-300-14台1456现场断续工作小计76三、照明27镝灯0.4个104现场照明28生活区灯具0.06个1509生活区照明小计13箱变总容量计算过程如下:P=1.1×(K1ΣP1/COSΦ+K2ΣP2+K3ΣP3)K1、K2、K3—需要系数表用电名称数量需要系数K数值电动机3~10台K10.711~30台0.630台以上0.5电焊机3~10台K20.610台以上0.5室外照明K31.0根据K1、K2、K3取值可得:P=1.1×(K1ΣP1/COSΦ+K2ΣP2+K3ΣP3)=1.1×(0.5×1130.1/0.75+0.5×76+1×13)=884.84(KVA),故箱变总容量取1000KVA,业主需提供两台630KVA方可满足施工需要。式中:P—供电设备总需要容量P1—电动机额定功率(KW)P2—电焊机容量(KW)P3—照明容量(KW)COSΦ—电动机的平均功率因数取0.75(在施工现场最高为0.75~0.78)经计算,现场需配备两台630KVA的箱式变压器方能满足现场施工需要,电量高峰期主要在于主体结构施工。根据我司对现场勘察情况,目前在场地北侧有1台变压器电容量为630KVA(1#变压器),依照我司总体部署及电容量计算,目前现有的1台变压器无法满足施工现场用电,需在1#变压器旁增设一台变压器(2#变压器),电容量为630KVA。1#变压器负责办公区及A塔楼楼层照明及东侧、南侧现场用电。2#变压器负责B塔楼施工现场用电及楼层照明用电,施工现场用电及主要大型设备分开设置主电缆。2.供配电方式在每个变压器前各设一个一级配电箱。施工现场主要施工设备及照明,采用“TN-S”系统供配电,供电级数一般不超过三级,配电模式为工地临时变压器→总配电箱→分配电箱→三级开关箱(终端配电箱)。由总承包方进行一、二级电源的设计和配置。各分包单位按所提供的二级箱作为电源用电,分包方自行配置三级箱(开关箱),以供各种设备用电。总配电箱以下可设若干分配电箱;分配电箱以下可设若干开关箱,采用放射式+树干式相结合配电方式,配电柜到分配电箱及由分配电箱到末端开关箱主要采用放射式供电,楼层内垂直配电主要采用树干式配电。总配电箱应设在靠近电源的区域,分配电箱应设在用电设备或负荷相对集中的区域。分配电箱与开关箱的距离不得超过30m,开关箱与其控制的固定式用电设备的水平距离不宜超过3m。工地采用标准电箱,每台设备开关箱专用,做到“一机一箱一闸一漏”,施工现场停止作业一小时以上时,将动力开关箱断电上锁、开关箱体内不放置任何其他杂物,并经常保洁。3.线路布置及敷设方式现场用电共形成5条回路,每条回路的用途及标号如下表:各回路用途及编号序号引出变压器回路用途回路编号备注11#变压器现场办公区用电L121#变压器A塔楼、1#钢筋加工区、1#塔吊、南侧裙楼及地下室用电L231#变压器2#钢筋加工区、1#和2#施工电梯、2#塔吊用电L342#变压器北侧裙楼及地下室、3#和4#施工电梯、模板堆场用电L452#变压器B塔楼、3#和4#塔吊用电L5水平:根据现场各方面考察,由于现场设备比较分散,因此电...

1、当您付费下载文档后,您只拥有了使用权限,并不意味着购买了版权,文档只能用于自身使用,不得用于其他商业用途(如 [转卖]进行直接盈利或[编辑后售卖]进行间接盈利)。
2、本站所有内容均由合作方或网友上传,本站不对文档的完整性、权威性及其观点立场正确性做任何保证或承诺!文档内容仅供研究参考,付费前请自行鉴别。
3、如文档内容存在违规,或者侵犯商业秘密、侵犯著作权等,请点击“违规举报”。

碎片内容

施工现场用电布置方案

确认删除?
VIP
微信客服
  • 扫码咨询
会员Q群
  • 会员专属群点击这里加入QQ群
客服邮箱
回到顶部